+Advanced Search
  • Issue 12,2025 Table of Contents
    Select All
    Display Type: |
    • >Special Issue:High Temperature Alloy
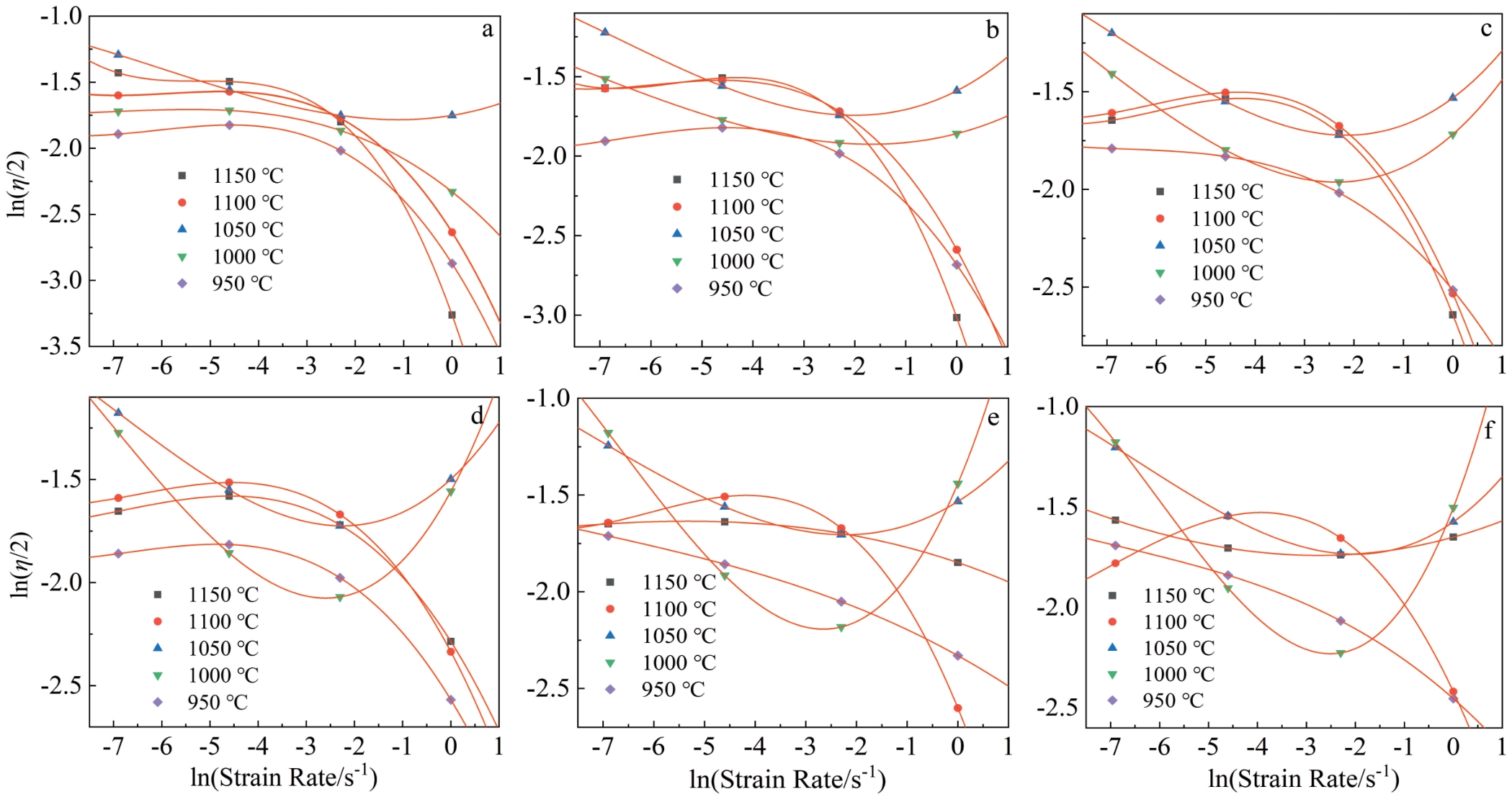
    • Microstructure Homogenization Control of GH4706 Alloy by Hot Deformation Maps

      2025, 54(12):3000-3009. DOI: 10.12442/j.issn.1002-185X.20240716

      Abstract (25) HTML (71) PDF 10.83 M (158) Comment (0) Favorites

      Abstract:Hot compression tests for GH4706 alloy were performed at a true strain of 1.2 within the temperature range of 950–1150 °C and the strain rate range of 0.001–1 s-1. The optimal hot deformation temperature and strain rate range were determined using nephogram maps of dynamic recrystallization fraction, average grain size, and grain distribution standard deviation. Processing maps at true strains from 0.4 to 0.9 were generated based on flow stress curves to identify the strain corresponding to optimal microstructure homogenization efficiency at various temperatures and strain rates. Results show that within the optimal parameter range, under the conditions of 1150 °C and 0.01 s-1, the true strain of about 0.6 results in the optimal microstructure homogenization efficiency. The grain orientation spread maps obtained from the experiment also confirms this conclusion. This study provides an effective method for microstructure homogenization control of GH4706 alloy and an effective reference for the minimum strain threshold of the local part of the forging in engineering.

      • 0+1
      • 1+1
      • 2+1
      • 3+1
      • 4+1
      • 5+1
      • 6+1
      • 7+1
      • 8+1
      • 9+1
      • 10+1
    • Microstructure Evolution Characteristics and Mechanical Properties of a Novel Nitrogenous Nickel-Based Deposited Metal from Gas Metal Arc Welded State to Heat-Treated State

      2025, 54(12):3010-3023. DOI: 10.12442/j.issn.1002-185X.20240744

      Abstract (12) HTML (34) PDF 13.73 M (111) Comment (0) Favorites

      Abstract:A novel nitrogenous nickel-based deposited metal was prepared by gas metal arc welding. Subsequently, solid solution treatment as well as solution and aging treatments were conducted on the prepared metal to study the evolution of microstructure and tensile properties at different states. Results show that the high-temperature tensile strength of the deposited metal exhibits good performance after the addition of W and N. The grain size of the sample is large, and petal-like Laves phase appears at the grain boundaries. After solid solution treatment, the grain size decreases, and the Laves phase disappears. However, both the yield strength and elongation of the deposited metal decrease. The grain size of the samples after solid solution and aging treatment is more uniform, nanoscale M(C, N) phases are precipitated within the crystals, and M23C6 phase forms at grain boundaries. The yield strength and ultimate tensile strength of this sample are higher than those of the other samples, but its plasticity is the lowest. The main deformation mechanism is the unit dislocation a/2<110> cutting the precipitation phase.

      • 0+1
      • 1+1
      • 2+1
      • 3+1
      • 4+1
      • 5+1
      • 6+1
      • 7+1
      • 8+1
      • 9+1
      • 10+1
      • 11+1
      • 12+1
      • 13+1
      • 14+1
      • 15+1
    • Effect of Heat Treatment on Fracture Characteristics and Serrated Yielding of Inconel 718 Superalloy

      2025, 54(12):3054-3059. DOI: 10.12442/j.issn.1002-185X.E20240696

      Abstract (12) HTML (36) PDF 3.03 M (98) Comment (0) Favorites

      Abstract:Due to the gradually prominent impact of fracture characteristics and serrated yielding in the application of nickel-based superalloys, the hot tensile properties of Inconel 718 superalloy were studied, including fracture behavior, mechanical properties, and plastic behavior. The experiments adopted three heat treatment regimes and two tensile directions. Results show that various heat treatments make grain sizes different. The larger-sized grains make the vertical surface uneven, which also decrease the number of grain boundaries and carbides, restricting the occurrence of dimples and ultimately reducing the material plasticity. The reduced grain boundaries can decrease dislocations, increase the demand for thermal activation energy, and transform the serration mode of serrated yielding. In addition, various heat treatments also make precipitates different. Carbides can promote the formation of dimples. The needle-shaped δ phase precipitates at grain boundaries and twin boundaries, and slightly inclines towards the rolling direction. Therefore, its pinning effect is outstanding along the transverse direction, which can affect the dimple aggregation and the dislocation movement, ultimately exhibiting anisotropy in fracture characteristics, mechanical properties, and serrated yielding.

      • 0+1
      • 1+1
      • 2+1
      • 3+1
      • 4+1
      • 5+1
      • 6+1
    • Analysis of SLM Forming Cracking Mechanism of ZGH451 Nickel-Based Superalloy

      2025, 54(12):3097-3104. DOI: 10.12442/j.issn.1002-185X.20240487

      Abstract (16) HTML (27) PDF 3.24 M (95) Comment (0) Favorites

      Abstract:This study focuses on the selective laser melting (SLM)-formed ZGH451 nickel-based superalloy, revealing the mechanism that solidification liquid films lead to crack initiation and clarifying the roles of alloy elements and texture in forming crack defects. Experimental results indicate that cracks of ZGH451 nickel-based superalloy in the SLM process can be mainly categorized into internal solidification cracks and edge cold cracks. During the late solidification stage, low-melting-point phase liquid films exist between dendrites, and high-melting-point Cr element particles at the solidification front hinder melt feeding. The insufficient feeding and thermal stress between dendrites cause the liquid film's rupture, leading to solidification cracks in the core of the material. In the alloy's contour region, high cooling rates and significant thermal stress lead to residual stress accumulation, which exceeds the material's strength limit or grain boundary cohesion strength, resulting in the formation of cold cracks. When the input laser energy density is below 45 J/mm3, the unfused defects in the alloy are densely distributed along the building direction. Once exceeding 140 J/mm3, the probability of keyhole and pore formation sharply increases. These defects can induce cracks under stress. The more the WC and other carbide particles precipitated between dendrites, the greater the grain misorientation, and the higher the alloy's crack sensitivity. The deposited ZGH451 nickel-based superalloy is mainly composed of γ and γ' phases, with a preferred orientation on the (100) plane. The average aspect ratio of the grains reaches 11.25, and the significant texture exacerbates stress concentration at the grain edges and tips, promoting crack initiation and altering crack propagation direction.

      • 0+1
      • 1+1
      • 2+1
      • 3+1
      • 4+1
      • 5+1
      • 6+1
    • Thermal Stability and High-Temperature Oxidation Behavior of W-Re Alloy

      2025, 54(12):3113-3122. DOI: 10.12442/j.issn.1002-185X.20240509

      Abstract (26) HTML (18) PDF 4.10 M (85) Comment (0) Favorites

      Abstract:Superalloys have a very important position in the development of nuclear fusion and other fields. To study the stability and oxidation resistance of W-3%Re alloy at high temperature, the thermal stability experiments of W and W-3%Re alloy were conducted at the temperature of 500, 700, and 900 ℃ for 6 h. Oxidation experiments were conducted at the temperature of 700, 800, and 900 ℃ for 18 h. The phase composition, oxidation kinetics, oxidation products, and surface morphology of the oxide film were analyzed by XRD, SEM, LSM800 automatic 3D morphology analyzer, and Hysitron TI Premier nanoindentation apparatus. The results show that the quality of the alloy increases with the prolongation of oxidation time. During the oxidation process, the grain size of W-3%Re alloy is reduced, the oxidation film forms faster, the surface oxide layer is gradually thicker, and the high temperature oxidation resistance of W-3%Re alloy is improved. Compared with W, the chemical stability of the Re oxide in W-3%Re alloy is higher. And W-3%Re alloy shows a lower oxidation rate constant when it is oxidized at 700 ℃ for 18 h. At this time, the W-3%Re alloy is a weak oxidation grade, and the density of the oxide layer is improved to a certain extent during the oxidation process. This indicates that the addition of Re can improve the high temperature oxidation resistance of W material.

      • 0+1
      • 1+1
      • 2+1
      • 3+1
      • 4+1
      • 5+1
      • 6+1
      • 7+1
      • 8+1
      • 9+1
      • 10+1
      • 11+1
      • 12+1
      • 13+1
      • 14+1
      • 15+1
      • 16+1
      • 17+1
    • Microstructure and Wear Resistance of Ni-based Alloy Composite Coatings Prepared by Laser Melting Deposition

      2025, 54(12):3174-3185. DOI: 10.12442/j.issn.1002-185X.20240539

      Abstract (13) HTML (20) PDF 17.44 M (93) Comment (0) Favorites

      Abstract:The Nb and WC composite-strengthened Grade 4 Ni-based superalloy coatings were prepared on 304NG stainless steel substrate by laser melting deposition technology. The effects of Nb and WC mass fraction on the microstructure, microhardness and wear resistance of the Ni-based superalloy coatings were studied. The results show that the coating is well combined with the substrate without obvious cracks, pores and other defects. The addition of alloying element Nb leads to new hard phases NbC and Nb6C5, which make the eutectic structure of the alloy denser and also improves the hardness and wear resistance of the coating. The coating with 10wt% Nb+15wt% WC shows the best wear resistance. The continuous eutectic structure changes from long strip and reticulation to four shapes of separated short strip, block, granular and fishbone. At the same time, the addition of WC transforms the wear mechanism of the coating from abrasive wear and adhesive wear to fatigue wear.

      • 0+1
      • 1+1
      • 2+1
      • 3+1
      • 4+1
      • 5+1
      • 6+1
      • 7+1
      • 8+1
      • 9+1
      • 10+1
      • 11+1
      • 12+1
      • 13+1
      • 14+1
      • 15+1
      • 16+1
      • 17+1
      • 18+1
      • 19+1
      • 20+1
      • 21+1
      • 22+1
      • 23+1
    • Effect of Annealing Temperature on Microstructure and Mechanical Properties of Nickel-Based Powder Superalloy Formed by L-PBF

      2025, 54(12):3186-3191. DOI: 10.12442/j.issn.1002-185X.20240541

      Abstract (17) HTML (22) PDF 6.22 M (86) Comment (0) Favorites

      Abstract:Different temperature annealing treatments were conducted on a laser powder bed melted FGH4096M nickel-based superalloy. The microstructure of the alloy was analyzed using SEM and EBSD, while tensile tests were performed to investigate the impact of the annealing process on the microstructural evolution and mechanical properties of the laser powder bed melted FGH4096M superalloy. The results reveal that as the annealing temperature increases, dendritic and columnar crystals gradually disappear in the formed alloy; a significant precipitation of γ′ phase is observed when the annealing temperature is 900 ℃. Additionally, there is a gradual increase in hardness until 800 ℃, along with an upward trend in both tensile strength and yield strength; however, fracture elongation rate remains low at only 5%. Analysis of grain orientation difference distribution indicates that annealing can partially eliminate residual stress. These research findings provide valuable data support for enhancing the performance of laser powder bed melted nickel-based superalloys.

      • 0+1
      • 1+1
      • 2+1
      • 3+1
      • 4+1
      • 5+1
    • >Materials Science
    • High-Temperature Mechanical Properties of TaWHf Alloy Doped with Re and C

      2025, 54(12):2985-2992. DOI: 10.12442/j.issn.1002-185X.20250168

      Abstract (63) HTML (30) PDF 3.02 M (106) Comment (0) Favorites

      Abstract:The high-temperature mechanical properties of Ta-8W-2Hf alloy doped with Re (1wt%) and C (0.01wt%) were investigated at room temperature, 1300 °C, and 1500 °C. Results show that fine and dispersed precipitates Ta2C are detected in crystallized TaWHfReC alloy, which significantly enhance mechanical properties of the alloy. The strength of TaWHfReC alloy is much higher than that of TaWHf alloy, especially at 1300 and 1500 °C. At 1300 °C, the ultimate tensile strength of the TaWHf alloy is 322 MPa, while that of the TaWHfReC alloy reaches 392 MPa. When the temperature rises to 1500 °C, precipitated-phase strengthening remains effective in the TaWHfReC alloy, achieving an ultimate tensile strength of 268 MPa. Additionally, at 1300 °C, the elongation of the TaWHfReC alloy reaches 23.5%, which is nearly twice of that of the TaWHf alloy. The significant improvement in the mechanical properties of the TaWHfReC alloy at elevated temperatures is primarily attributed to the interaction between dislocations and the fine Ta2C precipitated phase. The fine and uniformly distributed particles effectively inhibit dislocation motion and exhibit a pronounced strengthening effect at high temperatures.

      • 0+1
      • 1+1
      • 2+1
      • 3+1
      • 4+1
      • 5+1
      • 6+1
      • 7+1
      • 8+1
    • Effect of Oxygen/Ar Flow Rate Ratio on Properties of Amorphous Ga2O3 Thin Films on Flexible and Rigid Substrates

      2025, 54(12):2993-2999. DOI: 10.12442/j.issn.1002-185X.20240726

      Abstract (10) HTML (14) PDF 5.67 M (82) Comment (0) Favorites

      Abstract:Amorphous Ga2O3 (a-Ga2O3) thin films were prepared on flexible polyimide, rigid quartz glass, and Si substrates via radio frequency magnetron sputtering at room temperature. The effect of oxygen/Ar flow rate ratio on the structure, optical property, surface morphology, and chemical bonding properties of the a-Ga2O3 films was investigated. Results show that the average optical transmittance of the a-Ga2O3 films is over 80% within the wavelength range of 300–2000 nm. The extracted optical band gap of the a-Ga2O3 films is increased from 4.97 eV to 5.13 eV with the increase in O2/Ar flow rate ratio from 0 to 0.25, due to the decrease in concentration of oxygen vacancy defects in the film. Furthermore, the optical refractive index and surface roughness of the a-Ga2O3 films are optimized when the O2/Ar flow rate ratio reaches 0.25. X-ray photoelectron spectroscopy analysis also shows that the proportion of oxygen vacancies (VO) and Ga-O chemical bonds in the O 1s peak is gradually decreased with the increase in O2/Ar flow rate ratio from 0 to 0.25, proving that increasing the O2/Ar flow rate ratio during film growth can reduce the concentration of oxygen vacancy defects in a-Ga2O3 films. In this case, a-Ga2O3 with optimal properties can be obtained. This work provides a research basis for high-performance flexible and rigid deep ultraviolet solar-blind detection devices based on a-Ga2O3 films.

      • 0+1
      • 1+1
      • 2+1
      • 3+1
      • 4+1
      • 5+1
      • 6+1
      • 7+1
    • Synthesis of Nickel Powders by Hydrazine Hydrate Reduction of Nickel Hydroxide

      2025, 54(12):3024-3031. DOI: 10.12442/j.issn.1002-185X.20240777

      Abstract (20) HTML (15) PDF 7.74 M (83) Comment (0) Favorites

      Abstract:Fine nickel powders with a narrow particle size distribution were prepared by reducing nickel hydroxide in aqueous solution. The formation and reduction pathways of nickel powder were analyzed, as well as the effects of the molar ratio of hydrazine hydrate to nickel hydroxide, hydrazine concentration, and the dosage of surfactant PEG6000 on particle size, surface morphology, and dispersion. Results reveal that the nickel particle nucleation occurs on the nickel hydroxide surface, and the nickel hydroxide gradually dissolves during the reaction. With the increase in molar ratio of hydrazine hydrate to nickel hydroxide, the nickel particle size is initially decreased and then increased. Higher hydrazine hydrate concentrations result in smaller particle sizes. A small amount of PEG6000 surfactant can improve dispersion of nickel particles, but a higher amount of PEG6000 surfactant results in the maintenance of the morphology of nickel hydroxide. Adjusting the surfactant dosage can control the average particle size between 1–2 μm.

      • 0+1
      • 1+1
      • 2+1
      • 3+1
      • 4+1
      • 5+1
      • 6+1
      • 7+1
      • 8+1
      • 9+1
      • 10+1
      • 11+1
      • 12+1
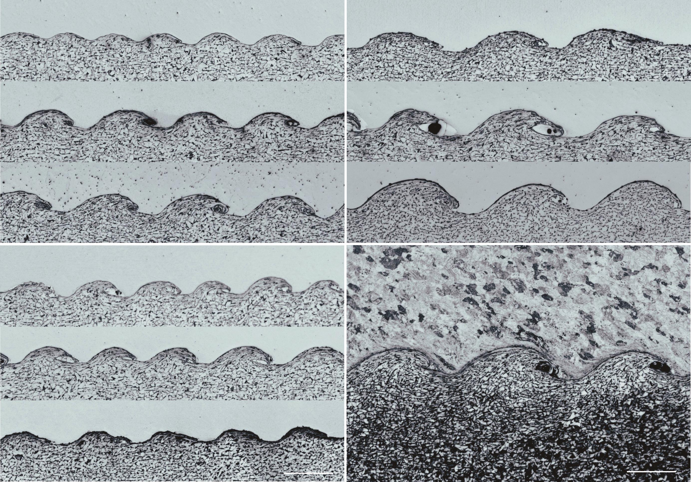
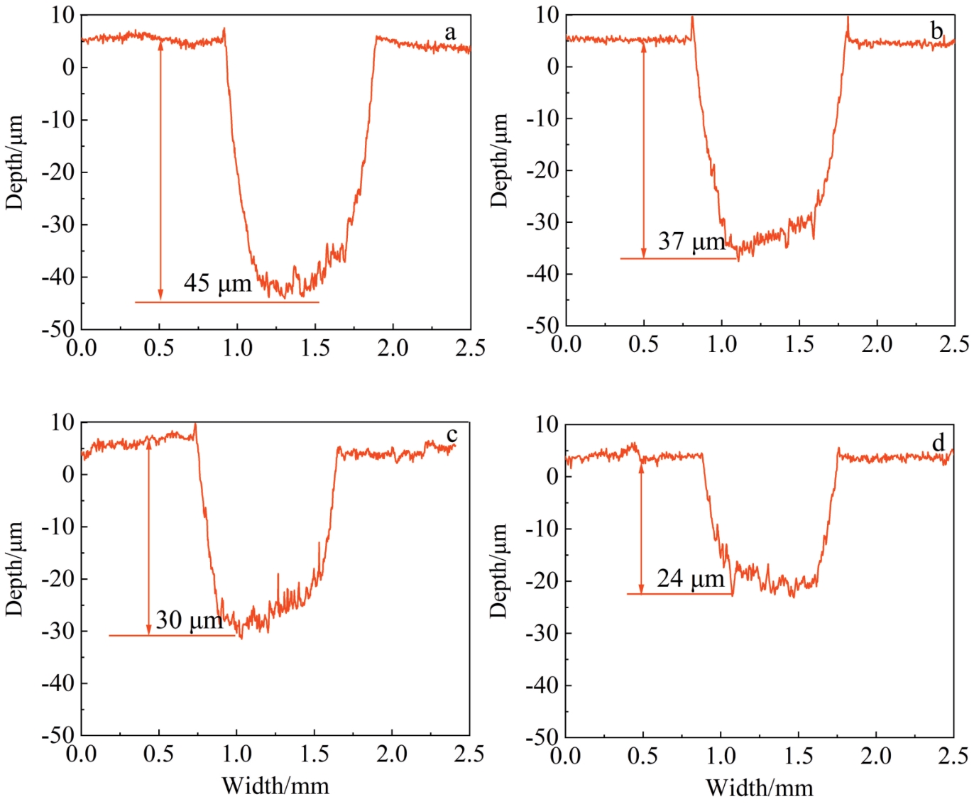
    • Numerical Simulation and Experiment of TA1/Q235 Composite Plate by Explosive Welding

      2025, 54(12):3032-3047. DOI: 10.12442/j.issn.1002-185X.20240670

      Abstract (22) HTML (18) PDF 10.26 M (98) Comment (0) Favorites

      Abstract:To further reduce the explosive thickness and to improve the bonding quality of titanium/steel composite plates, explosive welding experiments of TA1/Q235 were conducted using a low detonation velocity explosive (53#) under the guidance of the explosive welding lower limit principle with the flyer plate thicknesses of 1, 2, and 4 mm and gaps of 3, 6, and 8 mm. The weldability window for titanium/steel explosive welding was calculated, and a quantitative relationship between dynamic and static process parameters was developed. A β-Vp high-speed inclined collision model was proposed, and two-dimensional numerical simulations for the explosive welding tests were performed using the smoothed particle hydrodynamics (SPH) algorithm, revealing the growth evolution mechanisms of the typical waveform morphology characteristics. Through microstructural characterization techniques, such as optical microscope, scanning electron microscope, energy dispersive spectrometer, and electron backscattered diffractometer, and mechanical property tests in terms of shear strength, bending performance, and impact toughness, the microstructure and mechanical properties of the interfaces of explosively welded TA1/Q235 composite plates were investigated. Results show that the quality of interface bonding is excellent, presenting typical waveform morphology with an average interface shear strength above 330 MPa and an average impact toughness exceeding 81 J. All samples can be bent to 180° without significant delamination or cracking defects.

      • 0+1
      • 1+1
      • 2+1
      • 3+1
      • 4+1
      • 5+1
      • 6+1
      • 7+1
      • 8+1
      • 9+1
      • 10+1
      • 11+1
      • 12+1
      • 13+1
      • 14+1
      • 15+1
      • 16+1
      • 17+1
      • 18+1
      • 19+1
      • 20+1
      • 21+1
      • 22+1
      • 23+1
      • 24+1
      • 25+1
      • 26+1
      • 27+1
      • 28+1
      • 29+1
      • 30+1
      • 31+1
      • 32+1
      • 33+1
      • 34+1
      • 35+1
      • 36+1
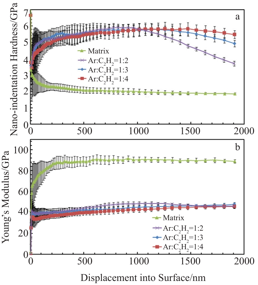
    • Effects of Acetylene Gas on Mechanical Properties of DLC Film Prepared by Plasma-Enhanced Chemical Vapor Deposition

      2025, 54(12):3048-3053. DOI: 10.12442/j.issn.1002-185X.20240677

      Abstract (16) HTML (8) PDF 2.77 M (78) Comment (0) Favorites

      Abstract:To improve the mechanical properties of 2024 aluminum alloy, a kind of diamond-like carbon (DLC) film was deposited on the surface of 2024 aluminum alloy by plasma-enhanced chemical vapor deposition technique. The effects of acetylene gas on the microstructure, hardness, wear resistance, and adhesion of DLC film were investigated by field emission scanning electron microscope, nano-indentation tester, and friction-wear tester. The results indicate that the thickness of the DLC film increases gradually with increasing the proportion of acetylene. There is an obvious transition layer between the DLC film and matrix. When the ratio of argon to acetylene is 1:3, the hardness of DLC film is enhanced significantly because of the content changes of sp3 and sp2 bonds within the film. At the same time, the friction coefficient of DLC film is reduced.

      • 0+1
      • 1+1
      • 2+1
      • 3+1
      • 4+1
      • 5+1
      • 6+1
    • High-Temperature Oxidation Resistance of Mg-Ca Alloys in Air and Under Flame Exposure

      2025, 54(12):3060-3064. DOI: 10.12442/j.issn.1002-185X.20240672

      Abstract (11) HTML (20) PDF 1.17 M (83) Comment (0) Favorites

      Abstract:The oxidation behavior and mechanism of Mg-Ca alloys in air and under flame exposure were studied. Results show that for the oxidation in air, the Mg-Ca-O oxide film with Ca accumulation and low Mg vapor pressure on the surface of Mg-Ca alloys with high Ca content shows good protective effect. However, the falling off phenomenon of the oxide film on Mg2Ca results in the further oxidation. Hence, the Mg-Ca alloys with high Ca content only show good protective effect. For the oxidation in flame, the molten alloys release the Ca atoms to diffuse outward. The Mg-Ca-O oxide film with high Ca accumulation layer forms in Mg-Ca alloys with high Ca content. Despite the high Mg vapor pressure in the molten alloy, the Mg-Ca-O oxide film with high Ca accumulation layer shows excellent protective effect.

      • 0+1
      • 1+1
      • 2+1
    • Finite Element Analysis and Experimental Study of Residual Stresses in Laser Brazed Diamonds

      2025, 54(12):3077-3083. DOI: 10.12442/j.issn.1002-185X.20240371

      Abstract (14) HTML (12) PDF 1.37 M (80) Comment (0) Favorites

      Abstract:The diamond model was simplified to hexahedron based on the macroscopic morphology, and the finite element model of laser brazing diamond was established, and this model was optimized for brazing material climbing. The distribution characteristics of the maximum residual stress of the diamond coating were obtained, and the mechanism of the maximum residual stress on the surface defects of the coating was investigated with experiments. The measured trend of diamond residual stress by Raman spectroscopy agrees well with the calculated results, and the diamond post-weld residual stress is compressive stress. Finally, the mechanism of the influence of diamond post-soldering residual stress on the wear resistance failure of the coating was explored in combination with the wear resistance experiments. The results show that diamond is subjected to appropriate residual compressive stress to help improve the brazing layer''s hold on diamond, and with the increase in diamond post-soldering residual stress, the wear resistance of the coating shows a tendency of first enhancement and then decreasing.

      • 0+1
      • 1+1
      • 2+1
      • 3+1
      • 4+1
      • 5+1
      • 6+1
      • 7+1
      • 8+1
      • 9+1
      • 10+1
      • 11+1
      • 12+1
      • 13+1
    • Welding Characteristics of Titanium Alloy Joints Welded by Hollow Cathode Vacuum Arc Welding

      2025, 54(12):3084-3090. DOI: 10.12442/j.issn.1002-185X.20240470

      Abstract (18) HTML (18) PDF 2.01 M (80) Comment (0) Favorites

      Abstract:The microstructure of Ti-6Al-4V joints by hollow cathode vacuum arc welding with different gas flow rates was studied, and the tensile properties were investigated. The results show that the microstructure of base metal is a mixture of α phase and β phase. The microstructure of heat affected zone are equiaxed and primary α phase and needle martensite α′ phase dispersed in the transformed β phase. The distribution of two kinds of microstructures in the heat-affected area is affected by the welding thermal cycle. The microstructure of weld seam mainly consists of α′ martensite phase. The decrease in welding gas flow rate and the increase in welding energy density result in coarse and more scattered martensitic grains. The tensile strength of welded joint is higher than that of base metal.

      • 0+1
      • 1+1
      • 2+1
      • 3+1
      • 4+1
      • 5+1
      • 6+1
      • 7+1
      • 8+1
      • 9+1
      • 10+1
      • 11+1
      • 12+1
      • 13+1
      • 14+1
      • 15+1
    • Construction of Bimodal-Grained Microstructure of Mg-Bi Alloy Composed of Ultrafine Grains and Fine Grains and Its Strengthening and Toughening Mechanisms

      2025, 54(12):3091-3096. DOI: 10.12442/j.issn.1002-185X.20240480

      Abstract (10) HTML (9) PDF 1.09 M (80) Comment (0) Favorites

      Abstract:Low-temperature equal channel angular pressing (ECAP) processing technology has great potential in fabricating bimodal-grained alloys composed of ultrafine grains and fine grains. Besides, fine-grained Mg-Bi based alloys demonstrate excellent low temperature plastic deformation performance. Based on this, a new inverse temperature field ECAP (ITF-ECAP) processing method was developed to realize the severe plastic processing of a fine grained Mg-6Bi (B6) alloy at low temperature (<100 ℃) to construct a bimodal-grained microstructure composed of ultrafine (<1 μm) and fine grains (1?10 μm). The microstructure and mechanical properties characterization results show that dynamic recrystallization preferentially occur at the initial grain boundaries of the fine-grained B6 alloy during the multi-pass ITF-ECAP processing. In addition, a large amount of submicron sized Mg3Bi2 phase precipitates during ITF-ECAP processing. As a result, bimodal-grained microstructure consisting of ultrafine grains with an average grain size (AGS) of about 600 nm and fine grain region with an AGS of about 2 μm was successfully constructed in B6 alloy through 4-pass ITF-ECAP processing. The volume fraction of the ultrafine grain region accounts for about 72.5%. Due to the combined effects of grain-boundary strengthening, precipitation strengthening, dislocation strengthening, and back stress strengthening, the bimodal-grained B6 alloy exhibits excellent strength and ductility, i.e. yield strength and elongation reach (315.6±3.6) MPa and (22.3±1.0)%, respectively.

      • 0+1
      • 1+1
      • 2+1
      • 3+1
    • Influence of Ni Interlayer Thickness on the Microstructure and Properties of Zr-4/Nb/Ni/316SS Diffusion Bonded Joint

      2025, 54(12):3105-3112. DOI: 10.12442/j.issn.1002-185X.20240495

      Abstract (11) HTML (13) PDF 1.74 M (80) Comment (0) Favorites

      Abstract:The influence of Ni interlayer thickness on the microstructure, mechanical properties, and corrosion resistance of Zr-4/Nb/Ni/316SS diffusion bonded joints was investigated. The results reveal that the typical interface microstructure of the joints consists of Zr-4/β-(Zr,Nb)/Nb/Ni3Nb/Ni/316SS. The shear strength of the joints initially increases and subsequently decreases with the increase in Ni interlayer thickness, reaching a peak value of 380 MPa at interlayer thickness of 30 μm. To elucidate the effect of Ni interlayer thickness on the mechanical properties, the microstructural characteristics of the joint interfaces were characterized, and Abaqus simulations were conducted to analyze the residual stress distribution across the interfaces. The comparative analysis of the mechanical properties and fracture behavior, combined with simulation results, indicates that the thicker Ni interlayers are more effective in alleviating residual stress, but excessively thick interlayers lead to a reduction in shear strength due to their enhanced ductility. Additionally, the corrosion resistance of the joints was assessed by full immersion corrosion tests. The results indicate that the corrosion rate decreases with a reduction in Ni interlayer thickness, and the optimum corrosion resistance of joint is achieved at an interlayer thickness of 10 μm. In conclusion, it is recommended that the Ni interlayer thickness needs to be maintained between 10 μm and 30 μm to achieve a balance between mechanical properties and corrosion resistance.

      • 0+1
      • 1+1
      • 2+1
      • 3+1
      • 4+1
      • 5+1
      • 6+1
      • 7+1
      • 8+1
      • 9+1
      • 10+1
      • 11+1
    • Spark Plasma Sintering Preparation of Dispersion Coated Particle Surrogate Fuel Pellet with ZrC-SiC Matrix

      2025, 54(12):3123-3127. DOI: 10.12442/j.issn.1002-185X.20240518

      Abstract (9) HTML (22) PDF 2.86 M (83) Comment (0) Favorites

      Abstract:ZrC-SiC composite matrix dispersion coated particle fuel surrogate pellets were prepared by spark plasma sintering (SPS) process. The effects of different TRISO (TRistructural ISOtropic) packing fraction on the microstructure and sintering densification process of surrogate pellets were investigated, and the distribution of TRISO particles was characterized. The results show that under the sintering conditions of 1900 ℃/ 30 MPa/10 min, dispersion coated particle fuel pellet samples with TRISO packing volume fraction up to 40%, uniform particle distribution, integral microstructure and good matrix densification can be obtained. The TRISO packing fraction has little effect on the sintering densification process of fuel pellet samples.

      • 0+1
      • 1+1
      • 2+1
      • 3+1
      • 4+1
      • 5+1
    • Mechanical Properties and Energy Absorption Characteristics of Ti6Al4V Alloy TPMS Fabricated by Homogeneous and Variable Density Additive Manufacturing

      2025, 54(12):3128-3138. DOI: 10.12442/j.issn.1002-185X.20240422

      Abstract (14) HTML (22) PDF 3.12 M (82) Comment (0) Favorites

      Abstract:Based on the diamond-type triply periodic minimal surface (D-TPMS) lattice structures, two types of TPMS lattice structure models of homogeneous and variable density were designed and prepared by the regulation method of linear gradient wall thickness and selective laser melting technology. The effects of relative density, printing direction and model type on the mechanical properties and energy absorption characteristics were analyzed, and the stress distribution and damage mechanism of the variable-density lattice structures were verified by the finite element method. The results show that the damage of the homogeneous TPMS lattice structure is 45o shear fracture, which occurs at the early stage of plastic deformation; the damage of the variable density TPMS lattice structure is interlayer collapse, and the overall structure has excellent load bearing and energy absorption capacity. When the relative density of the TPMS lattice structure is 0.275, the ultimate compressive strength of the homogeneous TPMS lattice structure is up to 193.8 MPa, the deformation amount is 7.7%, and the cumulative value of energy absorption is 11.76 MJ/m3, whereas the ultimate compressive strength of the variable-density TPMS lattice structure is up to 221.4 MPa, and the structure is still intact when the deformation amount is 50%, and the cumulative value of energy absorption is up to 77.52 MJ/m3, which is 6.59 times higher than that of the homogeneous structure. It is demonstrated that the variable-density TPMS lattice structure has good energy absorption effect and excellent load-bearing performance, which has a significant application prospect in the field of collision avoidance and energy absorption.

      • 0+1
      • 1+1
      • 2+1
      • 3+1
      • 4+1
      • 5+1
      • 6+1
      • 7+1
      • 8+1
      • 9+1
      • 10+1
      • 11+1
    • Microstructure and High-Temperature Oxidation Resistance of Y-Hf Co-doped AlCrFeNiCu High Entropy Alloy Coating

      2025, 54(12):3139-3146. DOI: 10.12442/j.issn.1002-185X.20240528

      Abstract (8) HTML (10) PDF 8.29 M (80) Comment (0) Favorites

      Abstract:Y-Hf co-doped AlCrFeNiCu high entropy alloy (HEA) coating was prepared on the surface of zirconium alloy rod by high-speed laser cladding (HSLC) technique. The microstructure, microhardness, and high-temperature oxidation resistance of the coating were tested and analyzed. The results show that there is mutual diffusion of elements between the bottom of the coating and the substrate, and the width of the heat affected zone is about 35 μm. The microstructure of the coating is mainly composed of black dendrite zone and gray white interdendrite zone. The composition of the coating is uniform and the hardness is as high as 830 HV. The main reasons for the high hardness of the coating are solution strengthening, lattice distortion and slow diffusion effect. The structural integrity of the coating can be maintained after oxidation at 1200 ℃ for 90 min. The coating has a low oxidation rate, and the oxidation process follows the growth kinetics curve. The oxides on the surface are mainly composed of Al2O3 and Cr2O3, which improves the high-temperature oxidation resistance of zirconium alloy.

      • 0+1
      • 1+1
      • 2+1
      • 3+1
      • 4+1
      • 5+1
      • 6+1
      • 7+1
      • 8+1
    • Effect of Laser Surface Remelting on Mechanical and Tribological Properties of TC4 Alloy with Bimodal Microstructure

      2025, 54(12):3147-3155. DOI: 10.12442/j.issn.1002-185X.20240534

      Abstract (12) HTML (20) PDF 8.15 M (82) Comment (0) Favorites

      Abstract:TC4 alloy is one of the most widely used aviation materials. Laser surface remelting (LSR) technique can effectively improve the mechanical properties of TC4 alloy, but the strengthening mechanism of LSR on the mechanical properties of TC4 alloy with bimodal microstructure is still unclear. In this study, LSR treatment was conducted on the front and back of TC4 samples, and then the mechanical properties and tribological properties were tested. Systematic characterization was performed by TEM, EBSD, SEM, and other instruments. The synergistic strengthening mechanism between layered heterogeneous structure and bimodal microstructure was discussed. The results show that the remelted layer is composed of coarse lath martensite (CLM), fine lath martensite (FLM) with scattered orientations, and partially parallel compression twins. When the remelted layer undergoes plastic deformation, dislocations are activated, tangled, and piled-up in CLM. FLM and twins wrapped around CLM hinder the transfer of dislocation slip at the interface, resulting in a significant increase in the yield strength of TC4 alloy with bimodal microstructure to (879±6) MPa, an increase in tensile strength to (1035±11) MPa, and a reduction in number of the fatigue cracks during wear testing.

      • 0+1
      • 1+1
      • 2+1
      • 3+1
      • 4+1
      • 5+1
      • 6+1
      • 7+1
      • 8+1
      • 9+1
      • 10+1
      • 11+1
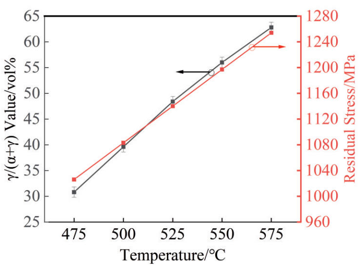
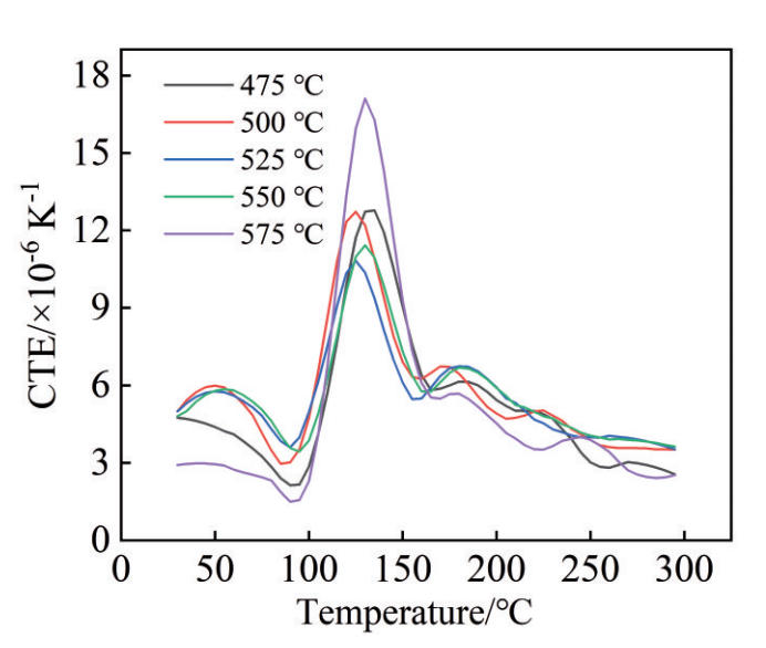
    • Effect of Sintering Temperature on Microstructure and Properties of ZrW2O8/Al Composite Prepared by SPS

      2025, 54(12):3156-3163. DOI: 10.12442/j.issn.1002-185X.20240537

      Abstract (6) HTML (12) PDF 3.39 M (78) Comment (0) Favorites

      Abstract:50%ZrW2O8/Al composites were prepared by spark plasma sintering. The effect of sintering temperatures on the microstructure, phase composition, density, thermal expansion coefficient and thermal conductivity of the composites was studied. The results show that the composites sintered at different temperatures contain γ-ZrW2O8. As the sintering temperature gradually increases from 475 ℃ to 575 ℃, the density and content of γ-ZrW2O8 in the composites gradually increase. After a process of stress relief by the first thermal expansion test from room temperature to 300 °C, the content of γ-ZrW2O8 in the composite material is significantly reduced. The second thermal expansion test reveals that as the sintering temperature increases, the thermal expansion coefficient first increases and then decreases, with the sample sintered at 525 °C being the highest (4.6×10–6 K–1). The sintering density of the composite significantly affects its performance. The ZrW2O8/Al composite sintered at 525 °C presents both the highest density (92.9%) and thermal conductivity (31.9 W/m·K). 525 ℃ is the optimal sintering temperature that takes into account the composition stability and sintering density of the composites.

      • 0+1
      • 1+1
      • 2+1
      • 3+1
      • 4+1
      • 5+1
      • 6+1
      • 7+1
      • 8+1
      • 9+1
      • 10+1
    • Effect of Fe Content on the Microstructure and Properties of Additively Manufactured TC4 Titanium Alloy

      2025, 54(12):3164-3173. DOI: 10.12442/j.issn.1002-185X.20240538

      Abstract (9) HTML (25) PDF 8.69 M (92) Comment (0) Favorites

      Abstract:Densely moulded sedimentary specimens without tissue defects were prepared by laser melting and deposition of titanium-based powders. The effects of Fe content on the microstructure, phase type and content and mechanical properties of TC4 specimens in the as-deposited state were investigated. The results show that with the addition of Fe, the size of α-Ti decreases, the net-basket microstructure is refined, and the as-deposited specimens are transformed from robust columnar crystals to fine and uniform equiaxial crystals in the forming direction. The average grain size of the specimen with 3wt% Fe is 160.6 μm, which is about 76% smaller than that of the specimen without added Fe. Combined with the XRD results, it can be obtained that the microstructure of the specimen consists of a large amount of α-Ti and a small amount of β-Ti, and the content of β-Ti increases slightly with the addition of Fe. The addition of Fe can significantly improve the tensile properties of the specimens, in which the tensile strength and yield strength of 3wt% Fe specimens are increased by 15.5% and 18.0%, respectively, and the post-break elongation is increased by about 60% compared with those of TC4. However, the impact toughness of the specimens in the as-deposited state with the addition of Fe is slightly decreased.

      • 0+1
      • 1+1
      • 2+1
      • 3+1
      • 4+1
      • 5+1
      • 6+1
      • 7+1
      • 8+1
      • 9+1
      • 10+1
      • 11+1
      • 12+1
      • 13+1
      • 14+1
      • 15+1
      • 16+1
    • Static Recrystallization Kinetics of Metal Beryllium

      2025, 54(12):3192-3202. DOI: 10.12442/j.issn.1002-185X.20240551

      Abstract (11) HTML (15) PDF 7.51 M (85) Comment (0) Favorites

      Abstract:The microstructure evolution and the static recrystallization kinetics of metal beryllium during annealing at 680–880 ℃ were investigated. The isothermal compression test was conducted on an Instron 5582 testing machine and the recrystallized fraction of metal beryllium under varying strain temperatures (250–450 ℃), strain rates (10–1–10–4 s–1), and true strains (0.16–0.92) was obtained. The results show that decreasing the strain temperature and increasing the strain rate can promote the progress of beryllium recrystallization. As the strain is increased, the beryllium recrystallized grains are refined, and the recrystallization rate is accelerated. However, the effect of increasing the strain on improving the recrystallization rate of beryllium is diminished when the true strain increases to more than 0.60. Increasing the annealing temperature, the recrystallization rate of beryllium is significantly accelerated. In particular, when the annealing temperature is elevated from 750 ℃ to 780 ℃, the recrystallization rate of beryllium enhances dramatically. At 880 ℃, the time for beryllium to complete recrystallization is reduced to approximately 5 min. The static recrystallization activation energy of beryllium is 396.56 kJ·mol–1 at 680–750 ℃, while it is only 72.93 kJ·mol–1 at 780–880 ℃. A static recrystallization kinetic model of beryllium with a modified Avrami component n is constructed. The calculated values of the model are in good agreement with the experimental values, which indicates that the model can accurately predict the static recrystallized fraction of beryllium deformed at 250–450 ℃, meeting the requirements of engineering applications.

      • 0+1
      • 1+1
      • 2+1
      • 3+1
      • 4+1
      • 5+1
      • 6+1
      • 7+1
      • 8+1
      • 9+1
      • 10+1
      • 11+1
      • 12+1
      • 13+1
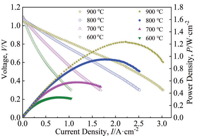
    • Application of Nanofibrous LSCF@GDC Composite Oxygen Electrodes in Reversible Solid Oxide Fuel Cells

      2025, 54(12):3203-3209. DOI: 10.12442/j.issn.1002-185X.20240581

      Abstract (20) HTML (15) PDF 2.57 M (81) Comment (0) Favorites

      Abstract:Reversible solid oxide fuel cell (RSOFC) can theoretically achieve a relatively high energy conversion efficiency. The key to its widespread application is the increased hydrogen production and output current by further enhancing the current density. However, insufficient catalytic activity of the oxygen electrodes has become an obstacle to the application of RSOFC. The research successfully prepared the composite LSCF@GDC nanofibers with reversible oxygen evolution and reduction electrocatalytic activity synthesized by electrospinning technique. Results show that, compared with the oxygen electrodes materials synthesized by the traditional sol-gel method, the oxygen electrodes with three-dimensional nanofiber structure in this work described greatly reduces the battery polarization impedance, increases the discharge power density and electrolytic current density, and shows better reversibility and stability in long-term tests. This research confirms the advantage of electrode morphology engineering control in expanding the catalytic interface and reaction sites.

      • 0+1
      • 1+1
      • 2+1
      • 3+1
      • 4+1
      • 5+1
      • 6+1
      • 7+1
      • 8+1
      • 9+1
      • 10+1
      • 11+1
    • >Reviews
    • Microstructure Characteristics and Strengthening Mecha-nism of Ni-based Wrought Superalloy GH4350: A Review

      2025, 54(12):3065-3076. DOI: 10.12442/j.issn.1002-185X.20240656

      Abstract (11) HTML (29) PDF 2.94 M (86) Comment (0) Favorites

      Abstract:GH4350 (AEREX 350) is a Ni-based wrought superalloy for high-performance fasteners, with a maximum service temperature of 750 °C. It has high tensile strength, fatigue resistance, stress rupture and relaxation resistance, corrosion resistance, low thermal expansion, and notch sensitivity. The high strength of GH4350 is largely derived through solid solution strengthening and the γ′ phase precipitation strengthening. During the precipitation of γ′ phase, a minor amount of η phase also precipitates. However, it is reported that the microstructure of alloy is sensitive to heat treatment parameters, including temperature and time. The γ′ phases can be transformed into η phases under certain conditions, potentially degrading the performance of the alloy. The chemical composition characteristics, heat treatment strategies, and strengthening mechanism of GH4350 were reviewed in this research, aiming to understand the factors behind its remarkable high-temperature performance, to guide the development of new alloys, and to further enhance its heat resistance.

      • 0+1
      • 1+1
      • 2+1
      • 3+1
      • 4+1
      • 5+1
      • 6+1
      • 7+1
      • 8+1
      • 9+1
      • 10+1
      • 11+1
    • Research Progress of Lamellar Structure Discontinuous Coarsening Behavior in TiAl Based Alloy

      2025, 54(12):3210-3217. DOI: 10.12442/j.issn.1002-185X.20240522

      Abstract (8) HTML (32) PDF 3.17 M (87) Comment (0) Favorites

      Abstract:TiAl alloys have a good application prospect in the field of high temperature structural materials due to their excellent specific strength, specific stiffness, corrosion resistance and oxidation resistance. The lamellar structure is an important microstructure of TiAl alloy, and its discontinuous coarsening behavior directly affects the comprehensive properties of the alloy. In this paper, the coarsening types of TiAl alloy lamellar structure are introduced, and the thermodynamics and kinetics of discontinuous coarsening are analyzed. Besides, the research progress of discontinuous coarsening behavior of TiAl alloys lamellar structure in recent years is reviewed. The effects of chemical composition and content, microstructure characteristics, heat treatment process (such as cyclic heat treatment cycle, temperature, time, cooling rate, etc.), additive manufacturing technology and stress on discontinuous coarsening are summarized. Finally, the future development direction of TiAl alloy lamellar structure design and optimization is prospected.

      • 0+1
      • 1+1
      • 2+1
      • 3+1
    • Research Progress in Preparation of Titanium Matrix Composite Coatings by Cold Spraying: A Review

      2025, 54(12):3218-3232. DOI: 10.12442/j.issn.1002-185X.20240483

      Abstract (19) HTML (22) PDF 3.62 M (94) Comment (0) Favorites

      Abstract:Cold spraying has great advantages in preparation of oxidization-sensitive metallic coatings because of the lower heat input and almost no oxidation resulting from its low temperature process. Combined with the convenience of cold spraying in manufacturing particle reinforced composite coatings, titanium matrix composite coatings prepared by cold spraying can compensate for the shortcomings of poor wear resistance of pure titanium or titanium alloys. In addition, one can also get the functional coatings besides the structural coatings. According to the existing research reports, the deposition behaviors and mechanisms of cold-sprayed titanium matrix composite coatings were summarized. By analyzing the porosity and deposition efficiency, the effect of reinforcement on the microstructure of the cold-sprayed titanium matrix composite coatings was explained. The mechanism of reinforcement on mechanical and wear performance of titanium matrix composite coatings were revealed. Finally, the future application of cold-sprayed titanium matrix composite coatings is prospected, and several promising directions are listed.

      • 0+1
      • 1+1
      • 2+1
      • 3+1
      • 4+1
      • 5+1
      • 6+1
      • 7+1
      • 8+1
      • 9+1
      • 10+1
      • 11+1
      • 12+1
      • 13+1
      • 14+1
      • 15+1
      • 16+1
      • 17+1
      • 18+1
      • 19+1
      • 20+1
      • 21+1
      • 22+1
      • 23+1
      • 24+1
      • 25+1
      • 26+1
      • 27+1

Current Issue


,Vol., Issue

Table of Contents

Search by Issue

Issue

Most Read

Most Cited

Most Downloaded