+Advanced Search
  • Volume 54,Issue 10,2025 Table of Contents
    Select All
    Display Type: |
    • >Special Issue:Additive Manufacturing
    • Temperature Prediction of Laser Directed Energy Deposition Based on ASSFOA-GRNN Model

      2025, 54(10):2470-2482. DOI: 10.12442/j.issn.1002-185X.20240530

      Abstract (73) HTML (159) PDF 1.83 M (207) Comment (0) Favorites

      Abstract:To address the issues of low accuracy, long time consumption, and high cost of the traditional temperature prediction methods for laser directed energy deposition (LDED), a machine learning model combined with numerical simulation was proposed to predict the temperature during LDED. A finite element (FE) thermal analysis model was established. The model's accuracy was verified through in-situ monitoring experiments, and a basic database for the predictive model was obtained based on FE simulations. Temperature prediction was performed using a generalized regression neural network (GRNN). To reduce dependence on human experience during GRNN parameter tuning and to enhance model prediction performance, an improved adaptive step-size fruit fly optimization algorithm (ASSFOA) was introduced. Finally, the prediction performance of ASSFOA-GRNN model was compared with that of back-propagation neural network model, GRNN model, and fruit fly optimization algorithm (FOA)-GRNN model. The evaluation metrics included the root mean square error (RMSE), mean absolute error (MAE), coefficient of determination (R2), training time, and prediction time. Results show that the ASSFOA-GRNN model exhibits optimal performance regarding RMSE, MAE, and R2 indexes. Although its prediction efficiency is slightly lower than that of the FOA-GRNN model, its prediction accuracy is significantly better than that of the other models. This proposed method can be used for temperature prediction in LDED process and also provide a reference for similar methods.

      • 0+1
      • 1+1
      • 2+1
      • 3+1
      • 4+1
      • 5+1
      • 6+1
      • 7+1
      • 8+1
      • 9+1
      • 10+1
      • 11+1
    • Dynamic Compression Behavior and Strengthening Mechanism of Selective Laser Melted TC11 Titanium Alloy

      2025, 54(10):2541-2552. DOI: 10.12442/j.issn.1002-185X.20240251

      Abstract (100) HTML (123) PDF 7.61 M (207) Comment (0) Favorites

      Abstract:TC11 titanium alloy manufactured by selective laser melting (SLM) technique has excellent specific strength and broad application prospects in the aerospace field. By conducting quasi-static tensile and dynamic compressive mechanical experiments on SLM TC11 titanium alloy that built in horizontal and vertical direction, the mechanical behavior of SLM TC11 titanium alloy under series strain rate loads was investigated. Based on EBSD testing, the effects of grain boundary strengthening and dislocation strengthening mechanisms on the dynamic compressive strength of SLM TC11 titanium alloy were explored. The results indicate that the grain boundaries αGB in the horizontally deposited specimens tends to aggregate cracks then exhibit lower plasticity during quasi-static tension. SLM TC11 titanium alloy exhibits significant strain rate strengthening effect and strong macroscopic isotropy during dynamic compression. Adiabatic temperature rise will cause thermal softening, which competes with strain hardening and then leads to a "plateau" characteristic in the flow stress plastic stage. Through statistical analysis of grain size and geometrically necessary dislocation density of dynamic compression specimens, it is found that the dislocation strengthening mechanism is the main strengthening mechanism of SLM TC11 titanium alloy during dynamic compression. Taking into account the effects of strain hardening, strain rate strengthening, and thermal softening, a J-C modified constitutive equation with accuracy higher than that of the J-C constitutive equation is proposed, which can accurately describe the dynamic mechanical behavior of SLM TC11 titanium alloy.

      • 0+1
      • 1+1
      • 2+1
      • 3+1
      • 4+1
      • 5+1
      • 6+1
      • 7+1
      • 8+1
      • 9+1
      • 10+1
      • 11+1
    • Effect of Heat Treatment on Microstructure and Properties of Forging-Additive Hybrid-Manufactured Bonding Zone of TC4 Titanium Alloy

      2025, 54(10):2563-2574. DOI: 10.12442/j.issn.1002-185X.20240283

      Abstract (71) HTML (287) PDF 13.06 M (190) Comment (0) Favorites

      Abstract:Samples were deposited on TC4 titanium alloy forged matrix by arc fuse additive manufacturing technique. The effects of different heat treatment on the microstructure and properties of the bonding zone of hybrid-manufactured samples were studied. Meanwhile, the corrosion resistance of different regions of the samples after heat treatment was also investigated. The results indicate that with the increase in annealing temperature, the α phase in the binding zone has a certain degree of coarsening, and some equiaxed α phase appear at the bottom of the bonding zone, while the acicular martensite α′ phase at the top of the bonding zone decomposes. After solution aging treatment at 950 ℃/1 h/air cooling(AC)+600 ℃/4 h/AC, the non-uniformity of mechanical properties in the bonding zone is improved, maintaining a fracture elongation of 10.5% while having the highest yield strength of 948 MPa. The comprehensive performance is better than that of samples annealed at 600 and 850 ℃. On the other hand, after 950 ℃/1 h/AC+600 ℃/4 h/AC solution aging treatment, the improvement of microstructure heterogeneity between different regions reduces the difference in corrosion resistance between different regions of hybrid-manufactured TC4 titanium alloy components to a certain extent, while the overall corrosion resistance of the sample is improved.

      • 0+1
      • 1+1
      • 2+1
      • 3+1
      • 4+1
      • 5+1
      • 6+1
      • 7+1
      • 8+1
      • 9+1
      • 10+1
      • 11+1
      • 12+1
      • 13+1
      • 14+1
      • 15+1
    • Effect of Laser Remelting on Microstructure and Texture of Inconel 718 Alloy Formed by SLM

      2025, 54(10):2591-2598. DOI: 10.12442/j.issn.1002-185X.20240298

      Abstract (60) HTML (78) PDF 9.68 M (172) Comment (0) Favorites

      Abstract:In this study, Inconel 718 alloys with different remelting scanning angles (0°, 67°, 90°) were prepared based on selective laser melting technique. The microstructure and texture evolution of the as-deposited experimental alloy before and after remelting were characterized by XRD, OM, SEM, EBSD and TEM. The results show that the remelted alloys are mainly composed of Laves phase and a small amount of Al2O3 and carbonitride containing Nb and Ti elements. The fish-scale molten pools become wider and shallower in the remelted alloys, and the columnar crystals grow obviously along the printing direction and its width also increases. This is mainly due to the secondary heat input effect on the first molten pool under the same powder layer by laser remelting, which provides a driving force for the continuous growth of columnar crystals. Besides, the orientation strength is increased significantly after remelting, and there is a strong cubic texture. With the increase in remelting angle, the texture strength is increased. Furthermore, the columnar crystals are mainly grown by epitaxial growth in the alloy before and after remelting. Different remelting angles can induce the transition of grain growth from random orientation to competitive growth of columnar crystal epitaxy, and the grains are located in the overlapping zone between adjacent melt pools in the same powder layer. In addition, different remelting angles can affect the internal orientation gradient distribution of columnar crystals, and it can change the intensity of epitaxial competitive growth of columnar crystals in the overlapping area.

      • 0+1
      • 1+1
      • 2+1
      • 3+1
      • 4+1
      • 5+1
      • 6+1
      • 7+1
      • 8+1
    • >Materials Science
    • Ultra-precision Polishing of Outer Surface of Tube Using Magnetic Compound Fluid Wheel

      2025, 54(10):2429-2439. DOI: 10.12442/j.issn.1002-185X.20240558

      Abstract (52) HTML (58) PDF 4.57 M (156) Comment (0) Favorites

      Abstract:A novel method employing magnetic compound fluid (MCF) wheel was proposed for polishing the outer surface of stainless steel tube. Firstly, a polishing apparatus was constructed. In addition, the distribution of the magnetic field of MCF wheel on the workpiece surface was explored by Maxwell software and Tesla meter, and the relationship between magnetic field distribution and material removal (MR) on the workpiece surface was investigated. Then, MR model was established and proved by the experiment results under specific experiment conditions. Finally, the influence laws of carbonyl iron powder particle size dCIP, abrasive particle size dAP, magnet speed nm, workpiece speed nc, and MCF supply amount V on surface roughness Ra and reduction rate were investigated through experiments, and the mechanisms of different parameters on surface quality were explored. Results show that the magnetic induction intensity during polishing is positively correlated with the polished profile of the workpiece. The trend of MR simulation is consistent with that of the experiment value, which proves the accuracy of MR model. When the revolution speeds of magnet and workpiece are 200 and 5000 r/min, respectively, and 2 mL MCF slurry containing 50wt% carbonyl iron powder (15 μm), 12wt% abrasive particle (7 μm), 3wt% α-cellulose, and 35wt% magnetic fluid was used, the final surface roughness decreases from 0.411 μm to 0.007 μm. After polishing for 100 min, the reduction rate is 98.297%, demonstrating that this method is appropriate for polishing the outer surface of tube.

      • 0+1
      • 1+1
      • 2+1
      • 3+1
      • 4+1
      • 5+1
      • 6+1
      • 7+1
      • 8+1
      • 9+1
      • 10+1
      • 11+1
      • 12+1
      • 13+1
      • 14+1
      • 15+1
    • Oxidation Resistance of Mg-Ca Alloys with Protective Coating Under Flame Exposure

      2025, 54(10):2440-2444. DOI: 10.12442/j.issn.1002-185X.20240532

      Abstract (43) HTML (64) PDF 1.60 M (128) Comment (0) Favorites

      Abstract:To further expand the application of Mg alloys at high temperatures, the oxidation resistance of Mg-0.3Ca and Mg-3.6Ca alloys with protective coating under flame exposure was studied. Results show that the oxidation resistance of Mg-Ca alloys under flame exposure is significantly improved by the protective coating, and Mg-3.6Ca alloy shows better oxidation resistance performance. The surface temperature of Mg-Ca alloys is reduced by the coating, therefore improving the oxidation resistance under flame exposure. However, the thermal insulation effect of the coating on Mg-3.6Ca alloy is better, which can be attributed to the Ca accumulation on the surface film. In addition, the surface film with Ca accumulation layer plays a crucial role in protecting the alloy. No obvious Ca accumulation layer exists on the Mg-0.3Ca alloy surface, presenting a restricted protective effect. Nevertheless, the surface film containing Ca accumulation layer is formed on Mg-3.6 Ca alloy, which shows an excellent protective effect.

      • 0+1
      • 1+1
      • 2+1
    • Microstructure Evolution During Creep of Single Crystal Superalloy DD9

      2025, 54(10):2445-2452. DOI: 10.12442/j.issn.1002-185X.20240540

      Abstract (59) HTML (78) PDF 2.75 M (137) Comment (0) Favorites

      Abstract:Interrupted and ruptured creep tests were conducted on single crystal superalloy DD9 at 980 °C/250 MPa and 1100 °C/ 137 MPa conditions. Microstructure evolution during creep was analyzed through scanning electron microscope and transmission electron microscope. Results show that the microstructure evolutions are similar under the creep conditions of 980 °C/250 MPa and 1100 °C/137 MPa. Cubical γ′ phase, which is dispersedly distributed in the γ matrix, gradually evolves into a layered structure perpendicular to the stress direction. The width of the γ matrix channel along the direction parallel to the stress increases. The relationship between the increase in width of the γ matrix channel and the strain satisfies linear relationship in logarithmic form, indicating that the width of the γ matrix can be deduced via the strain under creep state. This may provide an approach to investigate the width of γ matrix in single crystal superalloys during creep under high temperature and low stress conditions. In the early creep stage, dislocations formed in the γ phase generate mutually perpendicular networks through cross-slip at the γ/γ′ interface. Then, stable hexagonal dislocation networks form as a result of the coupling effects of external stress and mismatch stress at high temperatures. In the later period of creep, dislocations shear the γ′ phase, ultimately causing the fracture.

      • 0+1
      • 1+1
      • 2+1
      • 3+1
      • 4+1
      • 5+1
      • 6+1
      • 7+1
      • 8+1
      • 9+1
    • Influence of Overtemperature Treatment on Microstructure and Properties of Precision-Cast Ti2AlNb Alloy

      2025, 54(10):2453-2460. DOI: 10.12442/j.issn.1002-185X.20250027

      Abstract (53) HTML (78) PDF 1.92 M (159) Comment (0) Favorites

      Abstract:Microstructure evolution of precision-cast Ti2AlNb alloys after overtemperature treatments at 750 and 850 °C was investigated by optical microscope and scanning electron microscope, and Image J metallurgy analysis software was used for quantitative analysis. The variation of mechanical properties before and after overtemperature treatment was tested. Results show that the Ti2AlNb alloy consists of B2 phase and lamellar O phase before and after overtemperature treatment. After overtemperature treatment, partial B2 phase is transformed into the O phase, and the lamellar structure of O phase suffers discontinuous coarsening and spherolization. The coarsening degree is increased with the increase in temperature and prolongation of treatment time, and O phase content is also gradually increased. The microhardness and tensile properties of Ti2AlNb alloys at room and high temperatures are decreased with the increase in temperature and prolongation of treatment time, and the high-temperature tensile strength exhibits relatively larger decrement. An obvious linear relationship exists between microhardness and O phase content. Both the microhardness and the O phase content are important parameters to evaluate the overtemperature service damage degree of precision-cast Ti2AlNb alloy.

      • 0+1
      • 1+1
      • 2+1
      • 3+1
      • 4+1
      • 5+1
      • 6+1
    • Interfacial and Mechanical Properties of Cu/Al Composite Plates Manufactured by Rolling and Underwater Explosive Welding

      2025, 54(10):2461-2469. DOI: 10.12442/j.issn.1002-185X.20240745

      Abstract (91) HTML (49) PDF 3.08 M (130) Comment (0) Favorites

      Abstract:Cu/Al composite plates were fabricated using rolling and underwater explosive welding techniques, separately, to compare their interfacial microstructures and mechanical performance. Interface morphology, grain orientation, grain boundary characteristics, and phase distribution were analyzed through optical microscope, scanning electron microscope, and electron backscattered diffractometer. Mechanical properties were assessed using tensile shear tests, 90° bending tests, and hardness measurements. Vickers hardness and nanoindentation test results further provided information on the hardness distributions. Results indicate that the diffusion layer in rolled Cu/Al composites is relatively fragile, while that produced by underwater explosive welding features a diffusion layer of approximately 18 μm in thickness, which is metallurgically bonded through atomic diffusion. The tensile shear strength of these composites ranges from 64.45 MPa to 70.84 MPa, and in the 90° three-point bending test, the underwater-explosive-welded samples exhibit superior flexural performance. This study elucidates the effects of different manufacturing methods on the interfacial properties and mechanical performance of Cu/Al composites, offering essential insights for the selection of manufacturing methods and applications.

      • 0+1
      • 1+1
      • 2+1
      • 3+1
      • 4+1
      • 5+1
      • 6+1
      • 7+1
      • 8+1
      • 9+1
      • 10+1
      • 11+1
      • 12+1
      • 13+1
      • 14+1
      • 15+1
      • 16+1
      • 17+1
      • 18+1
      • 19+1
      • 20+1
      • 21+1
      • 22+1
      • 23+1
      • 24+1
      • 25+1
      • 26+1
      • 27+1
    • Dynamic Recrystallization Behavior and Microstructure Evolution of As-extruded GH4710 Alloy Ingot

      2025, 54(10):2483-2493. DOI: 10.12442/j.issn.1002-185X.20240555

      Abstract (53) HTML (62) PDF 14.82 M (203) Comment (0) Favorites

      Abstract:A new triple melting method with hot extrusion process for GH4710 alloy ingots has been developed to overcome the difficulty in deformation of GH4710 alloy prepared by the casting and forging process. The as-extruded GH4710 alloy was analyzed through the isothermal compression experiment and metallographic analysis. The viscoelastic stress characteristics and dynamic recrystallization (DRX) behavior of the as-extruded GH4710 alloy were investigated during deformation at temperatures ranging from 1050 °C to 1120 °C and strain rates ranging from 0.01 s-1 to 5.00 s-1. The true stress-true strain curves, average grain size, and DRX volume fraction were also obtained under various deformation conditions. Prediction models for DRX volume fraction and grain size of the as-extruded GH4710 alloy were established using the statistical regression method. The model was implanted into the Derform-3D software, and numerical simulation of the microstructure evolution of GH4710 alloy was conducted. Firstly, the isothermal compression simulations were conducted using the finite element method to verify the accuracy of prediction model. Subsequently, the prediction model was applied to perform an optimization analysis of the forging process for a turbine disk with a diameter of 300 mm. Results show a strong correlation between the simulated results and the actual microstructure of the turbine disk forged through the optimal process parameters. The optimal process parameters are deformation temperature of 1100 °C and forging speed of 0.2 mm/s. This established DRX prediction model can serve as a fundamental reference for understanding the microstructural evolution during the hot deformation process of as-extruded GH4710 alloy.

      • 0+1
      • 1+1
      • 2+1
      • 3+1
      • 4+1
      • 5+1
      • 6+1
      • 7+1
      • 8+1
      • 9+1
      • 10+1
      • 11+1
      • 12+1
      • 13+1
      • 14+1
      • 15+1
      • 16+1
    • Size Effect of Flow Stress in CoCrNi Medium Entropy Alloy Ultrathin Strips

      2025, 54(10):2494-2500. DOI: 10.12442/j.issn.1002-185X.20240515

      Abstract (92) HTML (55) PDF 1.31 M (125) Comment (0) Favorites

      Abstract:A constitutive model considering the size effect was established to investigate the behavior of CoCrNi medium entropy alloy ultrathin strip in different deformation stages during the uniaxial quasi-static tensile test. Results show that when the t/d value is lower than 10.62, the CoCrNi alloy ultrathin strip shows an obvious size-dependent property in the elastic deformation stage. With the decrease in t/d value, the volume fraction of the surface layer grains is increased, leading to the linear decrease in flow stress. In the plastic deformation stage, the material stiffness is correlated with the t/d value. Specifically, as the t/d value increases, the work-hardening capacity of the material is enhanced. When the t/d value increases to 10, the work-hardening capacity reaches a maximum state; when the t/d value is beyond 10, the work-hardening capacity weakens.

      • 0+1
      • 1+1
      • 2+1
      • 3+1
      • 4+1
      • 5+1
    • Hot Deformation Behavior and Processing Map of 23Cr-8Ni Steel

      2025, 54(10):2501-2508. DOI: 10.12442/j.issn.1002-185X.20240514

      Abstract (50) HTML (43) PDF 5.06 M (143) Comment (0) Favorites

      Abstract:Using a Gleeble 3500 thermomechanical simulation testing machine, the hot deformation characteristics of 23Cr-8Ni steel were investigated under the conditions of 1000–1250 °C and 0.001?10 s-1. Furthermore, the microstructure of the characterization region was analyzed to investigate the recrystallization behavior of 23Cr-8Ni steel. Results show that as the strain rate decreases and the deformation temperature increases, the flow stress decreases. Because the softening phenomenon occurs after the peak stress, the flow stress decreases. The stress index (n) is 4.28, and the thermal deformation activation energy (Q) is 588 878 J/mol. Processing map is established, and an optimal thermal processing range of 0.001–0.1 s-1 and 1000–1200 °C is achieved, therefore greatly promoting the yield rate.

      • 0+1
      • 1+1
      • 2+1
      • 3+1
      • 4+1
      • 5+1
      • 6+1
      • 7+1
    • Effect of Si Content on In-situ Formation Mechanism of Hf-Ta-Si Coating on Ta12W Alloy Surface

      2025, 54(10):2509-2524. DOI: 10.12442/j.issn.1002-185X.20250303

      Abstract (68) HTML (71) PDF 5.79 M (187) Comment (0) Favorites

      Abstract:Using the slurry reaction sintering process to prepare Hf-Ta-Si composite coating on Ta12W alloy surface, the effect of Si content on the in-situ formation mechanism of the Hf-Ta-Si coating was investigated. Results show that 30Hf:70Si coatings exhibit inferior surface uniformity with some pores. The upper part of the sample displays a four-layer gradient structure: the outermost layer is primarily composed of HfSi and HfC, the middle layer consists of (Ta, Hf)5Si3 solid solution, the lower main-layer consists of TaSi2, and the coating/substrate interface layer is Ta5Si3. However, the flow of molten Si under gravity leads to Si-enrichment on the lower part of the coating. After optimizing the Hf:Si ratio to 40:60, the gradient differences in elemental distribution on the coating surface decrease. The surface layer is dominated by HfSi/HfC, but the precipitation of HfC becomes more uniform. The continuity of the (Ta, Hf)5Si3 solid solution in middle layer is enhanced, whereas the lower layer and the interface transition layer remain unchanged. Overall, a denser multi-layer gradient structure is formed with improved surface uniformity. Additionally, the acid-alcohol resin in the organic solvent suffers high-temperature pyrolysis and in-situ reacts with Hf to generate the ultra-high-temperature ceramic HfC. This phenomenon is expected to enhance the oxidation resistance and high-temperature stability of coating.

      • 0+1
      • 1+1
      • 2+1
      • 3+1
      • 4+1
      • 5+1
      • 6+1
      • 7+1
      • 8+1
      • 9+1
      • 10+1
      • 11+1
    • Thermal Deformation and Grain Control of Extruded Profile for 2196 Al-Li Alloy

      2025, 54(10):2525-2532. DOI: 10.12442/j.issn.1002-185X.20240282

      Abstract (216) HTML (98) PDF 3.83 M (414) Comment (0) Favorites

      Abstract:Flow behavior and grain structure evolution were studied for 2196 aluminum-lithium alloy during hot compression deformation. Based on extrusion simulation and profile trial production, grain structure control of typical I-shaped thin-walled profiles was achieved. The results show that the alloy exhibits excellent hot deformability in a relatively wide parameter range. The dominate mechanism of microstructure evolution is dynamic recovery, although some localized dynamic recrystallization is also observed. At lower temperatures (350, 400 ℃) and higher strain rates (10 s-1), strain concentration leads to a small amount of local dynamic recrystallization. Compared to experimental compression deformation, the larger strain of extrusion process promotes the formation of dynamic recrystallization. The differences of deformation conditions on profile section lead to non-homogeneous grain structure. Based on the equipment capability, relatively uniform microstructure be obtained under deformation conditions of 430 ℃ and strain rate of 0.005–0.95 s-1 on profile section, while maintaining lower fraction of recrystallization and abundant sub-grain structure, which is benefit for the strength and toughness matching.

      • 0+1
      • 1+1
      • 2+1
      • 3+1
      • 4+1
      • 5+1
      • 6+1
      • 7+1
      • 8+1
    • Effect of Microporous Layer on Water Electrolysis for Proton Exchange Membrane Electrolyzers

      2025, 54(10):2533-2540. DOI: 10.12442/j.issn.1002-185X.20240248

      Abstract (65) HTML (67) PDF 7.94 M (190) Comment (0) Favorites

      Abstract:To study the influence of microporous layer (MPL) on the surface contact and transmission characteristics of titanium felt porous transport layer (PTL), the MPL was prepared by vacuum sintering after the surface of titanium felts with 0.25 mm, 0.4 mm and 0.6 mm in thickness were filled with titanium powder. The surface contact area/resistance, pore size distribution and polarization curve of electrolytic water measured by laser scanning confocal microscope, mercury porosimetry and electrolysis cell, respectively. The results show that the effective contact area of the PTLs with MPL increase from 3.1% to 11.2%, 22.8% and 4.8% compared with that of titanium fiber felt. In addition, the contact resistances decrease to 7.07, 5.26 and 7.86 mΩ·cm2 at the contact pressure of 1.5 MPa. The pore size distribution changes from the bimodal structure of PTL to the trimodal structure of PTL with MPL. The addition of a small pore size channel of 6–32 μm is conducive to liquid water transmissions; meanwhile, medium & large pore size channels are beneficial to gas phase transmission. The overpotential of the different thickness PTLs with MPL decrease by 12 mV, 45 mV and 32 mV at current density of 2 A/cm2. In this case, the contact resistance is the lowest, the pore size distribution is uniform, and the electrolysis efficiency of porous transport layer with 0.4 mm in thickness is the highest.

      • 0+1
      • 1+1
      • 2+1
      • 3+1
      • 4+1
      • 5+1
    • Effect of Laser Cladding NiCrBSi Coating/TP347HFG Substrate Interdiffusion on Substrate Microstructure and Microhardness

      2025, 54(10):2553-2562. DOI: 10.12442/j.issn.1002-185X.20240261

      Abstract (66) HTML (62) PDF 57.75 M (156) Comment (0) Favorites

      Abstract:Laser cladding technique has been applied on power station boiler tube against high-temperature corrosion and wear. However, in recent years, tube burst and cracking occurred frequently during long-term service after laser cladding. To explore the long-term service safety of laser cladding NiCrBSi coating, TP347HFG tube with NiCrBSi coating was prepared with a laser cladding system. These tubes were heat treated at 650, 750, 850, and 950 ℃ for 2000 h, separately. The influence of interdiffusion of elements between laser cladding NiCrBSi coating and TP347HFG tube on substate microstructure and microhardness was studied, which could provide a theoretical basis for subsequent safety evaluation. The evolution of microstructure and composition on the surface of TP347HFG were characterized by scanning electron microscope and energy dispersive X-ray spectroscope. The microhardness changes of TP347HFG substrates were tested by a microhardness tester. The results show that during the long-term service, the elements B and C in the coating diffuse into the TP347HFG substrate. In the substrate near the interface, carbides and boride phases with high Cr contents are precipitated in the interior and boundary of grains. With the increase in service temperature, the deeper the diffusion depth, the greater the size of the precipitation phases. The surface microhardness of the TP347HFG substrate increases with the increase in service temperature. The microhardness of the boiler tube at 50 μm near the interface changes with the increase in service temperature. The maximum hardness is 254, 299 and 417 HV0.2 after high-temperature service at 650, 750 and 850 ℃, respectively. The microhardness of this position drops to 376 HV0.2 after high-temperature service at 950 ℃ .

      • 0+1
      • 1+1
      • 2+1
      • 3+1
      • 4+1
      • 5+1
      • 6+1
      • 7+1
      • 8+1
      • 9+1
      • 10+1
      • 11+1
    • Study on the Microstructure and Properties of Ti650 Titanium Alloy with Thermal Exposure at 650 °C

      2025, 54(10):2575-2582. DOI: 10.12442/j.issn.1002-185X.20240296

      Abstract (62) HTML (67) PDF 32.83 M (210) Comment (0) Favorites

      Abstract:Ti650 alloy was heat treated at 1005 ℃/1.5 h/air cooling (AC)+660 ℃/2.5 h/AC, followed by thermal exposure test and room temperature tensile test to study its thermal stability. The results show that the highest ultimate tensile strength (UTS) of the alloy after heat treatment is provided by the fine lamellar structure without the participation of precipitated phase. When the thermal exposure time is 100–200 h, the silicide precipitates steadily and no longer grow, and the α2 phase grows with the increase in thermal exposure time. At 200 h, the α2 phase reaches the critical size of 6 nm, which has the greatest strengthening effect on the alloy. At this time, the UTS of the alloy, which is increased by the second phase obstructing the dislocation motion, is greater than that which decreases when the layer of αs phase thickens, resulting in the increase in UTS of the alloy. From 200 h to 500 h, the α2 phase in the alloy continues to grow, and the dislocation transitions from cutting through the secondary phase to bypassing the secondary phase (the formation of dislocation rings), and the UTS of the alloy gradually decreases.

      • 0+1
      • 1+1
      • 2+1
      • 3+1
      • 4+1
      • 5+1
      • 6+1
      • 7+1
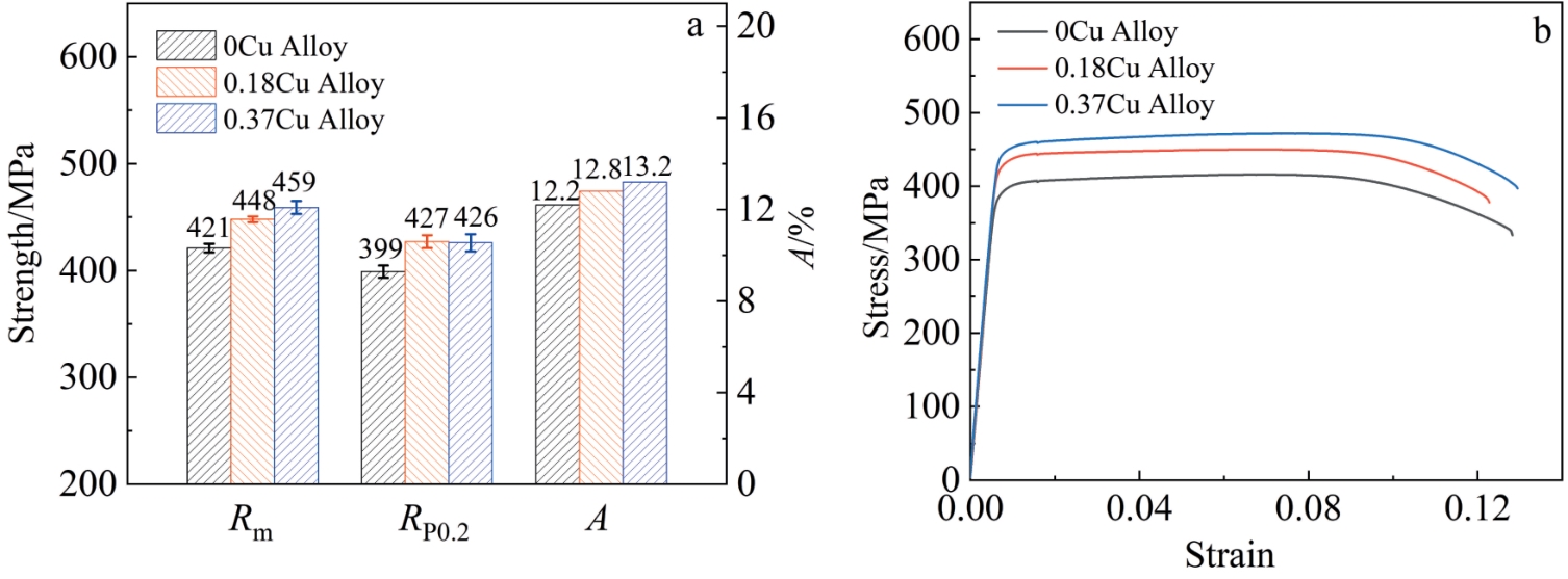
    • Effect of Cu on Microstructure and Intergranular Corrosion Properties of High Strength 6000 Series Aluminum Alloy

      2025, 54(10):2583-2590. DOI: 10.12442/j.issn.1002-185X.20240297

      Abstract (42) HTML (57) PDF 3.39 M (154) Comment (0) Favorites

      Abstract:The effects of Cu on the peak aging precipitates, tensile properties and intergranular corrosion properties of 6000 series aluminum alloy were investigated by OM, TEM, HRTEM, tensile and intergranular corrosion tests. The results show that the addition of Cu promotes the precipitation of the peak aging phase of the alloy. With the Cu content increasing from 0wt% to 0.18wt% and 0.37wt%, the precipitate size of the peak-aged alloy decreases significantly, the volume fraction increases from 4.05% to 4.61% and 5.36%, and strength increases from 421 MPa to 448 and 459 MPa, respectively. According to HRTEM analysis, the main precipitates of the three alloys in peak aging state is β" phase, and L phase is also found in the alloy with 0.37wt% Cu. The addition of 0.18wt% Cu improves the intergranular corrosion resistance of the alloy, while the addition of 0.37wt% Cu decreases the intergranular corrosion resistance of the alloy. It is found that the addition of 0.18wt% Cu promotes the precipitation of β" phase in the alloy, and the width of the precipitation free zone (PFZ) at the grain boundary is refined to 51.92 nm. The addition of 0.37wt% Cu promotes the precipitation of the strengthened phase and changes the type of the precipitated phase. In addition, it is found that the addition of 0.37wt% Cu significantly increases the width of the PFZ at the grain boundary, and the PFZ width is 60.20 nm. Combined with aging precipitates, tensile strength and intergranular corrosion, it is found that the alloy with 0.18wt% Cu has excellent comprehensive properties.

      • 0+1
      • 1+1
      • 2+1
      • 3+1
      • 4+1
      • 5+1
      • 6+1
    • Microstructure and Heat Treatment Performance Control of Novel GH4198 Superalloy

      2025, 54(10):2599-2606. DOI: 10.12442/j.issn.1002-185X.20240300

      Abstract (100) HTML (86) PDF 25.91 M (254) Comment (0) Favorites

      Abstract:The microstructure and properties of the novel GH4198 alloy were studied under various solution heat treatment regimes using advanced characterization techniques such as electron probe microanalysis, metallographic microscopy, and field emission scanning electron microscope. The results indicate that as the solution temperature increases from 1100 °C to 1150 °C, the primary γ' phase dissolves into the matrix, the grain size increases from ASTM 9.5 to 3, and the size of the secondary γ' phase increases. The tensile properties are greatly affected by the solution temperature: the optimum tensile strength is obtained at 850 °C and low-temperature tensile strength drops when the solution temperature increases from 1120 °C to 1140 °C. At the sub-solvus temperature of 1120 °C, as the solution cooling rate increases from 10 °C/min to 450 °C/min, the volume fraction and the size of the primary γ' phase remain unchanged, the size of the secondary γ' phase decreases, and the microhardness increases. The possible explanations for the improvement of mechanical properties are also discussed.

      • 0+1
      • 1+1
      • 2+1
      • 3+1
      • 4+1
      • 5+1
      • 6+1
      • 7+1
      • 8+1
    • Study on the Microstructure and Mechanical Properties of Mg-3Gd-2Zn-0.5Zr Alloy with the Addition of Element Ti

      2025, 54(10):2607-2619. DOI: 10.12442/j.issn.1002-185X.20240285

      Abstract (65) HTML (78) PDF 12.14 M (155) Comment (0) Favorites

      Abstract:In this work, Mg-3Gd-2Zn-0.5Zr-xTi (GZ32K-xTi) (x=0, 0.5, 1.0, 1.5wt%) alloys were prepared, and the effect of Ti addition on the microstructure and mechanical properties of as-cast and extruded GZ32K-xTi alloys was investigated. The results indicate that with the addition of element Ti, the α-Mg matrix of as-cast GZ32K-xTi alloy is refined, the discontinuous network distribution of W(Mg3Zn3Gd2) phase at the grain boundary becomes uniform and fine, and the clustered Zr particles and element Ti are accompanied by each other and diffusely distributed. The average grain size of α-Mg in as-cast GZ32K-1.5Ti alloy is the smallest of 49.84 μm, and the size distribution is the most uniform. The addition of Ti hinders the growth process of dynamic recrystallization, which causes the complete recrystallization of the extruded GZ32K-xTi alloys and the refinement of the grains, and promotes the precipitation of the γ′ phase. After annealing of the extruded alloy with element Ti, the nanoprecipitate phase of the shell structure containing Ti is obtained, so that the best mechanical properties of the extruded GZ32K-1.5Ti alloy are obtained after annealing (YS=260.78 MPa, UTS=322.69 MPa, EL=15.17%). The enhancement of mechanical properties of the alloys with Ti is mainly due to the grain refinement, fine W phase and the Ti-containing nanoprecipitate phase with shell structure.

      • 0+1
      • 1+1
      • 2+1
      • 3+1
      • 4+1
      • 5+1
      • 6+1
      • 7+1
      • 8+1
      • 9+1
      • 10+1
      • 11+1
      • 12+1
    • Microstructure and Properties of Ultrasonic/Laser Hybrid In-situ Alloying Ti-B4C Coatings on Aluminum Surfaces

      2025, 54(10):2620-2630. DOI: 10.12442/j.issn.1002-185X.20240308

      Abstract (70) HTML (50) PDF 9.62 M (148) Comment (0) Favorites

      Abstract:Using Ti-B4C as the alloying material, an in-situ various ceramic particles reinforced aluminum matrix composite coating was prepared on the surface of 7075 aluminum alloy using ultrasonic vibration assisted laser alloying process. The effects of different ultrasonic amplitudes (0, 50, 70 and 90 μm) on the overall morphology, phase composition, microstructure, microhardness and wear resistance of the coatings were investigated. The mechanism of ultrasonic vibration on the size, morphology and spatial distribution of in-situ reinforcement phases in the laser alloying process was analyzed. The results show that assisted ultrasonic vibration during laser alloying does not change the phase composition of the coatings, but promotes the in-situ chemical reactions in the molten pool. The diffraction peaks of in-situ synthesized ceramics reinforcement phases such as TiB2 and TiC are increased with the rise of ultrasonic amplitude. The strong convection in the molten pool produced by the ultrasonic vibrations results in an improvement of the coating surface macro-morphology, a slight increase in roughness, and an increase in coating thickness and dilution. With the increase in ultrasonic amplitude, the acoustic cavitation effect and the acoustic flow effect are enhanced, and the microstructure of the coating is significantly refined. The in-situ synthesized reinforcement particles are not only increased in number but also more uniformly and spatially distributed. Both in-situ synthesized TiB2 and TiC are well bonded to the α-Al, with interfacial mismatch rates of about 5.83% and 6.81%, respectively, suggesting that they can act as effective nucleation sites to promote grain refinement. The microhardness of the coatings is significantly increased and more uniformly distributed after applying assisted ultrasonic vibration. The average microhardness of the coatings at an ultrasonic amplitude of 70 μm is about 703.87 HV0.2, which is 5.77 and 1.66 times higher than the hardness of the coatings in the substrate and without ultrasonic vibration, respectively. At this time, the coating has the optimum wear resistance, and the wear mechanism is only slight abrasive wear. The wear resistance is approximately 11.8 times that of the substrate, and 4.1 times that of the coating without ultrasonic vibration.

      • 0+1
      • 1+1
      • 2+1
      • 3+1
      • 4+1
      • 5+1
      • 6+1
      • 7+1
      • 8+1
      • 9+1
    • Effect of Heat Treatment on Microstructure and Degradation Properties of Bi Microalloyed Al-Ga-Mg-Sn Aluminum Alloy

      2025, 54(10):2631-2638. DOI: 10.12442/j.issn.1002-185X.20240314

      Abstract (91) HTML (36) PDF 5.07 M (147) Comment (0) Favorites

      Abstract:The as-cast Al-Ga-Mg-Sn degradable aluminum alloy was microalloyed and heat treated. Al-Ga-Mg-Sn-Bi alloy was selected for annealing and solid solution/aging treatment. The microstructure, phase composition and self-corrosion potential of Al-Ga-Mg-Sn-Bi alloy were analyzed by optical microscope, scanning electron microscope, X-ray diffractometer and electrochemical workstation. The results show that the addition of trace elements Bi and Zn reduces the self-corrosion potential of Al-Ga-Mg-Sn. The as-cast Al-Ga-Mg-Sn-Bi alloy is composed of Al matrix phase, Mg2Sn and Mg-Ga phase, and the characteristics of fishbone dendrites are obvious at room temperature, the self-corrosion potential in 3wt% KCl solution ranges from –1.60 V to –1.49 V. With the increase in annealing temperature, dendrites decrease, and disappear at 500 ℃. Mg2Sn and Mg-Ga phases are precipitated after solid-solution/aging treatment. Compared with as-cast Al-Ga-Mg-Sn-Bi alloy, the hardness of alloy after annealing treatment decreases. Whereas, hardness of alloy after solution/aging treatment increases. Compared with as-cast Al-Ga-Mg-Sn-Bi alloy, the degradation rates of alloy after both solution/aging treatment and annealing treatment reduce.

      • 0+1
      • 1+1
      • 2+1
      • 3+1
      • 4+1
      • 5+1
    • Heterogeneous Deformation Behavior and Strain Rate Sensitivity of Metastable β-Ti-1023 Alloy

      2025, 54(10):2639-2652. DOI: 10.12442/j.issn.1002-185X.20240576

      Abstract (60) HTML (44) PDF 75.33 M (184) Comment (0) Favorites

      Abstract:The digital image correlation (DIC) technology was employed promptly to track the strain distribution and local strain evolution under different strain rates, and the propagation behavior of strain distribution and strain rate sensitivity were investigated. Electron backscatter diffraction (EBSD) was used to analyze the microstructure evolution, the distribution of stress-induced α" martensite transformation (SIMT), and martensite twinning after deformation. Besides, the scanning electron microscope (SEM) was adopted to observe the fracture morphology of the material. The following conclusions can be drawn. (1) The strain distribution is evolved from an approximate uniform distribution to a non-uniform distribution, then showing a phenomenon of strain concentration. Fracture occurs ultimately in the strain concentration area, and significant necking phenomenon are displayed at low strain rates. (2) The stress-strain curves exhibits a clear double yield phenomenon, producing higher strain hardening rates at the low strain rates, i.e. a negative strain rate sensitivity effect. (3) The content of α" martensite increases significantly, the grain size is refined obviously, and the average values of KAM (Kernel average misorientation) and GNDs (Geometrically necessary dislocations) increase dramatically with decreasing the strain rate, indicating that the SIMT increase can promote the accumulation of dislocation density in the deformed sample and is more conducive to the coupling effect of multiple plastic deformation mechanisms. (4) The fracture morphology is mainly tensile fracture mode caused by the aggregation of ductile dimples and voids. The stress on the dimples rapidly develops from unidirectional tension to triaxial tension resulting in sufficient growth of the dimples during the deformation process. Low strain-rate deformation promotes the occurrence of this phenomenon, so the ductile fracture characteristics is dominated.

      • 0+1
      • 1+1
      • 2+1
      • 3+1
      • 4+1
      • 5+1
      • 6+1
      • 7+1
      • 8+1
      • 9+1
      • 10+1
      • 11+1
      • 12+1
      • 13+1
      • 14+1
      • 15+1
      • 16+1
      • 17+1
      • 18+1
      • 19+1
      • 20+1
    • Research on Precipitation Behavior and Mechanism of N36 Zirconium Alloy by Equal Channel Double Angular Pressing and Heat Treatment

      2025, 54(10):2653-2659. DOI: 10.12442/j.issn.1002-185X.20240313

      Abstract (51) HTML (49) PDF 9.10 M (148) Comment (0) Favorites

      Abstract:Thermoforming treatment is an effective method to refine the precipitate size of N36 alloy, promote its dispersion distribution, and improve its service performance in nuclear reactor cladding materials. In this study, Zr-Sn-Nb-Fe (N36) alloy subjected to 4 passes of equal channel double angular pressing (ECDAP) at 450 ℃ for large deformation and aging treatment at 580 ℃ for 4–8 h. The microstructures were characterized by optical microscope (OM), scanning electron microscope (SEM) and transmission electron microscope (TEM). The results show that aging treatment promotes the precipitation of (Zr,Nb)2Fe precipitate phase particles, and after aging treatment at 580 ℃ for 4–8 h, the average size of the precipitate phase particles in the initial sample increases from 76 mm to 88 mm. The average size of precipitate phase particles in the samples after 4 passes of deformation increases from 41 mm to 51 mm, and a certain amount of (Zr,Nb)2Fe phase with a size of 20–40 nm is precipitated. ECDAP sample contains a large number of dislocations and defects, which provide nucleation points for the precipitation of precipitate phase particles during subsequent aging treatment and a short diffusion channel for alloying elements, thereby promoting the fine dispersion and precipitation of precipitate phase particles. This study provides new ideas for improving the comprehensive performance of N36 alloy.

      • 0+1
      • 1+1
      • 2+1
      • 3+1
      • 4+1
      • 5+1
      • 6+1
      • 7+1
      • 8+1
      • 9+1
    • >Reviews
    • Research Progress on the Effect of Hydrogen on Structure and Properties of Amorphous Alloys

      2025, 54(10):2660-2670. DOI: 10.12442/j.issn.1002-185X.20240276

      Abstract (77) HTML (57) PDF 5.53 M (145) Comment (0) Favorites

      Abstract:Compared with traditional crystalline materials, amorphous alloys have good hydrogen permeability and hydrogen storage capacity, and have great application prospects in the field of new energy. Therefore, it is of great significance to study the effect of hydrogen on amorphous alloys. In this paper, the effects of hydrogen on the structure, thermal stability and amorphous forming ability of amorphous alloys are reviewed, and the effect mechanism of hydrogen on the properties of amorphous alloys is described. This paper provides a theoretical basis for the study of the application of amorphous alloys in the field of new energy, such as hydrogen storage, and has practical significance to promote the functional application of amorphous alloys, so as to help realize the goal of double carbon in China.

      • 0+1
      • 1+1
      • 2+1
      • 3+1
      • 4+1
      • 5+1
      • 6+1
      • 7+1
      • 8+1
      • 9+1
    • Research Progress in Superconducting Joint Technology

      2025, 54(10):2671-2683. DOI: 10.12442/j.issn.1002-185X.20240295

      Abstract (91) HTML (110) PDF 2.47 M (175) Comment (0) Favorites

      Abstract:Superconducting materials have broad application prospects in multiple fields, thus attracting global researchers to invest in them since their inception. Superconductive connection is a crucial part of the application of superconducting tapes and is also a component of forming persistent mode joints. However, superconducting joints currently have shortcomings in critical parameters, preparation difficulty, environmental impact, and other aspects. Therefore, scholars are constantly innovating and optimizing process methods. The structure of superconducting joints and the preparation methods and performance of four common types of superconducting material joints in recent years were introduced. The shortcomings and defects were summarized, and the future development of superconducting joints was analyzed, providing reference for the development of superconducting joints.

      • 0+1
      • 1+1
      • 2+1
      • 3+1
      • 4+1
      • 5+1
      • 6+1
      • 7+1
      • 8+1
      • 9+1
      • 10+1
      • 11+1
      • 12+1
      • 13+1
      • 14+1
      • 15+1
      • 16+1
      • 17+1
      • 18+1
      • 19+1
      • 20+1
      • 21+1
    • Research Progress on Addition of Nanoparticles in Metals Fabricated by Laser Additive Manufacturing

      2025, 54(10):2684-2702. DOI: 10.12442/j.issn.1002-185X.20240306

      Abstract (69) HTML (52) PDF 7.30 M (155) Comment (0) Favorites

      Abstract:Laser additive manufacturing is a revolutionary advanced manufacturing technology that has rapidly developed and been applied in fields such as aerospace, automotive, and medical. However, when using LAM to form metals, it is easy to form defects such as pores and cracks, as well as microstructural issues such as coarse columnar crystals and composition segregation, affecting the performance of the metal. The addition of nano-ceramic particles can effectively improve alloy formability, refine microstructure, and thereby enhance mechanical properties of the metal. This research discussed the addition method of nano-ceramic particles during laser additive manufacturing of metals, the evolution behavior of nano-ceramic particles in the molten pool, and the impact of nano-ceramic particles on formability, microstructure, and mechanical properties. The existing problems and future research in this field were also summarized and prospected.

      • 0+1
      • 1+1
      • 2+1
      • 3+1
      • 4+1
      • 5+1
      • 6+1
      • 7+1
      • 8+1
      • 9+1
      • 10+1
      • 11+1
      • 12+1
      • 13+1
    • Research Progress on the Preparation of Rhenium and Rhenium Alloy Coatings Under Mild Conditions

      2025, 54(10):2703-2716. DOI: 10.12442/j.issn.1002-185X.20240571

      Abstract (56) HTML (100) PDF 5.75 M (136) Comment (0) Favorites

      Abstract:Rhenium has excellent physical and chemical properties, and has important applications in aerospace and military fields as ultra-high temperature structural material and surface cooling coating. There are many preparation methods for Re coating, but the mainstream preparation techniques require high deposition temperatures and corrosive atmosphere, which corrodes most refractory metal substrates. As a result, the dense and well-bonded Re coatings are hardly prepared on refractory metal and alloy substrate surfaces, which restricts its application in high temperature protection of refractory metal surface. The preparation technique of Re coating under mild conditions is expected to solve this problem. The research status of Re coating preparation methods under three mild conditions were reviewed: aqueous electrodeposition, MOCVD, and EB-PVD. The preparation processes and typical structure characteristics of Re coating prepared by different methods are summarized, and the future research direction is prospected.

      • 0+1
      • 1+1
      • 2+1
      • 3+1
      • 4+1
      • 5+1
      • 6+1
      • 7+1
      • 8+1
      • 9+1
      • 10+1

Current Issue


,Vol., Issue

Table of Contents

Search by Issue

Issue

Most Read

Most Cited

Most Downloaded