+Advanced Search
  • Volume 54,Issue 11,2025 Table of Contents
    Select All
    Display Type: |
    • >Special Issue:High Temperature Alloy
    • Effect of Grain Refinement on Grain Boundary Diffusion Process and Magnetic Properties of Sintered NdFeB Magnets

      2025, 54(11):2768-2776. DOI: 10.12442/j.issn.1002-185X.20240781

      Abstract (59) HTML (92) PDF 5.12 M (169) Comment (0) Favorites

      Abstract:Three types of NdFeB magnets with the same composition and different grain sizes were prepared, and then the grain boundary diffusion was conducted using metal Tb under the same technical parameters. The effect of grain size on the grain boundary diffusion process and properties of sintered NdFeB magnets was investigated. The diffusion process was assessed using X-ray diffractometer, field emission scanning electron microscope, and electron probe microanalyzer. The magnetic properties of the magnet before and after diffusion were investigated. The results show that the grain refinement of the magnet leads to higher Tb utilization efficiency and results in higher coercivity at different temperatures. It can be attributed to the formation of a deeper and more complete core-shell structure, resulting in better magnetic isolation and higher anisotropy of the Nd2Fe14B grains. This work may shed light on developing high coercivity with low heavy rare earth elements through grain refinement.

      • 0+1
      • 1+1
      • 2+1
      • 3+1
      • 4+1
      • 5+1
      • 6+1
      • 7+1
      • 8+1
    • Fracture Behavior of Nickel-Based Single Crystal Superalloy During High-Cycle Fatigue at 850 °C

      2025, 54(11):2777-2785. DOI: 10.12442/j.issn.1002-185X.20240631

      Abstract (46) HTML (55) PDF 3.67 M (126) Comment (0) Favorites

      Abstract:The high-cycle fatigue fracture characteristics and damage mechanism of nickel-based single crystal superalloys at 850 °C was investigated. The results indicate that high-cycle fatigue cracks in single crystal superalloys generally originate from defect locations on the subsurface or interior of the specimen at 850 °C. Under the condition of stress ratio R=0.05, as the fatigue load decreases, the high-cycle fatigue life gradually increases. The high-cycle fatigue fracture is mainly characterized by octahedral slip mechanism. At high stress and low lifespan, the fracture exhibits single or multiple slip surface features. Some fractures originate along a vertical small plane and then propagate along the {111} slip surface. At low stress and high lifespan, the fracture surface tend to alternate and expand along multiple slip planes after originating from subsurface or internal sources, exhibiting characteristics of multiple slip planes. Through electron backscatter diffraction and transmission electron microscope analysis, there is obvious oxidation behavior on the surface of the high-cycle fatigue fracture, and the fracture section is composed of oxidation layer, distortion layer, and matrix layer from the outside to the inside. Among them, the main components of the oxidation layer are oxides of Ni and Co. The distortion layer is mainly distributed in the form of elongated or short rod-shaped oxides of Al, Ta, and W. The matrix layer is a single crystal layer. Crack initiation and propagation mechanism were obtained by systematical analysis of a large number of high-cycle fatigue fractures. In addition, the stress ratio of 0.05 is closer to the vibration mode of turbine blades during actual service, providing effective guidance for the study of failure and fracture mechanisms of turbine blades.

      • 0+1
      • 1+1
      • 2+1
      • 3+1
      • 4+1
      • 5+1
      • 6+1
      • 7+1
      • 8+1
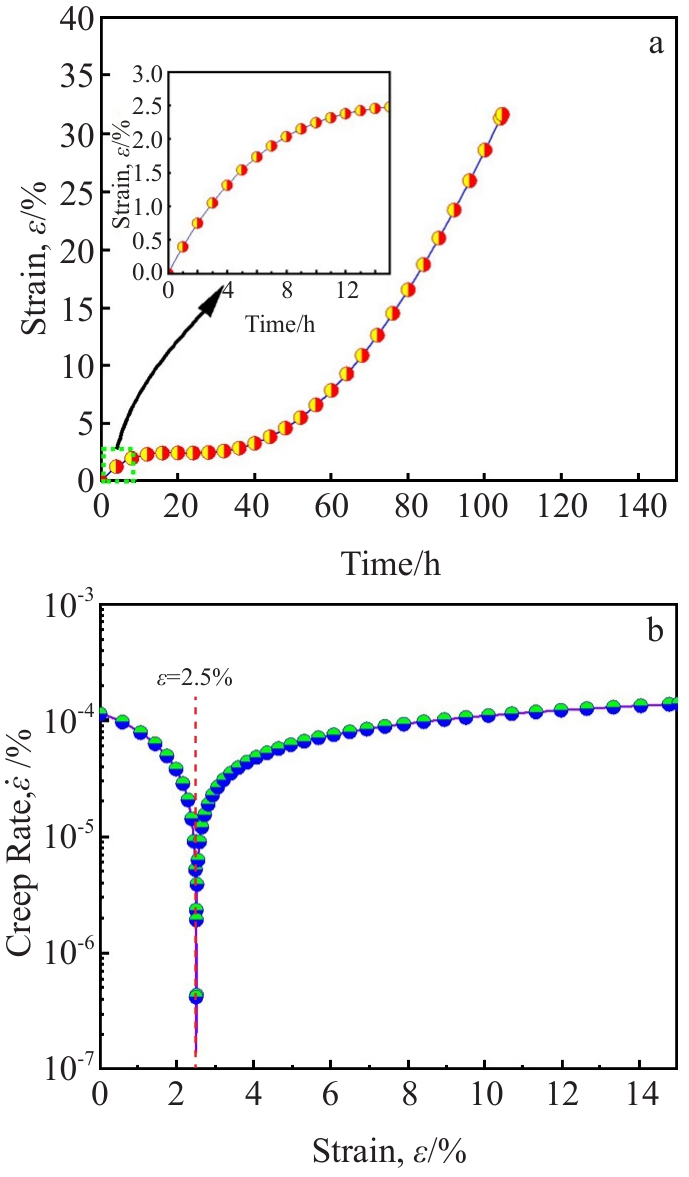
    • Creep Fracture Behavior and Mechanism of a New Nickel-Based Single-Crystal Superalloy

      2025, 54(11):2795-2801. DOI: 10.12442/j.issn.1002-185X.20240632

      Abstract (41) HTML (46) PDF 1.56 M (129) Comment (0) Favorites

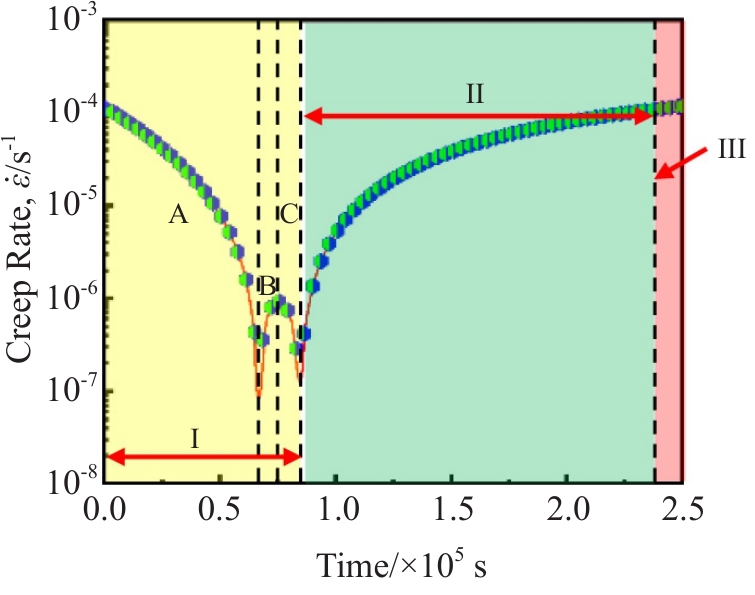
      Abstract:A new type of nickel-based single-crystal superalloy was subjected to creep performance test, microstructure observation, and composition analysis under the condition of 1100 °C/140 MPa. The variation characteristics of the creep rate during the creep fracture process and the microstructure evolution before and after creep were investigated, thereby revealing the creep fracture mechanism of the new nickel-based single-crystal superalloy. The results indicate that the creep life of the alloy is 104.5 h, and the strain can reach 33.58%. The creep rate decreases first, then increases, and finally tends to be stable until fracture. At the initial stage of creep, the creep rate decreases first, then rises and finally decreases again with time. Furthermore, the creep fracture microstructure is composed of dimples and tearing edges without obvious slip planes. Oxides and recrystallized structures exist inside the fracture surface, and the voids inside the fracture are elongated and perpendicular to the stress axis, showing a fracture mechanism of microcrack accumulation.

      • 0+1
      • 1+1
      • 2+1
      • 3+1
      • 4+1
      • 5+1
      • 6+1
      • 7+1
      • 8+1
    • Molecular Dynamics Simulation of Directional Rapid Solidification in Nickel-Based Superalloys

      2025, 54(11):2825-2832. DOI: 10.12442/j.issn.1002-185X.20240323

      Abstract (36) HTML (34) PDF 3.05 M (129) Comment (0) Favorites

      Abstract:The microstructural evolution of NixCryFez alloy during the directional rapid solidification process and the tensile mechanical properties of NixCryFez alloy after solidification were investigated using molecular dynamics simulations. The results reveal that during the solid-liquid phase transition, the temperature initially drops sharply and then rises slightly due to the release of latent heat. During this process, crystal nuclei preferentially form in low-temperature regions, exhibiting heterogeneous solidification characteristics. After solidification, the alloy is primarily composed of face-centered cubic (fcc) structures, with a small amount of hexagonal close-packed (hcp) and body-centered cubic (bcc) structures, and amorphous grain boundaries also occupy a significant proportion. The elemental concentration analysis of the Ni60Cr21Fe19 alloy further indicates that Cr atoms segregate at the grain boundaries. Additionally, a large number of thermally induced twins and stacking faults are formed in the alloy after solidification, with a dislocation density reaching the order of 1016 m–2. The dislocation lines become more concentrated in low-temperature regions, demonstrating significant heterogeneity. The nucleation process of four kinds of Ni-Cr-Fe alloys with different proportions was also studied, revealing that the alloy composition ratio has a significant impact on the nucleation rate. Furthermore, tensile tests were simulated on the Ni60Cr21Fe19 alloy in two directions, showing that the tensile strength perpendicular to the solidification direction is lower than that parallel to the solidification direction due to the anisotropic nature of the directional solidification structure. The discrepancy between the changes in dislocation density and tensile stress-tensile strain indicates that the strengthening mechanism of directional rapid solidification structure of the Ni60Cr21Fe19 alloy is more complex, potentially involving the synergistic effect of multiple strengthening mechanisms.

      • 0+1
      • 1+1
      • 2+1
      • 3+1
      • 4+1
      • 5+1
      • 6+1
      • 7+1
      • 8+1
      • 9+1
    • Microstructure and Mechanical Properties of Ti2AlNb/GH4099 Joints Prepared by In-situ Synthesis Brazing Using Zr-Ni-Cu-Ti-Zr Interlayer

      2025, 54(11):2861-2869. DOI: 10.12442/j.issn.1002-185X.20240367

      Abstract (29) HTML (43) PDF 4.22 M (119) Comment (0) Favorites

      Abstract:Vacuum brazing of Ti2AlNb alloy to Ni-based superalloy GH4099 based on in-situ synthesis using Zr-Ni-Cu-Ti-Zr composite interlayer was carried out. The interfacial microstructure and fracture morphology of brazed joints were observed and the phase evolution mechanism of the joint was investigated. The results show that the typical interfacial microstructure of the joint is Ti2AlNb/B2+O+β(Ti,Nb)+α-Zr+Zr2Ni+(Ti,Zr)2(Ni,Cu)/(Ti,Zr)(Ni,Cu)/Ti3Al+(Ni,Cr)ss/GH4099. With the increase in brazing temperature, the thickness of the reaction layer on the base material sides increases, (Ti,Zr)2(Cu,Ni) intermetallic compounds aggregate to form continuous phases on both sides of the interface, and cracks grow and expand at the interface between the brazing seam and the substrate, resulting in the decrease in joint strength. The maximum shear strength of 171.87 MPa is obtained after brazing at 920 ℃ for 15 min. The fracture mode of the joint is cleavage fracture and the fracture mainly consists of brittle (Ti,Zr)2(Cu,Ni) and (Ti,Zr)(Cu,Ni) intermetallic compounds.

      • 0+1
      • 1+1
      • 2+1
      • 3+1
      • 4+1
      • 5+1
      • 6+1
      • 7+1
      • 8+1
    • Effects of Temperature and Twin Boundaries on the Mechanical Properties and Protevin-Le Chatelier Effect of GH3625 Alloy

      2025, 54(11):2920-2930. DOI: 10.12442/j.issn.1002-185X.20240445

      Abstract (35) HTML (39) PDF 8.69 M (135) Comment (0) Favorites

      Abstract:The effects of temperature and twin boundaries on the mechanical properties and Protevin-Le chatelier (PLC) effect of GH3625 alloy were studied by EBSD, SEM, TEM and quasi-static uniaxial tensile tests. The results show that with the increase in annealing temperature (1000–1160 ℃), the recrystallized grains of the annealed specimen grow, resulting in the annihilation of part of the annealed twin boundaries, which reduces the content and strength of the annealed twin boundaries of the alloy. It is found that the lower the annealing temperature, the greater the critical strain value of the alloy with PLC. At the same time, the tensile deformation of the annealed specimen at 25 and 290 ℃ is mainly dominated by dislocation slip and deformation twin. While at 565 ℃, the tensile deformation is mainly dominated by dislocation slip, and a large number of lamination faults are formed. With the increase in deformation temperature, dislocations tend to pass through grain boundaries and annealed twin boundaries, resulting in the accurrence of PLC, weakened grain boundary strengthening effect, and decreased alloy strength. In addition, the specimen annealed at 1000 ℃ has an excellent combination of strength and plasticity in the temperature range of 25–565 ℃, which is mainly attributed to the interaction of pre-existing fine grains and a large number of annealed twin boundaries with dislocations, as well as the combined effect of deformed twins and lamination faults formed during tensile deformation. In addition, it is found that the twin content and deformation temperature have a significant effect on the rheological amplitude of PLC.

      • 0+1
      • 1+1
      • 2+1
      • 3+1
      • 4+1
      • 5+1
      • 6+1
      • 7+1
      • 8+1
      • 9+1
      • 10+1
      • 11+1
    • >Special Issue:titanium alloy
    • Microstructure and High-Temperature Oxidation Resistance of Cr-Al-Y Co-deposition Coating on TiAlNb9 Alloy Surface

      2025, 54(11):2739-2748. DOI: 10.12442/j.issn.1002-185X.E20240572

      Abstract (29) HTML (56) PDF 3.46 M (129) Comment (0) Favorites

      Abstract:To improve the high-temperature oxidation resistance of TiAlNb9 alloy, a Cr-Al-Y co-deposition coating was prepared on the alloy surface by the pack cementation method. The microstructure of the coating was analyzed by scanning electron microscope, energy dispersive spectrometer, and X-ray diffractometer, and the high-temperature oxidation properties of the substrate and coating at 1273 K were compared and studied. The results show that the Cr-Al-Y coating is about 30 μm in thickness, and it has a dense structure and good film-substrate bonding. The coating includes an outer layer composed of TiCr2, TiCr, Ti4Cr, and (Ti,Nb)Cr4 phases as well as an inner layer composed of Ti2Al, and Nb-rich γ-TiAl interdiffusion zone. The TiAlNb9 substrate forms an oxide layer composed of TiO2 and Al2O3 at 1273 K. Due to its loose and porous structure, TiO2 oxide film cannot effectively isolate the internal diffusion of element O, resulting in continuous oxidation damage to the substrate. The Cr-Al-Y co-deposition coating forms a dense Cr2O3 and Al2O3 oxide layer during oxidation, effectively preventing the internal diffusion of element O and significantly improving the high-temperature oxidation resistance of the substrate alloy.

      • 0+1
      • 1+1
      • 2+1
      • 3+1
      • 4+1
      • 5+1
      • 6+1
      • 7+1
      • 8+1
    • Fatigue Failure Behavior of TC17 Titanium Alloy in 3.5% NaCl Solution

      2025, 54(11):2809-2815. DOI: 10.12442/j.issn.1002-185X.20240320

      Abstract (29) HTML (46) PDF 2.93 M (130) Comment (0) Favorites

      Abstract:To study the fatigue failure behavior of TC17 titanium alloy in salty-water environment, ultrasonic fatigue tests of TC17 titanium alloy in different medias were conducted and the fatigue properties and failure characteristics were analyzed. The fatigue tests of TC17 titanium alloy in air and 3.5% NaCl solution were carried out using ultrasonic fatigue test system, and the fatigue lives in different medias under the same stress amplitude were compared and analyzed. The conversion model of fatigue life in two kinds of media in the "finite life" stage was put forward, and the stress intensity factors were calculated according to Murakami model and micro-gully model. The fracture characteristics of fatigue test specimens were observed by SEM, and the effects of 3.5% NaCl solution on fatigue failure characteristics were compared and analyzed. Results show that in 3.5% NaCl solution environment, the calculated results of stress intensity factor with surface micro-gully as the main variable are more consistent with the actual failure behavior, and due to the influence of corrosion environment, there are some phenomena such as "accumulation" of matrix materials and multiple crack sources on the fracture surface.

      • 0+1
      • 1+1
      • 2+1
      • 3+1
      • 4+1
      • 5+1
      • 6+1
      • 7+1
      • 8+1
      • 9+1
      • 10+1
      • 11+1
    • High-Accuracy Constitutive Model of TA16 Titanium Alloy Based on Artificial Neural Networks

      2025, 54(11):2833-2843. DOI: 10.12442/j.issn.1002-185X.20240327

      Abstract (41) HTML (58) PDF 6.47 M (126) Comment (0) Favorites

      Abstract:The thermal simulation compression experiments were conducted on forged TA16 titanium alloy using the Gleeble-3800 system at the temperature of 730–1030 ℃ and strain rates from 0.1 s–1 to 10 s–1. The true stress-true strain curves of TA16 alloy under these deformation conditions were obtained. Constitutive models for the TA16 alloy were established using three different methods: the Arrhenius model, the Johnson-Cook model, and artificial neural networks (ANN). The model errors were analyzed. The results indicate that the TA16 alloy reaches a dynamic balance between work hardening and softening after yielding at medium and low strain rates. At high strain rates, it initially softens and then enters a balance state, demonstrating good workability. The mean absolute percentage error (MAPE) of the constitutive models for the TA16 alloy using the Arrhenius model, the Johnson-Cook model, and ANN is 11.49%, 23.7%, and 1.69%, respectively. The ANN model shows an order of magnitude higher accuracy compared to the traditional constitutive models. The Arrhenius model exhibits better accuracy at medium and high strain rates and in the medium and low strain range, making it practical for engineering applications. The Johnson-Cook model reflects the trend of high-strain hardening and struggles to describe the dynamic equilibrium state after yielding for the TA16 alloy, resulting in poor model accuracy and making it unsuitable for engineering applications. The ANN model demonstrates extremely high predictive accuracy across the entire range of experimental parameters, and it also maintains good accuracy for data predictions beyond the experimental parameter ranges, providing a highly accurate constitutive model for engineering applications.

      • 0+1
      • 1+1
      • 2+1
      • 3+1
      • 4+1
      • 5+1
      • 6+1
      • 7+1
      • 8+1
      • 9+1
      • 10+1
      • 11+1
      • 12+1
      • 13+1
    • Modification Mechanisms of Sn or V Elements on Brazing Interface of TA2 Titanium Alloy

      2025, 54(11):2897-2903. DOI: 10.12442/j.issn.1002-185X.20240416

      Abstract (31) HTML (35) PDF 2.73 M (113) Comment (0) Favorites

      Abstract:Brazing technology is an important method to realize structural integrity of gas turbine components. There is a lack of highly mature Ti-based filler metals and the corresponding brazing technology in China. The effects of Ti-Zr-Cu-Ni filler metal composition and brazing processes on the interface structure and tensile properties of TA2 titanium alloy brazed joints were studied. Modification mechanisms of Sn or V elements on the brazing interface were discussed. The results show that the thicknesses of embrittlement layer and intergranular infiltration zone at the brazing interface are obviously reduced by adding Sn or V elements and decreasing brazing temperature. The strengthening phase formed by adding 1.5wt% V or 5wt% Sn leads to an increase in the tensile strength of the brazed joint. The increase in brazing temperature leads to intensified metallurgical reactions at the interface and the formation of various hard and brittle phases, resulting in an increase in the tensile strength of the joint, but the tensile strength decreases with prolonged insulation time. The fracture surfaces of the filler metal, interface bonding layer, and the matrix exhibit brittle, cleavage-like, and ductile fracture morphologies, respectively. Sn is combined with Ti and Zr to form strengthening phases such as Ti2Sn3, Ti6Sn5, and Zr5Sn3, while V is combined with Ni to form strengthening phases such as Ni3VZr2, NiV3, and Ni2V, all of which lead to an increase in the tensile strength of the brazed joint. V combined with Ni slows down the diffusion of Ni element into titanium alloy and regulates the metallurgical reaction at the brazing interface.

      • 0+1
      • 1+1
      • 2+1
      • 3+1
      • 4+1
    • Precipitation Phases and Their Effects on Strength and Toughness of Ti-Al-Zr-Sn-Mo-W-Si Series Thermal-Strength Titanium Alloy

      2025, 54(11):2911-2919. DOI: 10.12442/j.issn.1002-185X.20240444

      Abstract (30) HTML (52) PDF 2.69 M (135) Comment (0) Favorites

      Abstract:Comparative analysis of the differences in tensile strength and impact toughness between the TC25 alloy and TC25G alloy of Ti-Al-Zr-Sn-Mo-W-Si series titanium alloys was carried out, and the root causes of the differences in impact toughness between the two alloys and the alloy strengthening mechanism were elucidated through the observation of the SEM fracture morphology and the analysis of the TEM microscopic deformation mechanism. The results show that the precipitated phase in the impact fracture of TC25G alloy is ZrSi or TiZrSi compounds, which plays the role of second-phase reinforcement and is conducive to the enhancement of the alloy strength, and the precipitates are conducive to the extension of impact cracks, thus reducing the impact toughness of the alloy. In the microstructure of the impact fracture of TC25 alloy, the cracks generally extend along the primary α phase boundary, so the TC25 alloy crack extension path longer. While TC25G alloy cracks cross through the primary α phase. Thus, the TC25 alloy has higher impact toughness. TEM observations show that the number of dislocation slip traces and dislocation plugging in TC25G alloy is significantly higher than that in TC25 alloy. The presence of a large number of plugged dislocations in the vicinity of the precipitates in TC25G alloy results in significant strengthening, leading to a higher strength of the alloy.

      • 0+1
      • 1+1
      • 2+1
      • 3+1
      • 4+1
      • 5+1
      • 6+1
      • 7+1
      • 8+1
      • 9+1
      • 10+1
    • >Materials Science
    • Effect of Pore Structure on Forming Quality and Performance of Mg-5Zn Magnesium Alloy Porous Bone Repair Scaffold Fabricated by SLM

      2025, 54(11):2717-2728. DOI: 10.12442/j.issn.1002-185X.20240618

      Abstract (100) HTML (80) PDF 4.43 M (180) Comment (0) Favorites

      Abstract:Four types of Mg-5Zn porous scaffolds with different pore geometries, including body-centered cubic (bcc), the rhombic dodecahedron (RD), gyroid (G), and primitive (P) types, were designed and fabricated using selective laser melting. Their forming quality, compression mechanical properties, and degradation behavior were investigated. Results indicate that the fabricated scaffolds exhibit good dimensional accuracy, and the surface chemical polishing treatment significantly improves the forming quality and reduces porosity error in porous scaffolds. Compared to the ones with rod structures (bcc, RD), the scaffolds with surface structures (G, P) have less powder particle adhesion. The G porous scaffold exhibits the best forming quality for the same design porosity. The predominant failure mode of scaffolds during compression is a 45° shear fracture. At a porosity of 75%, the compression property of all scaffolds meets the compressive property requirements of cancellous bone, while bcc and G structures show relatively better compression property. After immersion in Hank's solution for 168 h, the B-2-75% pore structure scaffold exhibits severe localized corrosion, with fractures in partial pillar connections. In contrast, the G-3-75% pore structure scaffold mainly undergoes uniform corrosion, maintaining structural integrity, and its corrosion rate and loss of compressive properties are less than those of the B-2-75% structure. After comparison, the G-pore structure scaffold is preferred.

      • 0+1
      • 1+1
      • 2+1
      • 3+1
      • 4+1
      • 5+1
      • 6+1
      • 7+1
      • 8+1
      • 9+1
      • 10+1
    • Effect of Rare Earth on Microstructure and Properties of Deposited Metal in Submerged Arc Welding of 1000 MPa Grade High-Strength Steel

      2025, 54(11):2729-2738. DOI: 10.12442/j.issn.1002-185X.E20240568

      Abstract (23) HTML (53) PDF 3.19 M (130) Comment (0) Favorites

      Abstract:The optimization of deposited metal properties through the addition of rare earth elements to welding materials was explored. Utilizing optical microscope, scanning electron microscope, energy dispersive spectroscope, and X-ray diffractometer, combined with software tools like Matlab, Image-Pro Plus, and CHANNEL5, the influence mechanism of rare earth element addition on the strength, toughness, and inclusions of deposited metal in 1000 MPa grade high-strength steel was investigated. The results indicate that the incorporation of rare earth elements enhances the weldability of the welding materials. With the addition of rare earth elements, the tensile strength of the deposited metal increases from 935 MPa to 960 MPa. However, further addition leads to a decrease in tensile strength, while the yield strength continuously increases by 8.5%–17.2%. The addition of appropriate amounts of rare earth elements results in an increase in acicular ferrite and retained austenite content, as well as grain refinement in the deposited metal, leading to 8.5%–24.3% and 15.6%–42.2% enhancement in impact energy at -40 °C and -60 °C, respectively. Additionally, the proper addition of rare earth elements modifies the inclusions and generates fine and dispersed composite inclusions that bond better with the matrix, thereby optimizing the properties of the deposited metal through various mechanisms. Adding an appropriate amount of rare earth elements can significantly enhance the properties of the deposited metal in 1000 MPa grade high-strength steel, and improve the match between high strength and toughness, meeting the demands for high-strength steel used in hydropower applications.

      • 0+1
      • 1+1
      • 2+1
      • 3+1
      • 4+1
      • 5+1
      • 6+1
      • 7+1
      • 8+1
      • 9+1
      • 10+1
      • 11+1
    • Effect of Temperature on Interface Microstructure and Mechanical Properties of AZ31/Al/Ta Composites Prepared by Vacuum Hot Compression Bonding

      2025, 54(11):2749-2756. DOI: 10.12442/j.issn.1002-185X.20240604

      Abstract (46) HTML (33) PDF 1.69 M (134) Comment (0) Favorites

      Abstract:AZ31/Al/Ta composites were prepared using the vacuum hot compression bonding (VHCB) method. The effect of hot compressing temperature on the interface microstructure evolution, phase constitution, and shear strength at the interface was investigated. Moreover, the interface bonding mechanisms of the AZ31/Al/Ta composites during the VHCB process were explored. The results demonstrate that as the VHCB temperature increases, the phase composition of the interface between Mg and Al changes from the Mg-Al brittle intermetallic compounds (Al12Mg17 and Al3Mg2) to the Al-Mg solid solution. Meanwhile, the width of the Al/Ta interface diffusion layer at 450 °C increases compared to that at 400 °C. The shear strengths are 24 and 46 MPa at 400 and 450 °C, respectively. The interfacial bonding mechanism of AZ31/Al/Ta composites involves the coexistence of diffusion and mechanical meshing. Avoiding the formation of brittle phases at the interface can significantly improve interfacial bonding strength.

      • 0+1
      • 1+1
      • 2+1
      • 3+1
      • 4+1
      • 5+1
      • 6+1
      • 7+1
      • 8+1
    • Microstructural Evolution and Strengthening Mechanisms of Shoulderless Micro-friction Stir Welded Joints of 1060-H24 Pure Aluminum

      2025, 54(11):2757-2767. DOI: 10.12442/j.issn.1002-185X.20240586

      Abstract (36) HTML (28) PDF 4.39 M (103) Comment (0) Favorites

      Abstract:The differences between shouldered and shoulderless tools in the micro-friction stir welding of 0.8 mm thin plates were evaluated. Employing a suite of advanced characterization methods, including white light interferometry, electron backscatter diffraction (EBSD), and scanning electron microscopy, the formation of weld surface, joint microstructure distribution, and fracture characteristics were studied. The enhancement mechanism of mechanical properties was explained through the Hall-Petch relationship and Taylor's hardening law. Results indicate that the main reason for the increased yield strength observed in shoulderless tool joints is the combined mechanism of dislocation strengthening and fine-grain strengthening. Specifically, the utilization of shouldered tools results in a smooth weld surface, with an average grain size of 11.24 μm and a high-angle grain boundary content of 16.80% in the nugget zone. The primary texture components are the {011}<100> Goss and {112}<111> copper textures, yielding a maximum texture strength of 3.70. Simultaneously, the fracture dimples exhibit a reduction in size and an increase in depth. Whereas the welds produced with shoulderless tools display slight burrs on the surface. The experimental results demonstrate that the average grain size in the nugget zone of these joints is significantly reduced to 0.59 μm, while the high-angle grain boundary content reaches 34.34%. This process is accompanied by the formation of {111}<110> Shear textures and {001}<110> rotated cubic textures as the main components, resulting in a significant increase in maximum texture strength to 6.65.

      • 0+1
      • 1+1
      • 2+1
      • 3+1
      • 4+1
      • 5+1
      • 6+1
      • 7+1
      • 8+1
      • 9+1
    • Tribological Properties and Microstructure Evolution of Cu-Graphite-Ti3AlC2 Composites Fabricated by SPS

      2025, 54(11):2786-2794. DOI: 10.12442/j.issn.1002-185X.20240649

      Abstract (22) HTML (30) PDF 3.82 M (103) Comment (0) Favorites

      Abstract:Ti3AlC2 was added into Cu-graphite composites to enhance their tribological properties. The impact of sintering temperature on properties of Cu-graphite-Ti3AlC2 composites (CGTCs) fabricated by spark plasma sintering (SPS) was studied, including microstructure, density, hardness, electrical conductivity, interfacial properties, and tribological behavior. The results indicate that mutual diffusion between Ti3AlC2 and Cu occurs during sintering, leading to metallurgical bonding. Moreover, titanium atoms originating from Ti3AlC2 undergo a reaction with carbon atoms on the graphite surface, facilitating enhanced bonding between Cu and graphite. CGTCs exhibit promising lubrication performance at different sintering temperatures, with friction coefficients ranging from 0.15 to 0.25. The wear rate decreases and then increases with the increase of sintering temperature. Optimal tribological properties are achieved at 980 °C, when the average friction coefficient and wear rate are 0.18 and 4.82×10-6 mm3·(N·m)-1, respectively.

      • 0+1
      • 1+1
      • 2+1
      • 3+1
      • 4+1
      • 5+1
      • 6+1
      • 7+1
      • 8+1
    • Preparation and Application of Platinum Group Metals and Alloy Nanomaterials

      2025, 54(11):2816-2824. DOI: 10.12442/j.issn.1002-185X.20240321

      Abstract (25) HTML (45) PDF 4.01 M (111) Comment (0) Favorites

      Abstract:Pd, Pt, Ir and Ru powders and IrRu, PtNi and PtNiCo alloy powders with 3D-nano-framework structure were successfully prepared by spray drying method combined with calcination and reduction using noble metal salt as raw material and ammonium chloride (NH4Cl) as pore making agent. The effect of NH4Cl concentration on the morphology of atomized powder was studied. It is found that with the increase in NH4Cl concentration, the average particle size of atomized (NH4)2PdCl4 powder shows an increasing trend, the sphericity gradually decreases, and the dispersion becomes worse. The effects of calcination temperatures on the morphology of palladium powder were studied. It is found that palladium powder reduced by calcination at 300 ℃ has an inherited effect on the precursor shape. Due to the nano-pores left by the gas spilling during calcination, palladium powder has a spheroidal 3D-nano-framework structure and a large specific surface area (28–40 m2/g). When the calcination temperature rises to 400 ℃, the 3D-nano-framework is gradually broken to form dense Pd powders. Therefore, when the concentration of NH4Cl is 5–10 g/L and the calcination temperature is controlled at 300 ℃, it is conducive to the preparation of spherical 3D-nano-framework platinum group metal powders with high specific surface area. In addition, Pt, Ir, Ru, IrRu, PtNi and PtNiCo platinum group metals and alloy powders with 3D-nano-framework have been successfully prepared using the optimal preparation parameters, which proves that the method is universal in the preparation of other platinum group metals and alloys. Finally, in order to prove the feasibility of the synthetic materials, the catalytic methanol oxidation reaction of the PtNiCo 3D-nano-framework materials prepared in this study was tested in fuel cell anode. The results show that the catalytic methanol oxidation performance of PtNiCo nanomaterials (1117 mA/mg(Pt)) is 6.5 times higher than that of commercial Pt black (170 mA/mg(Pt)), and it also has excellent anti-toxicity and stability. It is proved that excellent performance of platinum group metal alloy nano-catalyst could be achieved by the preparation method in this study.

      • 0+1
      • 1+1
      • 2+1
      • 3+1
      • 4+1
      • 5+1
      • 6+1
    • Numerical Simulation of Flow Field of Mg-Y-Sm-Zn-Zr Alloy Formed by Selective Laser Melting

      2025, 54(11):2844-2850. DOI: 10.12442/j.issn.1002-185X.E20240344

      Abstract (27) HTML (34) PDF 1.49 M (105) Comment (0) Favorites

      Abstract:A powder-scale three-dimensional model of the selective laser melting (SLM) process for Mg-3.4Y-3.6Sm-2.6Zn-0.8Zr alloy was established by the discrete element method and the finite volume method, and the effects of laser power, scanning speed and laser line energy density on the fluid flow in the molten pool were simulated. The problems of metal melting, fluid flow and solidification and forming process in the molten pool were analyzed. Results show that the effects of increasing the laser power or decreasing the scanning speed on the solute flow in the molten pool are essentially the same. At a certain scanning speed, the maximum fluid flow rate is 4.914 m/s when the laser power is 100 W. The recoil pressure due to the evaporation of the molten liquid at higher molten pool temperatures leads to the depression of the molten pool.

      • 0+1
      • 1+1
      • 2+1
      • 3+1
      • 4+1
      • 5+1
      • 6+1
      • 7+1
      • 8+1
    • Microstructure and Properties of Ni-TiN-GO Composite Electrodeposition Layer on AZ91D Magnesium Alloy

      2025, 54(11):2851-2860. DOI: 10.12442/j.issn.1002-185X.20240363

      Abstract (37) HTML (40) PDF 2.35 M (110) Comment (0) Favorites

      Abstract:To improve the surface hardness, wear resistance, and corrosion resistance of AZ91D magnesium alloy, a Ni-TiN-GO (graphene oxide) composite electrodeposition layer was prepared on the surface of AZ91D magnesium alloy using nano-composite electrodeposition technology. The Ni-TiN-GO composite electrodeposition layer was then subjected to vacuum annealing. The effects of GO addition amount, vacuum annealing temperature, and holding time on the microstructure and properties of the deposited layer were investigated. Results show that when the addition amount of GO is 0.1 g/L, the deposition rate of Ni2+ is increased, and the deposited layer exhibits a uniform and dense microstructure. The Ni grains in the deposited layer show a (111) and (200) preferred orientation. The hardness of the deposited layer is increased by 10.79 times compared to that of the substrate. The friction coefficient is 0.6, and the wear mechanism is mainly adhesive wear with slight abrasive wear. The self-corrosion current density of the deposited layer is decreased by 3 orders of magnitude compared to that of the substrate. When the vacuum annealing heating temperature is 350 ℃ and the holding time is 1 h, the surface of the deposited layer is uniform and dense, exhibiting the best performance. The hardness is increased by 1.15 times compared with that without annealing. The friction coefficient is reduced to 0.4, the wear mode is converted to weak abrasive wear. The self-corrosion current density is reduced by 2.34 times, and the resistance to Pseudomonas aeruginosa microbiologically influenced corrosion is improved. This study will lay the foundation for promoting the widespread application of AZ91D magnesium alloy in the field of equipment light massing and under complex working conditions.

      • 0+1
      • 1+1
      • 2+1
      • 3+1
      • 4+1
      • 5+1
      • 6+1
      • 7+1
      • 8+1
      • 9+1
      • 10+1
      • 11+1
      • 12+1
      • 13+1
      • 14+1
      • 15+1
      • 16+1
      • 17+1
    • Effects of TC4 Addition on Microstructure and Mechanical Properties of GH4169 Alloy Prepared by Laser Melting Deposition

      2025, 54(11):2870-2878. DOI: 10.12442/j.issn.1002-185X.20240382

      Abstract (25) HTML (32) PDF 3.54 M (112) Comment (0) Favorites

      Abstract:GH4169 alloy samples with different TC4 contents were prepared using ball milling alloying and laser melting deposition by adding TC4 alloy powder to conventional GH4169 alloy powder instead of Al and Ti alloying. The effects of TC4 addition on microstructure and properties of GH4169 alloy prepared by laser melting deposition were investigated. The results show that TC4/GH4169 alloy is mainly composed of coarse columnar crystals, but the primary dendrite arm distance and grain size of the columnar crystals decrease. Besides, the Laves phase changes from continuous long chain to diffused short rod with the aspect ratio decreased from 9.2 to 2.6. During the deposition process, TC4 is melted, of which Ti and Al elements are released, then fully dissolved into GH4169 alloy melt, and finally participated in solidification and microstructure formation of the alloy. The addition of TC4 increases the solidification rate of the alloy deposition pool and reduces the segregation of elements in the solidification structure. Besides, the addition of TC4 promotes precipitation of γ? and γ? in the solidification microstructure. Thus, the hardness and mechanical properties of the deposited alloy are improved. The addition of TC4 shows effects of fine crystal strengthening, solid solution strengthening, and precipitation strengthening.

      • 0+1
      • 1+1
      • 2+1
      • 3+1
      • 4+1
      • 5+1
      • 6+1
      • 7+1
      • 8+1
      • 9+1
      • 10+1
    • Effect of Bi Addition on Corrosion Resistance of Zr-1Nb Alloy at 400 ℃ in Superheated Steam

      2025, 54(11):2879-2889. DOI: 10.12442/j.issn.1002-185X.20240387

      Abstract (24) HTML (22) PDF 3.14 M (112) Comment (0) Favorites

      Abstract:In order to explore the the effect of Bi addition on the corrosion resistance of zirconium alloys, the corrosion behavior of Zr-1Nb-xBi alloys (x=0, 0.35, and 0.85, wt%) in superheated steam at 400 ℃/10.3 MPa was studied. Results reveal that the addition of a small amount of Bi (0.35wt%) can significantly improve the corrosion resistance of Zr-1Nb alloy, but further increase in Bi content (0.85wt%) can deteriorate the corrosion resistance. TEM observation and EDS analysis on the microstructures of the alloys indicate that 0.35wt% Bi has little effect on the type and size of the second phases in Zr-1Nb alloy, while adding 0.85wt% Bi can promote the precipitation of h-Zr6Bi2Fe and inhibit the precipitation of hcp-Zr(Nb,Fe)2. Based on the microstructure observation and elemental valence state analysis of the oxide films, the deterioration mechanism of corrosion resistance of the high-Bi-content zirconium alloy primarily involves two aspects. On the one hand, Bi3+ increases the concentration of anionic vacancies in the oxide film, which deteriorates the corrosion resistance; on the other hand, the diffusion rate difference between Bi3+ and Fe3+ and the accumulation of local stress generated by the oxidation of h-Zr6Bi2Fe can make it easier to form micropores and microcracks around the oxidation product m-Bi2O3, thereby accelerating the corrosion process.

      • 0+1
      • 1+1
      • 2+1
      • 3+1
      • 4+1
      • 5+1
      • 6+1
      • 7+1
    • Evolution of Precipitate Structure and Age-Hardening Behavior of Al-Mg-Si-Zn Alloys with Different Mg/Si Ratios

      2025, 54(11):2890-2896. DOI: 10.12442/j.issn.1002-185X.20240391

      Abstract (29) HTML (39) PDF 2.63 M (106) Comment (0) Favorites

      Abstract:The precipitation hardening behavior of Al-Mg-Si-Zn alloys with different Mg/Si ratios was studied by mechanical property test, differential scanning calorimetry, and high-angle annular dark-field scanning transmission electron microscope. The results show that the addition of Zn significantly increases the peak-aging hardness and yield strength of Mg-rich Al-Mg-Si alloys. There are three pathways for the transformation from the phase to the late-stage phases ( phase or phase) in Al-Mg-Si-Zn alloys during aging. The Mg-rich alloy is more likely to undergo transition from the phase to the phase, while the Si-rich alloy is more prone to experience transition from the phase to the phase. During the early and peak-aging stages, the Zn atoms enter the precipitates and occupy the energetically favorable atomic sites. During the over aging stage, the Zn atoms will gradually diffuse from the precipitate interior to the interface between the precipitates and the Al-matrix.

      • 0+1
      • 1+1
      • 2+1
      • 3+1
      • 4+1
      • 5+1
      • 6+1
      • 7+1
    • A Novel Mg-Al-Zn-Y Composite Filler Metal Reinforced with Nano-SiC Particle for Brazing AZ91D Magnesium Alloy

      2025, 54(11):2904-2910. DOI: 10.12442/j.issn.1002-185X.20240419

      Abstract (19) HTML (25) PDF 2.02 M (102) Comment (0) Favorites

      Abstract:A new Mg-Al-Zn-Y composite filler metal reinforced with nano-SiC particle (referred as SiCnp/Mg-Al-Zn-Y) was used to braze AZ91D magnesium alloy in furnace under the protection of flux. The results show that the microstructure of the brazing seam is composed of Mg17Al12 eutectic matrix and α-Mg solid solution. Nano-SiC particle (SiCnp), as a heterogeneous nucleation site, refines the microstructure of the brazing seam and significantly improves the shear strength of the brazed joint. The shear strength of brazed joint with SiCnp/Mg-Al-Zn-Y (68 MPa) is 62% higher than that with Mg-Al-Zn-Y. The calculation shows that grain boundary strengthening is the most effective strengthening mechanism for improving the strength of joints, and its contribution to the shear strength is 42.7%. The fracture of the joint shows typical brittle fracture characteristics, and the crack originates from the Mg17Al12 eutectic structure distributed around the α-Mg solid solution.

      • 0+1
      • 1+1
      • 2+1
      • 3+1
      • 4+1
    • Discrete Element Simulation and Experimental Study on W-Cu Homogeneous Composites Processed by High-Pressure Torsion

      2025, 54(11):2931-2937. DOI: 10.12442/j.issn.1002-185X.20240577

      Abstract (26) HTML (30) PDF 2.55 M (103) Comment (0) Favorites

      Abstract:The discrete element simulation of high-pressure torsion (HPT) deformation of W-Cu homogeneous powder material was carried out by PFC-3D software. The force chain and displacement distribution of particles during compression and torsion deformation were analyzed, and their effects on porosity, coordination number, and equivalent stress in different regions were discussed. The simulation results indicate that the particle displacement exhibits a gradient distribution along both the compression direction and radial direction, with the maximum displacement located at the sample edge and on the upper surface. During the compression stage, particle rearrangement reduces the porosity rapidly, while shear deformation further promotes secondary particle rearrangement and rotation, which leads to a gradual decrease in porosity. The relative density and coordination number at the sample edge are higher than at the center, indicating that shear deformation under large torsional radius is beneficial for powder densification. Under the conditions of 400 ℃ and 1.5 GPa, HPT deformation is applied to the cold-pressed W-30Cu powder compacts with different turns. The experimental results show that with the increase in torsional radius and HPT turns, the degree of particle breakage, microstructure refinement, and homogeneity are improved significantly. Under the combined effect of high hydrostatic pressure and shear force, the pores are elongated and enclosed, which results in increased relative density from (95.44±0.87)% (after 10 turns) to (96.03±0.54)% (after 20 turns). The crystallite size of tungsten significantly reduces to 20.8 nm and the dislocation density rapidly increases to 2.35×1014 m-2 after 15 turns; the grain refinement and dislocation accumulation achieve the dynamic equilibrium. After 20 turns, due to the combined effects of powder densification, microstructure refinement, and dislocation accumulation, the microhardness at the samples edge reaches (334.8±4.2) HV, which represents an increment of approximately 78.7% compared to the sample center after 10 turns.

      • 0+1
      • 1+1
      • 2+1
      • 3+1
      • 4+1
      • 5+1
      • 6+1
      • 7+1
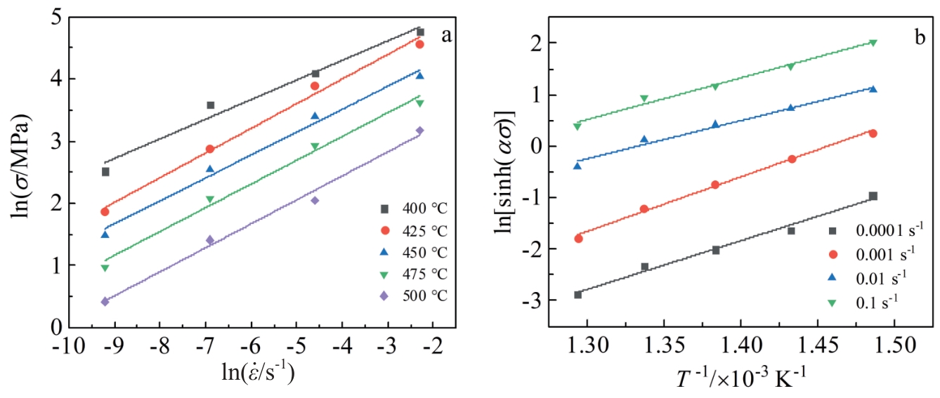
    • Superplasticity-Like Deformation Behavior and Microstructure Evolution of 7075 Aluminum Alloy

      2025, 54(11):2938-2948. DOI: 10.12442/j.issn.1002-185X.20250017

      Abstract (41) HTML (49) PDF 7.83 M (114) Comment (0) Favorites

      Abstract:The superplastic-like deformation behavior of 7075 aluminum alloy sheets was studied by high-temperature tensile tests under deformation temperature range of 400–500 ℃ and strain rate range of 0.0001–0.1 s–1. The relationship between deformation behavior and microstructural evolution was analyzed using scanning electron microscope and electron backscatter diffraction techniques. A hyperbolic sine constitutive model was established to characterize the plastic flow behavior. The results indicate that dynamic recovery is the predominant softening mechanism at high strain rates, while a transition to dynamic recrystallization occurs at lower strain rates, accompanied by a notable increase in the proportion of high-angle grain boundaries (HAGBs). Nonetheless, excessively low strain rates can lead to grain coarsening. At 450 ℃/0.01 s–1, the maximum elongation of 72% is achieved, which is attributed to the presence of fine equiaxed grains, a high fraction of HAGBs, and a low dislocation density. With the increase in temperature, dynamic recrystallization becomes more obvious, resulting in a reduction in average grain size and a gradual enhancement in elongation. However, excessively high deformation temperatures promote atomic diffusion at grain boundaries due to more intense atomic thermal motion, leading to diminished bond strength and a sharp decline in elongation. Examination of microscopic fractures at 450 ℃/0.01 s–1 reveals a multitude of uniformly distributed ductile dimples, indicative of a typical ductile fracture. As the deformation temperature rises, the fracture mechanism progressively shifts towards brittle fracture. Conversely, at constant temperature, higher strain rates predominantly induce ductile fracture, which transitions to localized brittle fracture as strain rates decrease, consequently reducing post-fracture elongation. This study investigates the deformation mechanisms of coarse-grained aluminum alloys, which helps to reduce the cumbersome pretreatment processes required for these materials. The findings hold significant importance for optimizing the processing techniques and mechanical properties of 7075 aluminum alloy, thereby promoting its broader industrial applications.

      • 0+1
      • 1+1
      • 2+1
      • 3+1
      • 4+1
      • 5+1
      • 6+1
      • 7+1
      • 8+1
      • 9+1
      • 10+1
      • 11+1
      • 12+1
    • >Reviews
    • Research Progress and Application of Flux-Coated Brazing and Soldering Materials

      2025, 54(11):2802-2808. DOI: 10.12442/j.issn.1002-185X.20240569

      Abstract (35) HTML (34) PDF 882.51 K (110) Comment (0) Favorites

      Abstract:Flux-coated brazing and soldering material is a type of material-saving and emission-reducing composite material in recent years, which is the representative product of the development of brazing and soldering technology, which is highly concerned by welding researchers worldwide. This work mainly reviewed the research reports on the design, preparation technology, and application of flux-coated brazing and soldering materials, put forward the shortcomings of current research, and proposed the future research directions mainly focusing on the standards, the synergistic reaction mechanism between flux and metals, the alloying, and the morphology of flux-coated brazing and soldering materials in order to provide reference information and theoretical guidance for related research and technological development in the field of welding.

      • 0+1
      • 1+1
      • 2+1
      • 3+1
      • 4+1
      • 5+1
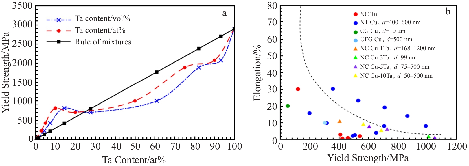
    • Research Progress and Prospects of High-Performance Cu-Ta Composites

      2025, 54(11):2949-2963. DOI: 10.12442/j.issn.1002-185X.20240661

      Abstract (69) HTML (58) PDF 1.75 M (120) Comment (0) Favorites

      Abstract:Cu-Ta composites with high strength, high electrical and thermal conductivity, and excellent thermal stability show promising applications in many fields, such as electrical devices, defense, rail transport, ultra-high field pulsed magnets, and biomedical engineering. Extensive studies were conducted to meet the application requirements, and significant results were achieved. This work provides a comprehensive review of recent developments in the fabrication methods, performance, and applications of Cu-Ta composites. Besides, the problems of present researches have been pointed out and development trends in future are prospected.

      • 0+1
      • 1+1
      • 2+1
      • 3+1
      • 4+1
      • 5+1
      • 6+1
      • 7+1
      • 8+1
    • Research Progress on Additive Friction Stir Deposition Technology of High-Performance Metal

      2025, 54(11):2964-2984. DOI: 10.12442/j.issn.1002-185X.20240461

      Abstract (53) HTML (67) PDF 4.72 M (152) Comment (0) Favorites

      Abstract:In the additive manufacturing process, there are melt-solidification defects in the processed components using electron beam or laser powder melting technology. The additive friction stir deposition (AFSD) based on solid-phase additive technology overcomes such defects and has been applied. During the additive process of AFSD, material melting and solidification are not involved. The deposited components with high material density and small grains have a uniform, equiaxed, and fine microstructures. Consequently, they possess good toughness and mechanical properties that can reach the forging level. Although there have been some studies on AFSD for materials such as aluminum alloy, magnesium alloy, and titanium alloy, this process is still in the early stage. Therefore, the research and application of AFSD in the recent 20 years were reviewed, which was elaborated from aspects such as principles, equipment, processes, properties, applications, and development trends, providing a reference for the research of AFSD.

      • 0+1
      • 1+1
      • 2+1
      • 3+1
      • 4+1
      • 5+1
      • 6+1
      • 7+1
      • 8+1
      • 9+1
      • 10+1
      • 11+1
      • 12+1
      • 13+1
      • 14+1
      • 15+1
      • 16+1
      • 17+1
      • 18+1
      • 19+1
      • 20+1
      • 21+1
      • 22+1
      • 23+1
      • 24+1
      • 25+1
      • 26+1
      • 27+1
      • 28+1
      • 29+1
      • 30+1
      • 31+1

Current Issue


,Vol., Issue

Table of Contents

Search by Issue

Issue

Most Read

Most Cited

Most Downloaded