+Advanced Search
  • Volume 54,Issue 6,2025 Table of Contents
    Select All
    Display Type: |
    • >Special Issue:titanium alloy
    • Inherent Strain Modeling of Residual Stress and Deformation for Laser Powder Bed Fused Artificial Knee Implants Under Different Building Schemes

      2025, 54(6):1417-1425. DOI: 10.12442/j.issn.1002-185X.20240247

      Abstract (116) HTML (242) PDF 5.99 M (447) Comment (0) Favorites

      Abstract:Through a modified inherent strain model based on the minimum residual stress and deformation, three building schemes with different building postures and support structures were evaluated by finite element analysis. Results demonstrate that according to the principle of reducing the overall height of the building and reducing the support structure with a large tilt angle from the building direction, the residual stress and deformation can be effectively reduced by proper design of building posture and support before laser powder bed melting. Moreover, without the data of thermophysical property variation of Ti-6Al-4V artificial knee implants with temperature, predicting the residual stress and deformation with acceptable accuracy and reduced time cost can be achieved by the inherent strain model.

      • 0+1
      • 1+1
      • 2+1
      • 3+1
      • 4+1
      • 5+1
      • 6+1
      • 7+1
      • 8+1
      • 9+1
      • 10+1
      • 11+1
      • 12+1
      • 13+1
      • 14+1
      • 15+1
      • 16+1
      • 17+1
      • 18+1
      • 19+1
      • 20+1
      • 21+1
      • 22+1
    • Al and V Leaching Kinetics During Preparation of Ti6Al4V Alloy Powders by Multistage Deep Reduction Process

      2025, 54(6):1426-1434. DOI: 10.12442/j.issn.1002-185X.20240356

      Abstract (78) HTML (113) PDF 5.03 M (285) Comment (0) Favorites

      Abstract:The leaching process of magnesiothermic self-propagating product generated during the multistage deep reduction process was investigated. The influence of magnesiothermic self-propagating product particle size, HCl solution concentration, and leaching solution temperature on the leaching behavior of Al and V elements was investigated. Results demonstrate that the leaching rate of Al and V is increased with the rise in leaching solution temperature, the increase in HCl solution concentration, and the enlargement of magnesiothermic self-propagating product particle size. The leaching processes of Al and V are consistent with the chemical reaction control model. When the magnesiothermic self-propagation product with D50 of 59.4 μm is selected as the raw material, the leaching temperature is 40 °C, and 1 mol/L HCl solution is employed, after leaching for 180 min, the leaching rates of Al and V are 24.8% and 12.6%, respectively. The acid-leached product exhibits a porous structure with a specific surface area of 3.5633 m2/g.

      • 0+1
      • 1+1
      • 2+1
      • 3+1
      • 4+1
      • 5+1
      • 6+1
      • 7+1
      • 8+1
      • 9+1
      • 10+1
      • 11+1
      • 12+1
      • 13+1
    • Influence of Friction Condition on Cavity Filling for Large-Scale Titanium Alloy Strut Forging

      2025, 54(6):1462-1466. DOI: 10.12442/j.issn.1002-185X.20240277

      Abstract (73) HTML (101) PDF 996.18 K (262) Comment (0) Favorites

      Abstract:The titanium alloy strut serves as a key load-bearing component of aircraft landing gear, typically manufactured via forging. The friction condition has important influence on material flow and cavity filling during the forging process. Using the previously optimized shape and initial position of preform, the influence of the friction condition (friction factor m=0.1–0.3) on material flow and cavity filling was studied by numerical method with a shear friction model. A novel filling index was defined to reflect material flow into left and right flashes and zoom in on friction-induced results. The results indicate that the workpiece moves rigidly to the right direction, with the displacement decreasing as m increases. When m<0.18, the underfilling defect will occur in the left side of strut forging, while overflow occurs in the right forging die cavity. By combining the filling index and analyses of material flow and filling status, a reasonable friction factor interval of m=0.21–0.24 can be determined. Within this interval, the cavity filling behavior demonstrates robustness, with friction fluctuations exerting minimal influence.

      • 0+1
      • 1+1
      • 2+1
      • 3+1
      • 4+1
      • 5+1
      • 6+1
      • 7+1
      • 8+1
      • 9+1
      • 10+1
      • 11+1
      • 12+1
      • 13+1
      • 14+1
      • 15+1
    • Corrosion and Copper Foil Formation Behavior of Laser Welded and Spin Formed Commercially Pure Titanium in H2SO4/CuSO4 Electrolyte

      2025, 54(6):1467-1477. DOI: 10.12442/j.issn.1002-185X.20240793

      Abstract (80) HTML (101) PDF 4.02 M (361) Comment (0) Favorites

      Abstract:Based on the regulation of joint microstructure, electrochemical impedance spectroscopy, kinetic potential polarization and immersion corrosion were used to comparatively analyze the differences in the electrochemical corrosion morphology and post-foil formation surface morphology of laser beam weld (LBW) sample and spin formed sample, and to compare the corrosion resistance and Cu foil-forming ability of two samples in H2SO4/NaCl solution and CuSO4 reducing electrolyte. Results show that in H2SO4 and NaCl solutions, LBW sample and spin formed sample exhibit excellent passivation ability and corrosion resistance. Both samples show uniform corrosion morphologies and similar corrosion resistance in the strong acidic solution containing Cl-. Meanwhile, the Cu foil formation ability of the welded joint is similar to that of the spin formed sample, and both samples obtain intact Cu foils with high-quality surfaces and small differences in properties.

      • 0+1
      • 1+1
      • 2+1
      • 3+1
      • 4+1
      • 5+1
      • 6+1
      • 7+1
      • 8+1
      • 9+1
      • 10+1
      • 11+1
      • 12+1
      • 13+1
      • 14+1
      • 15+1
      • 16+1
      • 17+1
      • 18+1
    • Isothermal Transformation Curve and Mechanical Properties of Ti48Al2Cr2Nb Alloy Prepared by Electron Beam Melting after Heat Treatment

      2025, 54(6):1521-1526. DOI: 10.12442/j.issn.1002-185X.20240070

      Abstract (134) HTML (118) PDF 4.47 M (308) Comment (0) Favorites

      Abstract:The Ti48Al2Cr2Nb(Ti4822) alloy specimens were processed by electron beam melting (EBM) technique and heat-treated. The microstructure and mechanical properties of the alloy were investigated by ultra-depth microscope, scanning electron microscope, X-ray diffractometer and microhardness tester. The kinetics of microstructure transformation was also analyzed. The EBM-formed Ti4822 alloy undergoes an αγ transition after heating to 1360 ℃ and holding at 1220–1280 ℃. With the decrease in holding temperature, the transformation rate gradually increases, and the transformation of equiaxed γ phase increases from 20.01% to 53.32%. As the holding time increases from 5 min to 180 min, the transition rate first increases and then decreases. The kinetic relationship of the αγ transition could be predicted using the Avrami equation: , for which k varies from –1.94×10-3 to –21×10-3 and n varies from 0.38 to 0.53. The microhardness of alloys held at 1280 ℃ is tested for different times, and that of alloy specimen held for 5 min reaches 506 HV0.1.

      • 0+1
      • 1+1
      • 2+1
      • 3+1
      • 4+1
      • 5+1
      • 6+1
      • 7+1
      • 8+1
      • 9+1
      • 10+1
      • 11+1
      • 12+1
    • Topology Optimization Design and Mechanical Properties Study of Porous Titanium Alloy Based on Loading Characteristics of Human Bone

      2025, 54(6):1581-1587. DOI: 10.12442/j.issn.1002-185X.20240055

      Abstract (140) HTML (170) PDF 3.23 M (352) Comment (0) Favorites

      Abstract:The stress of human bone in daily activities is complex. To obtain the optimal porous titanium alloy structure suitable for bone implants, it is necessary to analyze the mechanical properties of porous structures. According to the compression, torsion, and bending loads of human bone, three kinds of porous structures (TO-C, TO-T, and TO-B) were designed and reconstructed by topology optimization method. The mechanical properties of different porous structures were studied by finite element simulation in compression, torsion and bending states. Finally, the compression test of porous specimens prepared by selective laser melting technique was carried out. The simulation results show that the compressive strength and bending strength of TO-B structure are optimal, while the torsional strength of TO-T structure is optimal. The compression test shows that the compressive strength of three structures at a porosity of 60% ranges from 188.35 MPa to 258.88 MPa and the elastic modulus ranges from 2.51 GPa to 4.16 GPa, all of which meet the requirements of human bones. By combining simulation and compression test to comprehensively analyze the mechanical properties of porous structures, it is found that TO-B structure has the best comprehensive performance and is the optimal type of porous structure for orthopedic implants.

      • 0+1
      • 1+1
      • 2+1
      • 3+1
      • 4+1
      • 5+1
      • 6+1
      • 7+1
      • 8+1
      • 9+1
      • 10+1
      • 11+1
      • 12+1
      • 13+1
      • 14+1
      • 15+1
      • 16+1
      • 17+1
      • 18+1
      • 19+1
      • 20+1
      • 21+1
      • 22+1
      • 23+1
      • 24+1
      • 25+1
      • 26+1
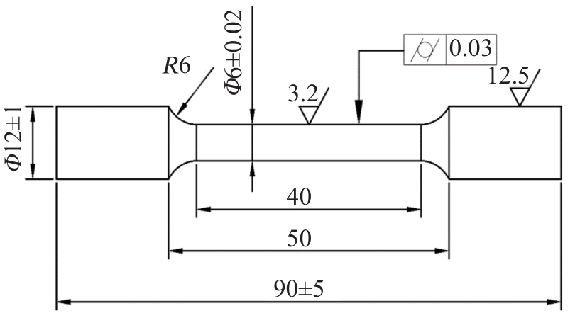
    • Hot Deformation Behavior and Constitutive Model of TA18 Titanium Alloy

      2025, 54(6):1613-1619. DOI: 10.12442/j.issn.1002-185X.20240358

      Abstract (152) HTML (181) PDF 3.62 M (338) Comment (0) Favorites

      Abstract:The hot compression test of TA18 titanium alloy was carried out by Gleeble-3500 thermal simulation testing machine. The hot deformation behavior of TA18 titanium alloy was studied under the deformation temperature of 1073–1323 K and strain rate of 0.001–10 s-1. According to the obtained true stress-true strain curve, a modified nonlinear regression constitutive model of TA18 titanium alloy was established. The results show that the flow stress of TA18 titanium alloy is sensitive to strain rate and deformation temperature. The stress-strain curves show continuous dynamic softening characteristics in the dual-phase region, and the softening mechanism is mainly dynamic recrystallization. In the single-phase region, the characteristics of steady-state flow are presented, and the softening mechanism is mainly dynamic recovery. The hot deformation activation energy of TA18 titanium alloy in dual-phase region and single-phase region is 643.2 and 148.1 kJ/mol, respectively. The correlation coefficient R and the average absolute relative error AARE of the modified nonlinear regression constitutive model are 0.986 and 7.66%, respectively, indicating that the model can accurately predict the change of flow stress of TA18 titanium alloy. Additionally, with the increase in strain rate, the dynamic recrystallization degree of TA18 titanium alloy decreases first and then increases, and the dynamic recrystallization grain size decreases gradually. With the increase in temperature, the alloy undergoes isomerism transformation, and the alloy structure changes from equiaxed structure to basketweave structure.

      • 0+1
      • 1+1
      • 2+1
      • 3+1
      • 4+1
      • 5+1
      • 6+1
      • 7+1
      • 8+1
      • 9+1
      • 10+1
      • 11+1
      • 12+1
      • 13+1
    • >Magnesium Alloy
    • Effect of High-Pressure Torsion on Microstructure and Secondary Phase Distribution of Mg-3Zn-1Ca-0.5Sr Alloy

      2025, 54(6):1457-1461. DOI: 10.12442/j.issn.1002-185X.20240272

      Abstract (127) HTML (81) PDF 4.03 M (296) Comment (0) Favorites

      Abstract:Degradable metals, represented by magnesium and magnesium alloys, have attracted significant attention as fracture internal fixation and bone defect repairing materials due to their good biocompatibility, suitable elastic modulus and degradable properties. The Mg-3Zn-1Ca-0.5Sr (wt%) alloy is considered a competitor in the biomaterial field thanks to its unique composition of essential nutrients and excellent mechanical properties. However, the presence of coarse second-phase particles in the alloy accelerates its degradation rate and causes excessive gas formation during implantation, which restricts the alloy's potential for clinical device applications. In order to further optimize the properties of the alloy, extrusion combined with high-pressure torsion (HPT) was adopted for deformation processing. The results show that by optimizing the material processing means, the grain can be refined and broken, and the second-phase distribution can be improved, thus improving the microstructure, mechanical properties, and corrosion resistance of the alloy. After 15 cycles of HPT processing, the grains of the alloy are significantly refined to the nanometer scale, reaching approximately 98 nm. Additionally, the second-phase distribution is greatly improved, transforming the original streamlined structure into a more dispersed distribution. This change in microstructure leads to a significant strengthening effect on the alloy, with a noticeable increase in hardness from 60.3 HV in the as-extruded state to 98.5 HV.

      • 0+1
      • 1+1
      • 2+1
      • 3+1
      • 4+1
      • 5+1
      • 6+1
      • 7+1
    • Effects of Extrusion Temperature on the Microstructure and Mechanical Properties of Mg-Sn Alloy

      2025, 54(6):1507-1520. DOI: 10.12442/j.issn.1002-185X.20240069

      Abstract (103) HTML (132) PDF 14.37 M (377) Comment (0) Favorites

      Abstract:The effects of different extrusion temperatures (160, 220 and 230 ℃) on the microstructure and mechanical properties of Mg-7Sn alloy with heterogeneous grain structure were investigated using optical microscope, X-ray diffractometer, electron backscatter diffractometer, transmission electron microscope, and a universal experimental tensile machine. All three extruded alloys contain fine dynamic recrystallized grains and coarse hot-worked grains. The difference in deformability between coarse and fine grains leads to the formation of hetero-deformation induced stress (HDI). The extruded alloys form a typical basal texture, and the texture strength of the basal texture is weakened with increasing extrusion temperature, which is mainly attributed to the fact that the increase in extrusion temperature promotes the dynamic recrystallization and the activation of non-basal slip. The extruded 9E160 alloy exhibits high tensile strength at room temperature (σb=341.83 MPa) due to HDI strengthening, fine grain strengthening and high volume fraction of nanoscale Mg2Sn phase precipitation strength. The increase in extrusion temperature facilitates dynamic recrystallization, resulting in grain refinement and further enhancement of the alloy's plasticity. The improved plasticity of the alloy can be attributed to both grain refinement and activation of non-basal slip systems.

      • 0+1
      • 1+1
      • 2+1
      • 3+1
      • 4+1
      • 5+1
      • 6+1
      • 7+1
      • 8+1
      • 9+1
      • 10+1
      • 11+1
      • 12+1
      • 13+1
      • 14+1
      • 15+1
      • 16+1
      • 17+1
      • 18+1
      • 19+1
      • 20+1
      • 21+1
      • 22+1
      • 23+1
      • 24+1
      • 25+1
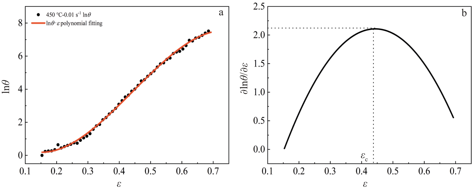
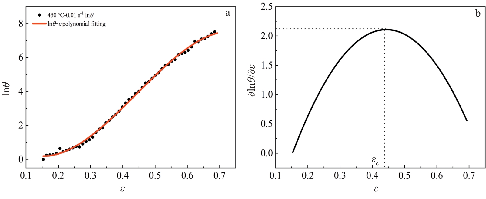
    • Hot Deformation Behavior and Dynamic Recrystallization Model of Mg-6Gd-3Y-1.5Zn-0.6Zr Magnesium Alloy

      2025, 54(6):1543-1549. DOI: 10.12442/j.issn.1002-185X.20240087

      Abstract (105) HTML (107) PDF 4.67 M (278) Comment (0) Favorites

      Abstract:To study the hot deformation behavior and related dynamic recrystallization models of Mg-6Gd-3Y-1.5Zn-0.6Zr alloy, single-pass hot compression experiments were conducted on the alloy using a Gleeble-3500 thermal simulation testing machine under deformation conditions of 350–500 °C and 0.001–1 s-1. The dynamic recrystallization behavior was investigated by OM and TEM. Based on the true stress-strain curve, a critical strain model and a kinetics model for dynamic recrystallization were established. The results show that the dynamic recrystallization behavior of Mg-6Gd-3Y-1.5Zn-0.6Zr alloy is influenced by both deformation temperature and strain rate. With the increase in deformation temperature and the decrease in strain rate, the dynamic recrystallization of the alloy becomes more complete. After deformation, the microstructure of the alloy exhibits a typical bimodal structure. The blocky LPSO phase can promote nucleation of recrystallization through the particle stimulation nucleation (PSN) mechanism, while the lamellar LPSO phase undergoes a kink phenomenon. The analysis results of the microstructure after deformation prove that the established dynamic recrystallization model is highly consistent with the experimental results, indicating that this model can effectively predict the dynamic recrystallization behavior of the alloy.

      • 0+1
      • 1+1
      • 2+1
      • 3+1
      • 4+1
      • 5+1
      • 6+1
      • 7+1
      • 8+1
      • 9+1
      • 10+1
      • 11+1
      • 12+1
      • 13+1
      • 14+1
      • 15+1
      • 16+1
      • 17+1
      • 18+1
    • Microstructure and Properties of Mg-2.0Zn-0.3Mn-2.0Al-xY(0x5.0wt%) Alloys

      2025, 54(6):1565-1573. DOI: 10.12442/j.issn.1002-185X.20240050

      Abstract (75) HTML (96) PDF 8.71 M (350) Comment (0) Favorites

      Abstract:The influence of Y content on the microstructure, mechanical properties, and corrosion resistance of as-cast Mg-2.0Zn-0.3Mn-2.0Al-xY (0≤x≤5.0wt%) alloys melted in a ZGJL0.01-40-4 medium-frequency induction furnace at 800±5 ℃ was investigated. The results indicate that the second phases in the Y-containing alloys are mainly composed of Al2Y and (Al, Zn)11Y3 phases. With the increase in Y content, the grain size of alloy is gradually decreased, while the content and size of the second phases are gradually increased. The mechanical properties and corrosion resistance show a trend of firstly increasing and then decreasing. When the Y content is 3.0wt%, the alloy exhibits good mechanical properties and corrosion resistance due to the coupled effects of grain size and type, size, and distribution of the second phase. Its ultimate tensile strength, yield strength, and elongation are 210.47±2.26 MPa, 132.71±2.28 MPa, and (16.56±1.11)%, respectively. The average mass loss corrosion rate and hydrogen evolution corrosion rate are 4.87±0.30 and 4.69±0.31 mm/a, respectively.

      • 0+1
      • 1+1
      • 2+1
      • 3+1
      • 4+1
      • 5+1
      • 6+1
      • 7+1
      • 8+1
      • 9+1
      • 10+1
      • 11+1
      • 12+1
      • 13+1
      • 14+1
      • 15+1
      • 16+1
      • 17+1
      • 18+1
      • 19+1
      • 20+1
      • 21+1
    • Effect of Grain Structure on Mechanical Properties and Corrosion Behavior of Deformed Mg-0.8Bi-0.35Al-0.35Ge Alloys

      2025, 54(6):1603-1612. DOI: 10.12442/j.issn.1002-185X.20240673

      Abstract (103) HTML (155) PDF 8.61 M (371) Comment (0) Favorites

      Abstract:Mg-0.8Bi-0.35Al-0.35Ge alloys with different grain structures were prepared by rolling and extrusion processes, including homogeneous E-T2 alloy and heterogeneous R-T2 alloy. The effects of grain structure on the mechanical properties and corrosion behavior of deformed alloys were discussed. Results show that the E-T2 alloy exhibits a homogeneous equiaxed grain structure, whereas the R-T2 alloy exhibits a necklace bimodal grain structure. E-T2 alloy exhibits excellent mechanical properties with synergistic corrosion resistance, whose yield strength, ultimate tensile strength, elongation, and corrosion rate are 208.0 MPa, 274.0 MPa, 25.4%, and 0.12 mm/a, respectively. In contrast, although R-T2 alloy has higher yield strength (285.0 MPa), its corrosion resistance is inferior (0.35 mm/a). This is mainly related to the severe intergranular corrosion caused by the presence of cathode Mg3Bi2 phase and high-density dislocations at the grain boundary.

      • 0+1
      • 1+1
      • 2+1
      • 3+1
      • 4+1
      • 5+1
      • 6+1
      • 7+1
      • 8+1
      • 9+1
      • 10+1
      • 11+1
      • 12+1
      • 13+1
      • 14+1
      • 15+1
      • 16+1
      • 17+1
      • 18+1
      • 19+1
      • 20+1
      • 21+1
    • >Materials Science
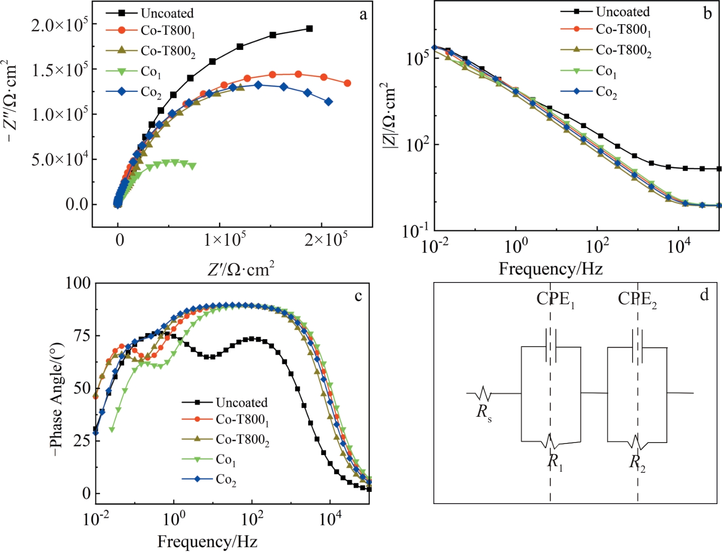
    • High-Temperature Oxidation Property and Corrosion and Wear Resistance of Laser Cladding Co-based Coatings on Pure Zr Surface

      2025, 54(6):1397-1409. DOI: 10.12442/j.issn.1002-185X.20240270

      Abstract (116) HTML (130) PDF 10.20 M (327) Comment (0) Favorites

      Abstract:Co-based alloy coating was prepared on Zr alloy using laser melting and cladding technique to study the difference in the high-temperature oxidation behavior between pure metal Co coatings and Co-T800 alloy coatings, as well as the wear resistance of the coatings. Besides, the effect of changing the laser melting process on the coatings was also investigated. The oxidation mass gain at 800–1200 °C and the high-temperature oxidation behavior during high-temperature treatment for 1 h of two coated Zr alloy samples were studied. Results show that the Co coating and the Co-T800 coating have better resistance against high-temperature oxidation. After oxidizing at 1000 °C for 1 h, the thickness of the oxide layer of the uncoated sample was 241.0 μm, whereas that of the sample with Co-based coating is only 11.8–35.5 μm. The friction wear test shows that the depth of the abrasion mark of the coated sample is only 1/2 of that of the substrate, indicating that the hardness and wear resistance of the Zr substrate are greatly improved. The disadvantage of Co-based coatings is the inferior corrosion resistance in 3.5wt% NaCl solution.

      • 0+1
      • 1+1
      • 2+1
      • 3+1
      • 4+1
      • 5+1
      • 6+1
      • 7+1
      • 8+1
      • 9+1
      • 10+1
      • 11+1
      • 12+1
      • 13+1
      • 14+1
      • 15+1
      • 16+1
      • 17+1
      • 18+1
      • 19+1
      • 20+1
      • 21+1
      • 22+1
      • 23+1
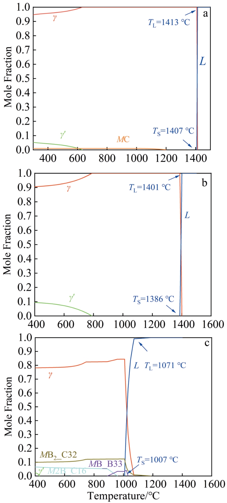
    • Deformation and Fracture Mechanism of Third-Generation Single Crystal Superalloy During In-situ Tension at Room Temperature

      2025, 54(6):1410-1416. DOI: 10.12442/j.issn.1002-185X.20240291

      Abstract (132) HTML (125) PDF 4.88 M (289) Comment (0) Favorites

      Abstract:The deformation and fracture of a third-generation single crystal superalloy during in-situ tension at room temperature were investigated at multiple scales by scanning electron microscope, electron back-scattered diffractometer, and transmission electron microscope to reveal the deformation and fracture mechanism during tension. The proportion of low angle boundaries (LABs) with angles from 2.5° to 5.5° increases during tension. The change in LABs is particularly pronounced after elongation over 7%. The initiation of microcracks is caused by {111}<110> slip systems. After initiation, the crack size along the stress direction increases whereas the size extension along slip systems is suppressed. The fracture mode of the alloy is quasi-cleavage fracture and the slip lines near the fracture are implicit at room temperature.

      • 0+1
      • 1+1
      • 2+1
      • 3+1
      • 4+1
      • 5+1
      • 6+1
      • 7+1
      • 8+1
      • 9+1
      • 10+1
      • 11+1
      • 12+1
      • 13+1
      • 14+1
      • 15+1
      • 16+1
      • 17+1
      • 18+1
    • Numerical Simulation and Preparation of Micro-gear via Casting Forming Using Zr-based Amorphous Alloy

      2025, 54(6):1435-1444. DOI: 10.12442/j.issn.1002-185X.20240262

      Abstract (113) HTML (111) PDF 1.42 M (232) Comment (0) Favorites

      Abstract:A suction casting experiment was conducted on Zr55Cu30Al10Ni5 (at%) amorphous alloy. Using ProCAST software, numerical simulations were performed to analyze the filling and solidification processes. The velocity field during the filling process and the temperature field during the solidification process of the alloy melt under different process parameters were obtained. Based on the simulation results, a Zr-based amorphous alloy micro-gear was prepared via casting. The results indicate that increasing the suction casting temperature enhances the fluidity of alloy melt but induces unstable flow rate during filling, which is detrimental to complete filling. Zr-based amorphous micro-gears with a module of 0.6 mm, a tooth top diameter of 8 mm, and 10 teeth were prepared through the suction casting. X-ray diffraction and differential scanning calorimetry analyses confirm that the fabricated micro-gear exhibits characteristic amorphous structural features, demonstrating well-defined geometrical contours and satisfactory forming completeness.

      • 0+1
      • 1+1
      • 2+1
      • 3+1
      • 4+1
      • 5+1
      • 6+1
      • 7+1
      • 8+1
      • 9+1
      • 10+1
      • 11+1
      • 12+1
      • 13+1
      • 14+1
      • 15+1
      • 16+1
      • 17+1
      • 18+1
      • 19+1
      • 20+1
      • 21+1
      • 22+1
      • 23+1
    • Effect of Direct Current on Wetting of Cu Substrate in Liquid Sn Solder

      2025, 54(6):1445-1450. DOI: 10.12442/j.issn.1002-185X.20240290

      Abstract (73) HTML (79) PDF 1.49 M (272) Comment (0) Favorites

      Abstract:The wetting behavior of liquid tin (Sn) solder on copper (Cu) substrate at 250 ℃ was investigated by the wetting balance method under the action of direct current (DC). The curves of wetting balance were measured and the morphology of the intermetallic compound (IMC) precipitated at the interface were observed. Results show that DC has a significant effect on the wettability and IMC. As the current increases, the balance wetting force and the thickness of the IMC layer increase. The direction of the DC also has a certain effect on the balance wetting force and IMC layer. When the current is negative, the final balance wetting force and the thickness of the Cu6Sn5 layer are significantly higher than those in the positive current case, which is attributed to electromigration. The IMC precipitation at the interface provides a chemical driving force for the movement of the triple junction. The interaction of the interface atoms and the chemical reaction are enhanced by DC, thereby improving wettability. Meanwhile, the Marangoni convection caused by DC inside liquid Sn solder changes the structure of triple junction, which provides a physical driving force for the spread of the liquid Sn solder on the Cu substrate.

      • 0+1
      • 1+1
      • 2+1
      • 3+1
      • 4+1
      • 5+1
      • 6+1
      • 7+1
      • 8+1
      • 9+1
      • 10+1
      • 11+1
      • 12+1
      • 13+1
      • 14+1
    • Effect of Magnetron Sputtered Gas on Microstructure and Hydrogen Adsorption Performance of ZrCoRE Films

      2025, 54(6):1451-1456. DOI: 10.12442/j.issn.1002-185X.20240265

      Abstract (91) HTML (79) PDF 2.96 M (262) Comment (0) Favorites

      Abstract:ZrCoRE (RE denotes rare earth elements) non-evaporable getter films have significant applications in vacuum packaging of micro electro mechanical system devices because of their excellent gas adsorption performance, low activation temperature and environmental friendliness. The films were deposited using DC magnetron sputtering with argon and krypton gases under various deposition pressures. The effects of sputtering gas type and pressure on the morphology and hydrogen adsorption performance of ZrCoRE films were investigated. Results show that the films prepared in Ar exhibit a relatively dense structure with fewer grain boundaries. The increase in Ar pressure results in more grain boundaries and gap structures in the films. In contrast, films deposited in Kr display a higher density of grain boundaries and cluster structures, and the films have an obvious columnar crystal structure, with numerous interfaces and gaps distributed between the columnar structures, providing more paths for gas diffusion. As Kr pressure increases, the film demonstrates more pronounced continuous columnar structure growth, accompanied by deeper and wider grain boundaries. This structural configuration provides a larger specific surface area, which significantly improves the hydrogen adsorption speed and capacity. Consequently, high Ar and Kr pressures are beneficial to improve the adsorption performance.

      • 0+1
      • 1+1
      • 2+1
      • 3+1
      • 4+1
      • 5+1
      • 6+1
      • 7+1
      • 8+1
      • 9+1
      • 10+1
      • 11+1
      • 12+1
      • 13+1
      • 14+1
      • 15+1
      • 16+1
      • 17+1
    • Effect of Mg Content on Composition of Aging Precipitates and Mechanical Properties of Al-Cu-Mn Alloy

      2025, 54(6):1489-1499. DOI: 10.12442/j.issn.1002-185X.20240065

      Abstract (112) HTML (96) PDF 9.72 M (346) Comment (0) Favorites

      Abstract:In this work, the effects of 0, 0.15%, 0.35%, 0.55% and 0.75% Mg (mass fraction) on the mechanical properties and microstructure of the Al-5Cu-0.7Mn alloy processed by foundry were investigated using microhardness test, tensile test, scanning electron microscope (SEM) and transmission electron microscope (TEM). The evolution of precipitation behavior was discussed, revealing the relationship between yield strength and aging precipitates. The results demonstrate that the aging precipitates of the Al-Cu-Mn-Mg alloys are transformed from the θ′′ phase (Al3Cu) to the θ′ phase (Al2Cu), with the appearance of the S phase (Al2CuMg) and the σ phase (Al5Cu6Mg2) after Mg addition. Mg-added alloys have a wider variety of phases compared to 0% Mg alloys with only the θ′′ phase, which significantly enhances the strength of the alloys. The alloy with 0.55% Mg added has excellent mechanical properties, with yield strength, tensile strength and elongation are 348 MPa, 496 MPa and 14.1%, respectively. Based on the quantitative statistics on the strengthening contribution of the precipitates, the yield strength of the 0.55% Mg alloy increases by 251.7 MPa due to aging precipitates, which is higher than that of the 0% Mg alloy (147.5 MPa). This indicates that the addition of Mg has a positive effect on the enhancement of the comprehensive mechanical properties of Al-Cu-Mn alloy.

      • 0+1
      • 1+1
      • 2+1
      • 3+1
      • 4+1
      • 5+1
      • 6+1
      • 7+1
      • 8+1
      • 9+1
      • 10+1
      • 11+1
      • 12+1
      • 13+1
      • 14+1
      • 15+1
    • Microstructure Evolution and Element Segregation of Semi-Solid Copper Alloy Slurry Prepared by Severe Plastic Deformation and Isothermal Treatment

      2025, 54(6):1500-1506. DOI: 10.12442/j.issn.1002-185X.20240068

      Abstract (96) HTML (95) PDF 5.33 M (353) Comment (0) Favorites

      Abstract:The microstructure evolution and element segregation of semi-solid ZCuSn10P1 copper alloy slurry prepared by large plastic deformation strain-induced melting activation method were studied, and the influence of isothermal treatment time on slurry characteristics was analyzed. The results show that the average grain size increases from 21.1 μm at 1 min to 68.8 μm at 10 min with the increase in isothermal treatment time at 900 ℃. The shape factor firstly increases and then decreases, from 0.31 at 1 min to 0.76 at 5 min, and then decreases to 0.56 at 10 min. The liquid phase ratio increases from 3.1% at 1 min to 9.3% at 5 min and remains stable. The diffusion layer thickness of Tin increases from 0.422 μm at 1 min to 1.704 μm at 10 min, and the content of Tin in liquid film and grain core is exponentially related to the isothermal time. The optimum isothermal treatment condition is 900 ℃ for 5 min. At this time, the average grain size, shape factor and liquid island size of the semi-solid copper alloy are 29.6 μm, 0.76 and 3.1 μm respectively. The average grain size and shape factor of the semi-solid copper alloy prepared by conventional strain-induced melting activation method are reduced by 58.9% and increased by 28.8%, respectively. The liquid island size is reduced by 31.1%, and the segregation of tin element is weakened.

      • 0+1
      • 1+1
      • 2+1
      • 3+1
      • 4+1
      • 5+1
      • 6+1
      • 7+1
      • 8+1
      • 9+1
      • 10+1
      • 11+1
      • 12+1
      • 13+1
      • 14+1
      • 15+1
      • 16+1
    • Effect of Pre-Strain Treatment on High Temperature Tensile Properties of A Novel Ni-Based Superalloy

      2025, 54(6):1527-1534. DOI: 10.12442/j.issn.1002-185X.20240076

      Abstract (101) HTML (118) PDF 10.09 M (344) Comment (0) Favorites

      Abstract:The effects of pre-strain treatment (10%–50%) on microstructure and tensile properties of a novel Ni-based superalloy at high temperature (600 ℃) were studied by EBSD, SEM and TEM. The results show that a large number of dislocation and stratification substructures are prefabricated in the alloy, and the strength of the alloy at 600 ℃ increases monotonically with the increase in the pre-deformation amount, while the elongation of the alloy decreases first and then increases. At the same time, when the pre-deformation amount is 50%, the yield strength of the alloy sample increases to 1516 MPa, the ultimate tensile strength is 1677 MPa, and the elongation after fracture is 2.47%. In addition, the strength improvement is mainly attributed to the L-C lock interaction formed by the intersection of the dislocation with the γ′ phase, the stacking fault, and the lamination fault on different (111) planes, which provides a new strengthening method for the regulation of high performance Ni-based superalloys.

      • 0+1
      • 1+1
      • 2+1
      • 3+1
      • 4+1
      • 5+1
      • 6+1
      • 7+1
      • 8+1
      • 9+1
      • 10+1
      • 11+1
      • 12+1
      • 13+1
      • 14+1
      • 15+1
    • Laser Additive Manufacturing and Arc Ablation Behavior of Nb/Cu Functionally Gradient Cathodes

      2025, 54(6):1535-1542. DOI: 10.12442/j.issn.1002-185X.20240081

      Abstract (86) HTML (117) PDF 6.02 M (308) Comment (0) Favorites

      Abstract:Functionally gradient cathodes (FGC) realize the combination of ablation-resistant surface and conductive matrix, which can effectively extend the cathodic service life. Nb/Cu FGC, with Nb layer and Cu as surface and matrix, respectively, was prepared by laser cladding. The microstructure, composition, and the phase information were characterized. The microhardness and thermal conductivity of the FGC were tested. Furthermore, the cathodic discharge and ablation behavior in Ar atmosphere were investigated. Results show that several scattered cathode spots appear and densely distributed ablation craters are observed. The Nb/Cu FGC displays relatively moderate ablation behaviors. The average ablation rate of Nb/Cu FGC (1.61 μg/C) is 26.1% lower than that of Cu cathodes (2.18 μg/C), as ascribed to the synergy of ablation resistant Nb surface and the highly-conductive Cu matrix. Nb/Cu FGC exhibits the potential in arc plasma applications.

      • 0+1
      • 1+1
      • 2+1
      • 3+1
      • 4+1
      • 5+1
      • 6+1
      • 7+1
      • 8+1
      • 9+1
      • 10+1
      • 11+1
      • 12+1
      • 13+1
      • 14+1
      • 15+1
      • 16+1
      • 17+1
    • Preparation of Y2O3 Particle Reinforced Ni-based Alloy by Spark Plasma Sintering

      2025, 54(6):1550-1557. DOI: 10.12442/j.issn.1002-185X.20240089

      Abstract (81) HTML (117) PDF 9.19 M (352) Comment (0) Favorites

      Abstract:Referring to the composition of MA754 alloy, Ni-based alloy powders with high melting point containing Ti and Nb as framework, as well as low melting point Ni-based alloy powders with B and Zr as wetting agents, were prepared by high-energy ball milling. A Ni-based ODS alloy with excellent performance was prepared by spark plasma sintering after mixing two kinds of powder in the optimal ratio. The influence of sintering temperature and the content of low melting point powder in composite powder on the microstructure and mechanical properties of the alloy was studied. The results show that dispersed oxides can be observed in the alloy structure prepared by this method, and the room-temperature strength is improved compared to MA754 alloy, but the plasticity decreases. As the content of low melting point alloy in the composite powder increases, the alloy structure firstly becomes small and uniform, and then acicular aggregate phases and coarse block phases appear. The tensile strength of the alloy shows a trend of firstly increasing and then decreasing. When the sintering temperature is 1025 ℃ and the content of low melting point alloy powder in the composite powder is 3wt%, the alloy has the highest tensile strength of 951.87 MPa, which is significantly improved compared with commercial MA754 alloy. Additionally, the maximum elongation is 11.18%.

      • 0+1
      • 1+1
      • 2+1
      • 3+1
      • 4+1
      • 5+1
      • 6+1
      • 7+1
      • 8+1
      • 9+1
      • 10+1
      • 11+1
      • 12+1
      • 13+1
      • 14+1
      • 15+1
      • 16+1
      • 17+1
      • 18+1
      • 19+1
      • 20+1
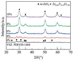
    • Hydrothermal Synthesis of YSZ Powder and Preparation of Its SPS Bulk Materials

      2025, 54(6):1558-1564. DOI: 10.12442/j.issn.1002-185X.20230794

      Abstract (222) HTML (119) PDF 5.33 M (353) Comment (0) Favorites

      Abstract:Yttria-stabilized zirconia (YSZ) powder was synthesized by hydrothermal method using yttrium nitrate hexahydrate and zirconium oxychloride as yttrium and zirconium sources, respectively. Then, YSZ bulk material was prepared by spark plasma sintering (SPS) method using the obtained YSZ powder as raw material. The effects of sintering temperature and sintering pressure on the microstructure, Vickers hardness, fracture toughness and other mechanical properties of the bulk materials were studied. The results show that pure YSZ powder can be obtained by hydrothermal method when the content of yttrium is 10%. With the increase in SPS temperature and pressure, the density of YSZ bulk material is gradually increased, and YSZ bulk with a porosity of only 2.6% is prepared at 1400 ℃/50 MPa. With the increase in sintering temperature, the Vickers hardness, nano-hardness and elastic modulus of the bulk material are first increased and then decreased. The increased sintering pressure is conducive to the improvement of the mechanical properties of the bulk material, and the maximum values will be reached at 1400 ℃/50 MPa, when the Vickers hardness, nano-hardness and elastic modulus are 13.11±0.2 GPa, 15.67±0.21 GPa and 350.43±6.19 GPa, respectively. The fracture toughness is decreased first and then increased with the increase in sintering temperature, while decreased with the increase in sintering pressure, which reaches the maximum of 5.4±0.27 MPa·m1/2 at 1400 ℃/20 MPa.

      • 0+1
      • 1+1
      • 2+1
      • 3+1
      • 4+1
      • 5+1
      • 6+1
      • 7+1
      • 8+1
      • 9+1
      • 10+1
      • 11+1
      • 12+1
      • 13+1
      • 14+1
      • 15+1
      • 16+1
      • 17+1
      • 18+1
      • 19+1
      • 20+1
      • 21+1
      • 22+1
      • 23+1
      • 24+1
      • 25+1
    • Effects of W Content on Microstructure and Mechanical Properties of Ti-W Composites

      2025, 54(6):1574-1580. DOI: 10.12442/j.issn.1002-185X.20240051

      Abstract (82) HTML (128) PDF 4.30 M (262) Comment (0) Favorites

      Abstract:Ti-W composites with different W additions were prepared by spark plasma sintering technique and their phase composition, microscopic morphology, mechanical property, and fracture morphology were investigated. The results show that W element can refine the particle size of composite powder and promote the interfacial bonding. The relative density of Ti-W composite with 5at% W addition content increases from 92.33% (pure Ti) to 98.49%, the microhardness increases from HV0.5 315 to HV0.5 740. The compressive strength of Ti-W composites is also significantly improved, and the compressive yield strength of Ti-W composite with 25at% W addition content (Ti-25W) is as high as 2267 MPa. When the W content is lower than 20at%, the lamellar α/β-Ti phase and precipitated nano-martensite play a major role in strengthening; when the W content is 25at%, the unsolidified W particles and W-rich solid solution play a role in particle strengthening and solid solution strengthening.

      • 0+1
      • 1+1
      • 2+1
      • 3+1
      • 4+1
      • 5+1
      • 6+1
      • 7+1
      • 8+1
      • 9+1
      • 10+1
      • 11+1
      • 12+1
      • 13+1
      • 14+1
      • 15+1
      • 16+1
      • 17+1
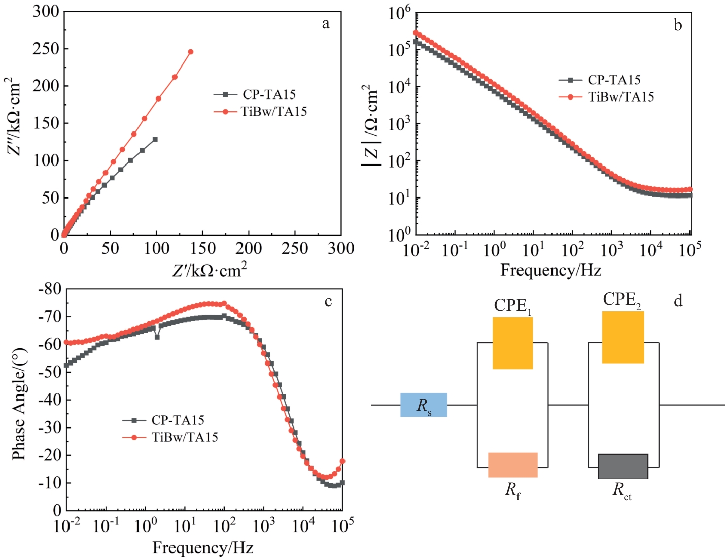
    • Corrosion Resistance of 5vol%TiBw/TA15 Composite with Mesh Structure

      2025, 54(6):1588-1595. DOI: 10.12442/j.issn.1002-185X.20240056

      Abstract (109) HTML (131) PDF 3.08 M (278) Comment (0) Favorites

      Abstract:The 5vol%TiBw/TA15 composite with mesh structure was prepared by low-energy ball milling in conjunction with vacuum hot pressing sintering technique, and its corrosion resistance was investigated. Pure TA15 and 5vol%TiBw/TA15 composite were subjected to electrochemical corrosion tests. The open circuit potential, polarization curves, and electrochemical impedance spectra of the two materials were measured and compared in 3.5wt% NaCl corrosion solution. The results show that compared with pure TA15, the composite reinforced by 5vol% TiBw with mesh structure has a lower self-corrosion current density (0.033 μA·cm-2), higher polarization resistance value (42 993 kΩ·cm2), and fewer corrosion pits, demonstrating superior corrosion resistance. This phenomenon is attributed to the presence of TiBw reinforcement, which accelerates the formation of a stable TiO2 passivation film on the surface of the 5vol%TiBw/TA15 composite compared to pure TA15 during the electrochemical corrosion process.

      • 0+1
      • 1+1
      • 2+1
      • 3+1
      • 4+1
      • 5+1
      • 6+1
      • 7+1
      • 8+1
      • 9+1
      • 10+1
      • 11+1
      • 12+1
      • 13+1
    • Effect of Be on Transformation of Fe-containing Phase of Al-Si-Mg Alloy During Heat Treatment

      2025, 54(6):1596-1602. DOI: 10.12442/j.issn.1002-185X.20240098

      Abstract (106) HTML (110) PDF 7.17 M (309) Comment (0) Favorites

      Abstract:To investigate the effect of Be on the transformation of Fe-containing phases during solution treatment, a series of experiments combining Be with different solution treatment processes were designed, and the intrinsic relationship between its effect on the morphology of eutectic silicon and Fe-containing phases and the mechanical properties was studied, aiming to improve the overall performance of the hypoeutectic Al-Si-Mg alloy. The results show that Be delays the decomposition of Mg2Si phase and promotes the transformation of π-AlSiMgFe phase to β-AlFeSi phase. The accelerated transformation of the structure and morphology of π-AlSiMgFe phase not only enhances the strengthening effect, but also weakens the cleavage effect of π-AlSiMgFe phase on the matrix, thus synchronously improving the strength and plasticity of the alloy.

      • 0+1
      • 1+1
      • 2+1
      • 3+1
      • 4+1
      • 5+1
      • 6+1
      • 7+1
      • 8+1
      • 9+1
      • 10+1
      • 11+1
      • 12+1
      • 13+1
      • 14+1
      • 15+1
      • 16+1
      • 17+1
      • 18+1
      • 19+1
      • 20+1
      • 21+1
      • 22+1
      • 23+1
    • Milling Behavior and Failure Mechanism of PVD-TiN/AlTiN Nano Composite Coated Plate-Grained Cemented Carbide Tools

      2025, 54(6):1620-1629. DOI: 10.12442/j.issn.1002-185X.20240044

      Abstract (61) HTML (172) PDF 9.79 M (338) Comment (0) Favorites

      Abstract:Taking the traditional cemented carbide WC-10Co-0.6Cr3C2 (wt%) substrate as the reference object, WC-10Co-0.4TiC-0.6Cr3C2 (wt%) plate-grained cemented carbide tools were prepared by Ti induction method, and PVD-TiN/AlTiN nano multilayer composite coatings were deposited on the surfaces of the two groups of tools. The milling behavior of two coated tools in the machining process of 316L stainless steel was studied. The results show that under dry milling, the main failure mode of tools are wear and edge collapse, and the milling life of PT tool (based on the plate-grained cemented carbide) is 48% longer than that of CT tool (based on the traditional cemented carbide). Under wet milling, the main failure modes of tools are coating peeling and edge collapse, and the milling life of PT tools is 41% higher than that of CT tools. Under both dry and wet milling conditions, the first macro thermal crack time on the surface of PT tool is later than that of CT tool. PT tool has a longer wear stability period in the milling process. Its excellent ability to resist crack initiation and propagation is an important reason for the improvement in the milling life of coated tool (PT) based on plate-grained cemented carbide.

      • 0+1
      • 1+1
      • 2+1
      • 3+1
      • 4+1
      • 5+1
      • 6+1
      • 7+1
      • 8+1
      • 9+1
      • 10+1
      • 11+1
      • 12+1
      • 13+1
      • 14+1
      • 15+1
      • 16+1
      • 17+1
      • 18+1
      • 19+1
      • 20+1
      • 21+1
      • 22+1
      • 23+1
      • 24+1
      • 25+1
      • 26+1
      • 27+1
      • 28+1
      • 29+1
    • >Reviews
    • Review on Characteristic and Mechanical Behaviour of FGMs Prepared by Additive Manufacturing

      2025, 54(6):1478-1488. DOI: 10.12442/j.issn.1002-185X.20250002

      Abstract (130) HTML (114) PDF 1.05 M (349) Comment (0) Favorites

      Abstract:The functionally graded materials (FGMs) are obtained by various processes. While a few FGMs are obtained naturally, such as oyster, pearl, bamboo, etc, additive manufacturing (AM), known as 3D printing, is a net-shaped manufacturing process employed to manufacture complex 3D objects without tools, molds, assembly, and joining. Currently, commercial AM techniques mostly use homogeneous composition with simplified geometric descriptions, employing a single material across the entire component to achieve functional graded additive manufacturing (FGAM), in contrast to multi-material FGAM with heterogeneous structures. FGMs are widely used in various fields due to their mechanical property advantages. Because FGM plays a significant role in the industrial production, the characteristics and mechanical behaviour of FGMs prepared by AM were reviewed. In this review, the research on FGMs and AM over the past 30 years were reviewed, suggesting that future researchers should focus on the application of artificial intelligence and machine learning technologies in industry to optimize the process parameters of different gradient systems.

      • 0+1
      • 1+1
      • 2+1
      • 3+1
      • 4+1
      • 5+1
      • 6+1
      • 7+1
      • 8+1
      • 9+1
      • 10+1
      • 11+1
      • 12+1
      • 13+1
    • Advance in Formation Mechanisms of Porosity Defects and Regulatory Measures in Laser Beam Welding of Magnesium Alloys

      2025, 54(6):1630-1640. DOI: 10.12442/j.issn.1002-185X.20250028

      Abstract (370) HTML (228) PDF 1.85 M (730) Comment (0) Favorites

      Abstract:Laser beam welding (LBW) has emerged as one of the most promising connection techniques for lightweight equipment fabricated by magnesium alloys due to the less deformation, narrow heat-affected zone, and excellent welding efficiency. However, a variety of porosity defects are commonly found in the laser welded joints. The causes of laser-welded pores are complicated. The number, size and distribution characteristics of porosity affect the mechanical properties of magnesium alloy joints, and thus seriously affecting the reliable applications of magnesium alloy lightweight equipment. This study reviewed the mechanism of pores formation in the microstructure of laser welding joints of magnesium alloys, and discussed the influence of porosity on mechanical properties. The pore manipulation was proposed. The key basic research and applications of LBW of magnesium alloys were pointed out. This review may provide valuable insights for the development of joining and manufacturing technology of magnesium alloy lightweight parts in automotive and aerospace fields.

      • 0+1
      • 1+1
      • 2+1
      • 3+1
      • 4+1
      • 5+1
      • 6+1
      • 7+1
      • 8+1
      • 9+1
      • 10+1
      • 11+1
    • Research Progress in Shape Memory Alloys and Their Applications in Aviation Field

      2025, 54(6):1641-1652. DOI: 10.12442/j.issn.1002-185X.20240046

      Abstract (237) HTML (282) PDF 4.85 M (636) Comment (0) Favorites

      Abstract:Shape memory alloys (SMA) possess both the shape memory effect and superelasticity. This material plays a significant role in the aviation field, and it is crucial to understand its types, mechanisms, preparation, and processing techniques. This review focused on the research progress of SMA in aviation applications. Considering the material characteristics of SMA, its application research in aviation fields was analyzed, such as pipe joints, deformable wings, air intake fairings, and intelligent noise reduction nozzles. The research findings indicate that as aviation manufacturing technology advances, the application of SMA is expected to evolve towards high temperature resistance, lightweightness, and intelligence.

      • 0+1
      • 1+1
      • 2+1
      • 3+1
      • 4+1
      • 5+1
      • 6+1
      • 7+1
      • 8+1
      • 9+1
      • 10+1
      • 11+1
      • 12+1
      • 13+1
      • 14+1
      • 15+1
      • 16+1
      • 17+1
      • 18+1
      • 19+1
      • 20+1
      • 21+1
      • 22+1
      • 23+1
      • 24+1
      • 25+1

Current Issue


,Vol., Issue

Table of Contents

Search by Issue

Issue

Most Read

Most Cited

Most Downloaded