+高级检索
  • 2025年第54卷第4期文章目次
    全 选
    显示方式: |
    • >焊接技术
    • 钎焊材料成分设计准则及典型组织演变机制

      2025, 54(4):837-853. DOI: 10.12442/j.issn.1002-185X.20250097

      摘要 (732) HTML (547) PDF 51.10 M (1491) 评论 (0) 收藏

      摘要:钎焊材料应用广泛,在异质结构连接中发挥着工业万能胶的作用。新结构和新材料层出不穷,所需要的新型钎焊材料越来越多。研究钎料成分优化设计方法,形成钎料系统性设计准则意义重大。从应用钎料基本性能、成形加工性和综合成本三维视角出发,阐明了钎料成分设计的基本规则。本研究中钎料本构性能包括钎料机械性能、物理化学性能、电磁性能、耐蚀性能与钎焊作业时钎料的润湿性和流铺性。成型加工性包括熔炼、铸造工艺,挤压、轧制、拉拔、制环工艺,制粒、制粉和非晶微晶成型工艺。成本指材料价值和制造成本之和。提高钎料综合性能需要全面系统考量设计指标,突出钎料特色要聚焦相应技术指标,二元或三元共晶组织可以有效提高钎料流铺性,固溶体组织有利于钎料成形。采用所提出的设计准则,设计了典型的Ag基、Cu基、Zn基、Sn基钎料,并在重大科学工程中得到成功应用。

      • 0+1
      • 1+1
      • 2+1
      • 3+1
      • 4+1
      • 5+1
      • 6+1
      • 7+1
      • 8+1
      • 9+1
      • 10+1
      • 11+1
      • 12+1
      • 13+1
      • 14+1
      • 15+1
    • 镍涂层Al2O3增强低银SnAgCu复合钎料的制备及钎焊性能

      2025, 54(4):854-861. DOI: 10.12442/j.issn.1002-185X.20240154

      摘要 (220) HTML (188) PDF 2.95 M (651) 评论 (0) 收藏

      摘要:采用多巴胺聚合反应和水热法制备了镍包覆氧化铝增强相(Ni/Al2O3);使用传统铸造方法制备Ni/Al2O3增强Sn1.0Ag0.5Cu(SAC105)复合钎料。结果表明,镍涂层是连续的,但厚度不均匀。镍与氧化铝之间的界面是冶金结合的半相干界面关系;SAC105焊料与基体的强度、韧性和润湿性得到了改善,而导电性并没有显著降低。复合材料合金的断裂模式从韧脆性混合断裂转变为纯韧性断裂。将制备的复合钎焊材料制成焊膏进行铜板搭接实验。当掺杂量为0.3wt%时,达到最大剪切强度。复合钎料钎焊接头界面处金属间化合物的生长指数线性拟合为n=0.39,表明钎焊接头界面处金属间化合物生长为晶界扩散和体扩散共同作用的结果。

      • 0+1
      • 1+1
      • 2+1
      • 3+1
      • 4+1
      • 5+1
      • 6+1
      • 7+1
    • 时效处理对Ti-3Al-6Mo-2Fe-2Zr激光焊接接头组织和性能的影响

      2025, 54(4):930-936. DOI: 10.12442/j.issn.1002-185X.20240109

      摘要 (115) HTML (177) PDF 2.30 M (636) 评论 (0) 收藏

      摘要:采用激光焊接近β钛合金(Ti-3Al-6Mo-2Fe-2Zr),并对激光焊接接头进行不同温度的时效处理,揭示了时效温度、显微组织和接头拉伸性能之间的关系。结果表明,由于该合金具有较高的Mo当量且激光焊接时冷却速度较快,焊缝主要由单一β相组成。时效处理后,在焊缝和热影响区中析出了大量的α相,随着时效温度的升高,α相粗化,体积分数降低。与焊态接头相比,时效处理后接头的抗拉伸强度和延伸率均有提升。但随时效温度的升高,α相的体积分数减少,强化效果减弱。当合金在500 ℃时效8 h时,接头获得了最佳的强度和塑性匹配。接头的断裂模式由焊态下的准解理断裂转变为时效处理后的微孔聚集型断裂。

      • 0+1
      • 1+1
      • 2+1
      • 3+1
      • 4+1
      • 5+1
      • 6+1
      • 7+1
      • 8+1
      • 9+1
      • 10+1
    • >高温合金
    • 时效对热等静压致密化低合金钢上堆焊Inconel 690界面组织及性能的影响

      2025, 54(4):879-885. DOI: 10.12442/j.issn.1002-185X.20240100

      摘要 (178) HTML (165) PDF 1.87 M (604) 评论 (0) 收藏

      摘要:在600 ℃时效处理过程中,对热等静压致密化处理的低合金钢上堆焊Inconel 690界面微观结构、显微硬度和拉伸性能进行了研究。结果表明,从基体到堆焊层,界面区域可以分为4个区:贫碳区(CDZ)、局部熔化区(PMZ)、平面生长区(PGZ)和棕色特征区(BFZ)。这些区域的尺寸在时效过程中没有显著变化。然而,I型碳化物在PMZ中明显增大,而在PGZ中出现明显沉淀。它们长大和出现的主要原因是时效过程中连续的碳迁移。界面最高显微硬度出现在PGZ和BFZ区域,这与该区域中碳的堆积和沉淀有关。由于这2种材料之间较高的强度不匹配性,拉伸失效发生在基体侧。由于CDZ仅由铁素体组成,强度较低,断裂通常发生在CDZ和基体的界面处。在经过1500 h的时效处理后,抗拉伸强度仅降低了50 MPa,并且界面区域保持高强度且无明显变形。

      • 0+1
      • 1+1
      • 2+1
      • 3+1
      • 4+1
      • 5+1
      • 6+1
      • 7+1
      • 8+1
      • 9+1
    • 显微组织对FGH4113A高温合金热变形行为和组织演变的影响

      2025, 54(4):898-907. DOI: 10.12442/j.issn.1002-185X.20240199

      摘要 (132) HTML (192) PDF 6.70 M (667) 评论 (0) 收藏

      摘要:研究了热等静压(HIP,A1)、热等静压+1100 ℃热挤压(A2)、热等静压+1150 ℃热挤压(A3)3种不同热变形条件下的热压缩曲线和变形组织。结果表明:1100 ℃挤压的A2样品具有均匀的γ+γ′双相细晶粒组织,1050和1100 ℃条件下均表现出良好的热变形性能。在较大应变范围内,A2样品的真应力-真应变曲线保持了硬化-软化平衡状态,变形后平均晶粒尺寸5 μm。热等静压态A1样品和1150 ℃挤压A3样品在1050 ℃仍处于变形软化阶段,组织为原始粗大晶粒和细小再结晶晶粒的混合项链晶,样品的再结晶形核机制主要为应变诱发晶界弓弯形核。1150 ℃?0.001 s-1条件下,初始组织对热变形行为和变形后组织的影响相对较小,变形后组织为完全再结晶的晶粒。细晶组织有利于最大化合金的热变形潜力。通过合理地调控变形机制,可以获得细小均匀的变形组织。

      • 0+1
      • 1+1
      • 2+1
      • 3+1
      • 4+1
      • 5+1
      • 6+1
      • 7+1
    • 离心铸造27Cr44Ni5W3Al+MA乙烯裂解炉管原始铸态组织研究

      2025, 54(4):937-944. DOI: 10.12442/j.issn.1002-185X.20240136

      摘要 (123) HTML (160) PDF 7.88 M (737) 评论 (0) 收藏

      摘要:为了探明离心铸造27Cr44Ni5W3Al+MA(微合金)乙烯裂解炉管的原始铸态组织,采用XRD、OM、SEM及TEM等对原始铸态炉管进行了相组成分析及显微组织表征。结果表明:炉管原始铸态组织主要为奥氏体基体(γ相)和晶界鱼骨状复相碳化物,其中复相碳化物内部为片层状M7C3,边缘为块状M23C6。此外,还观察到2种形态的Ni3Al(γ′相),分别为在M23C6与基体交界处附近弥散分布的颗粒状及与M23C6相邻的块状。γ相与M23C6及颗粒状γ′相之间均存在立方-立方的位向关系组织中还观察到大量的位错,在远离M23C6的区域分布较为稀疏,在M23C6附近分布较为密集。探讨了离心铸造过程中γ′相和M23C6的析出机理,合金中W元素降低M23C6γ相的错配度,促进M23C6的析出,M23C6γ′相的成分存在互补性,M23C6的析出进一步促进γ′相的析出。

      • 0+1
      • 1+1
      • 2+1
      • 3+1
      • 4+1
      • 5+1
      • 6+1
      • 7+1
      • 8+1
      • 9+1
      • 10+1
      • 11+1
    • 典型镍基高温合金接近服役条件下的晶界宽化机理

      2025, 54(4):964-974. DOI: 10.12442/j.issn.1002-185X.20230799

      摘要 (198) HTML (196) PDF 13.42 M (704) 评论 (0) 收藏

      摘要:本研究以2种高参数先进超超临界电站过热器及再热器管材备选材料(合金A、合金B)为研究对象,系统分析了2种镍基高温合金在长期时效过程中的局部晶界宽化现象、晶界宽化动力学及晶界宽化机理。结果表明,2种合金高温长时时效过程宽化晶界区域内主要析出相为M23C6碳化物和晶界γ′相;2种合金宽化晶界随时效时间的演变遵循JMAK方程。长时时效过程2种合金晶界宽化分为3个阶段:阶段一,晶界附近M23C6碳化物回溶,导致晶界M23C6碳化物快速粗化,促使晶界发生迁移;阶段二,在晶界迁移后会析出新的M23C6碳化物,使得晶界区域M23C6碳化物呈多层排列,晶界宽度增加;阶段三,当碳化物粗化速率减慢,在M23C6/γ界面处会析出γ′相,晶界短路扩散,使得γ′相长大,晶界宽度进一步增加。

      • 0+1
      • 1+1
      • 2+1
      • 3+1
      • 4+1
      • 5+1
      • 6+1
      • 7+1
      • 8+1
      • 9+1
      • 10+1
      • 11+1
      • 12+1
      • 13+1
      • 14+1
      • 15+1
      • 16+1
      • 17+1
      • 18+1
      • 19+1
      • 20+1
      • 21+1
      • 22+1
      • 23+1
      • 24+1
      • 25+1
      • 26+1
      • 27+1
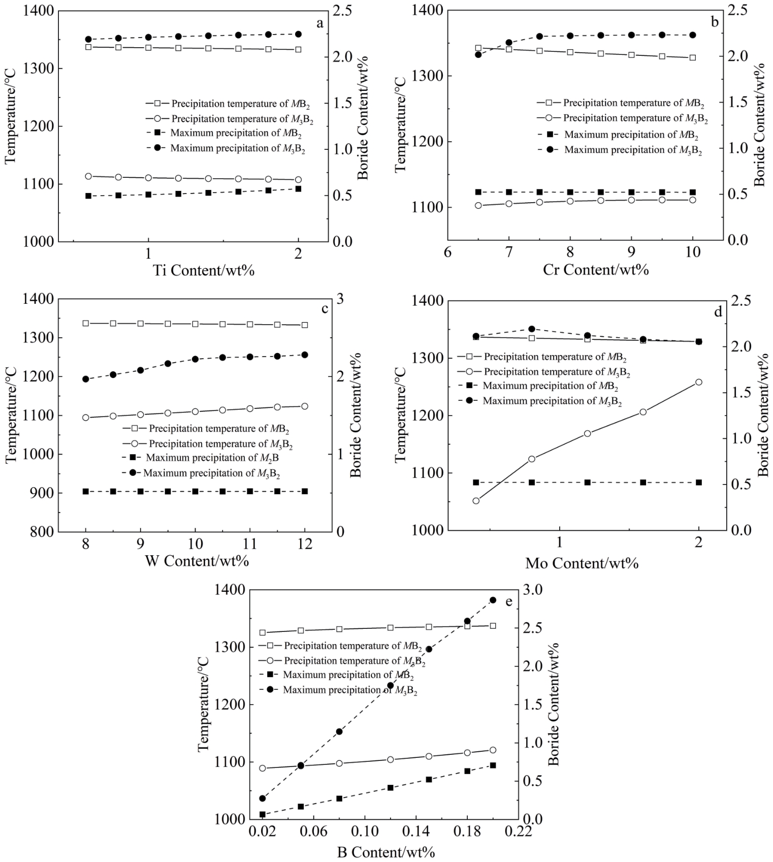
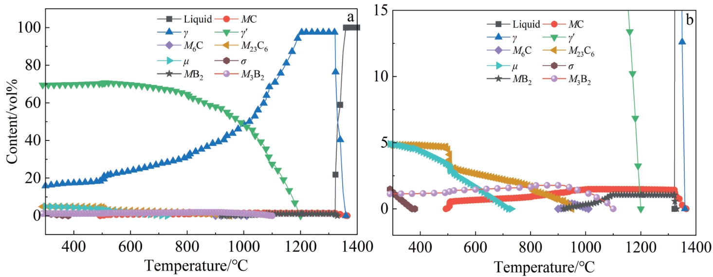
    • 新型高B铸造镍基高温合金的相析出行为

      2025, 54(4):1015-1025. DOI: 10.12442/j.issn.1002-185X.20230782

      摘要 (207) HTML (180) PDF 8.73 M (784) 评论 (0) 收藏

      摘要:利用JMatPro热力学软件,研究了合金元素对新型高B镍基高温合金的物相析出行为的影响,并与实际铸造组织进行对比。结果表明,新型高B镍基高温合金的铸态组织为典型的铸态枝晶形貌,主要由γγ′、碳化物、硼化物和(γ+γ′)共晶组织(体积分数约15.5%)等组成,凝固过程中Hf和Ta元素的偏析较明显。热力学计算表明,对合金熔化温度影响较大的元素为Ti、Ta、Hf、Al、B元素。γ′相的开始析出温度及其在900 ℃析出量随Al含量增加而升高,而Ti元素的影响相对较小。此外,Ta和Hf合金元素将促进MC型碳化物析出,Cr元素对M23C6碳化物析出量的影响大于对M6C碳化物。硼化物的析出主要受Cr和W元素的影响,而Mo元素对M3B2硼化物的析出温度影响显著。随着Co、Cr、W和Mo元素含量增加,μ相析出量和析出温度均呈现增加的趋势。

      • 0+1
      • 1+1
      • 2+1
      • 3+1
      • 4+1
      • 5+1
      • 6+1
      • 7+1
      • 8+1
      • 9+1
      • 10+1
      • 11+1
      • 12+1
      • 13+1
      • 14+1
      • 15+1
      • 16+1
      • 17+1
      • 18+1
      • 19+1
      • 20+1
    • 4Fe-Cr-Ni合金裂解炉管1075 ℃渗碳行为研究

      2025, 54(4):1034-1043. DOI: 10.12442/j.issn.1002-185X.20230779

      摘要 (155) HTML (158) PDF 6.34 M (667) 评论 (0) 收藏

      摘要:为了分析Fe-Cr-Ni合金裂解炉管的抗渗碳性能,采用粒径为1.5~3 mm的固体渗碳剂对2种传统合金炉管25Cr35NiNb+MA(微合金)、35Cr45NiNb+MA和2种具有延长清焦周期效果的加铝合金炉管27Cr44Ni5W3Al+MA和29Cr44Ni4Al+MA开展了1075 ℃条件下50~200 h的渗碳试验研究。采用直读光谱仪、扫描电镜、X射线衍射仪、维氏硬度计等对渗碳试验后炉管进行成分、组织、性能分析,研究了渗碳动力学及组织转变规律。结果表明:4种材料渗碳层厚度均随渗碳时间延长而增加,1075 ℃、200 h渗碳试验后炉管渗碳层厚度分别约为2.0、1.8、1.0和0.7 mm,平均渗碳速度分别约为0.01、0.009、0.005和0.0035 mm/h,2种加铝合金炉管的抗渗碳性能优于传统炉管。27Cr44Ni5W3Al+MA炉管时效区组织为奥氏体+块状M23C6+鱼骨状M7C3,碳化物中“M”含Cr、W等元素,渗碳区块状M23C6转变为块状M7C3和WC,鱼骨状M7C3粗化。29Cr44Ni4Al+MA炉管时效区组织为奥氏体+块状M23C6+块状NbTiC,碳化物中“M”主要为Cr元素,渗碳区块状M23C6转变为块状M7C3,NbTiC由块状转变为颗粒状。2种加铝合金炉管内壁形成了致密稳定Al2O3膜,相比于传统炉管内壁Cr2O3膜,能够更有效地阻挡碳原子进入基体,提高抗渗碳性能。

      • 0+1
      • 1+1
      • 2+1
      • 3+1
      • 4+1
      • 5+1
      • 6+1
    • Stellite 6B合金冲击韧性与滑动磨损行为研究

      2025, 54(4):1044-1052. DOI: 10.12442/j.issn.1002-185X.20240071

      摘要 (185) HTML (316) PDF 4.44 M (676) 评论 (0) 收藏

      摘要:试验测定了固溶和固溶+时效态Stellite 6B合金室温环境下的冲击韧性和与GH5605合金配副滑动磨损行为,利用Thermal-Calc软件、OM、SEM和TEM等方法分析研究了其固溶和时效态微观组织、冲击断口、磨损表面和截面特征。结果发现,固溶后进行时效处理显著降低了Stellite 6B合金的磨损率,使其磨损量减少了约70%;但时效态合金的冲击韧性仅为固溶态的30%。分析表明,固溶Stellite 6B合金的磨损机制主要是黏着磨损,黏着结合层在其基体内剪断剥离;时效处理增加了马氏体相变倾向,显著提高了抗黏着磨损能力,磨损机制为少量黏着磨损+长时疲劳磨损。由于晶界碳化物是影响时效态合金冲击韧性的主要因素,增加基体马氏体相变倾向、减少碳化物总量并抑制二次碳化物沿晶界析出是综合改善Stellite 6B合金抗黏着磨损性能和冲击韧性的工艺及成分优化方向。

      • 0+1
      • 1+1
      • 2+1
      • 3+1
      • 4+1
      • 5+1
      • 6+1
      • 7+1
      • 8+1
      • 9+1
      • 10+1
      • 11+1
    • >材料科学
    • Cu、Mo元素合金化对347H不锈钢组织与耐熔盐腐蚀性能影响

      2025, 54(4):862-870. DOI: 10.12442/j.issn.1002-185X.20240122

      摘要 (266) HTML (233) PDF 2.38 M (802) 评论 (0) 收藏

      摘要:对Cu、Mo元素合金化的347H不锈钢在565 ℃的硝酸盐(60% NaNO3+40% KNO3)中进行长达720 h的静态腐蚀实验,通过分析腐蚀产物的物相组成、微观形貌和化学成分,研究Cu、Mo元素对347H不锈钢耐熔盐腐蚀的影响。结果表明:Mo元素可以细化晶粒,使不锈钢具有耐腐蚀性能最好的中等晶粒度;不锈钢在硝酸盐中发生均匀腐蚀,腐蚀层为双层结构,内外层均存在保护基体的腐蚀产物,外层由Fe的氧化物层(Fe2O3、Fe3O4)、NaFeO2层以及少量的MgFe2O4组成,内层主要由尖晶石层(FeCr2O4、MgCr2O4)和Cu2O薄层组成。Cu在内层被氧化形成致密的Cu2O,能有效阻隔O2-等离子向基体渗透。

      • 0+1
      • 1+1
      • 2+1
      • 3+1
      • 4+1
      • 5+1
      • 6+1
      • 7+1
      • 8+1
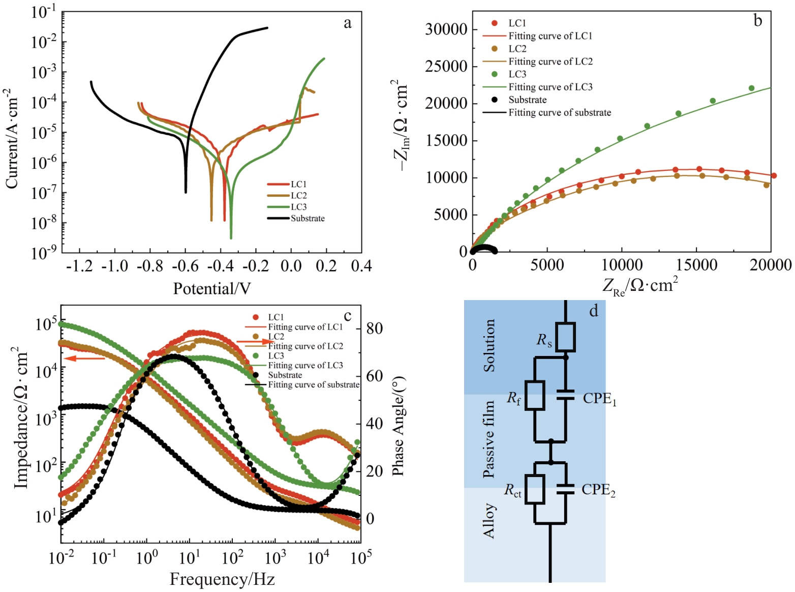
    • Gd不锈钢的时效处理及腐蚀行为

      2025, 54(4):871-878. DOI: 10.12442/j.issn.1002-185X.20240115

      摘要 (180) HTML (149) PDF 3.70 M (575) 评论 (0) 收藏

      摘要:研究了含1wt% Gd中子吸收双相不锈钢在不同温度时效后的微观结构与腐蚀行为。结果表明,材料中含Gd第二相的体积比以1080 ℃为转折点,先增后减。在1080 ℃时效处理的样品中,主要以第二相为双相M-Gd化合物(M=Fe,Cr,Ni),其核心为M3Gd相,外层为M12Gd相。在1140 ℃时效处理后,M3Gd为主要第二相。同时,研究了这两种样品在NaCl、HCl及H3BO3溶液中的腐蚀行为。1140 ℃处理后的样品具有相对较低的腐蚀速率。在NaCl和HCl溶液中,M3Gd较M12Gd具有较高的电化学活性;而在H3BO3溶液中,M3Gd则较为稳定。

      • 0+1
      • 1+1
      • 2+1
      • 3+1
      • 4+1
      • 5+1
      • 6+1
      • 7+1
      • 8+1
    • Ti(C, N)-Mo2C-Ni金属陶瓷与WC-Co硬质合金碱性条件下的冲刷腐蚀

      2025, 54(4):886-897. DOI: 10.12442/j.issn.1002-185X.E20230048

      摘要 (127) HTML (155) PDF 3.13 M (598) 评论 (0) 收藏

      摘要:作为碱性条件下的抗磨蚀材料,WC-Co硬质合金所用的金属粘结剂Co属于可能致癌的物质,并且钴尘可引起“硬金属病”,因此有必要寻找可代替材料。采用Ti(C, N)-Mo2C-Ni金属陶瓷作为抗磨蚀材料,通过碱性条件下的电化学腐蚀和冲刷腐蚀,观察了这两种材料的微观组织变化,并比较了腐蚀速率及体积损失速率,分析了材料表面破坏和体积损失机制。结果表明,在NaOH溶液电化学腐蚀作用下,Ti(C, N)-Mo2C-Ni金属陶瓷呈现了钝化现象,其腐蚀表面的氧含量显著升高;金属陶瓷的腐蚀速率比硬质合金小一个数量级。在碱性的砂-水混合液冲刷腐蚀作用下,随冲刷时间增加,金属陶瓷和硬质合金的体积损失速率都缓慢增加。在冲刷过程中,金属陶瓷微观组织的环形相脆性大,裂纹容易穿过环形相,而芯相保持完整;中粒度硬质合金中穿晶断裂模式较为常见;细粒度硬质合金中裂纹多沿相界扩展。金属陶瓷和硬质合金在碱性的砂-水混合液冲刷腐蚀过程中,砂粒冲刷磨损破坏作用是主要的。碱性的砂-水混合液冲刷腐蚀是腐蚀与冲刷两种作用相互影响、相互促进的加速破坏过程。已证实,采用金属陶瓷代替硬质合金作为碱性条件的抗磨蚀材料是可行的,且具有一定的优势。

      • 0+1
      • 1+1
      • 2+1
      • 3+1
      • 4+1
      • 5+1
      • 6+1
      • 7+1
      • 8+1
    • 引入高体积分数超细晶实现Cu/Al2O3复合材料优异的强度和导电性组合

      2025, 54(4):908-919. DOI: 10.12442/j.issn.1002-185X.20240107

      摘要 (212) HTML (139) PDF 5.28 M (590) 评论 (0) 收藏

      摘要:高强度Cu/Al2O3复合材料与其低强度相比时通常展现出明显恶化的导电性。基于一种化学和机械合金化策略,制备了低含量增强体超细复合粉末并构建超细铜粉负载原位自生Al2O3纳米颗粒组合结构。在相对较低的烧结温度(550 ℃)固结后,引入高体积分数超细晶到Cu/Al2O3复合材料中,产生大量平均尺寸为11.7±7.5 nm的原位自生Al2O3纳米颗粒,其均匀分布在铜晶粒内部。结果表明,复合材料表现出优异的高强度(654±1 MPa)与高导电(84.5±0.1% IACS)组合,这主要归因于超细晶、位错和原位自生Al2O3纳米颗粒的协同强化效果。这种以低含量增强体超细复合粉末为前驱体随后低温高压烧结的方法可应用于高性能氧化物弥散强化合金的大规模工业生产。

      • 0+1
      • 1+1
      • 2+1
      • 3+1
      • 4+1
      • 5+1
      • 6+1
      • 7+1
      • 8+1
      • 9+1
      • 10+1
      • 11+1
      • 12+1
      • 13+1
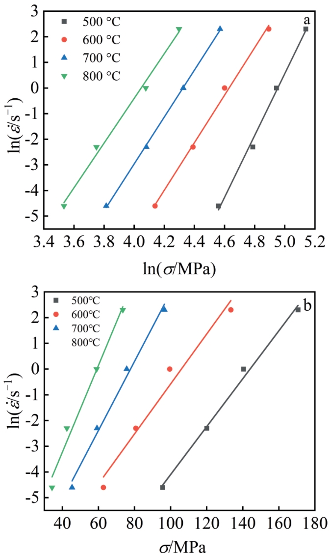
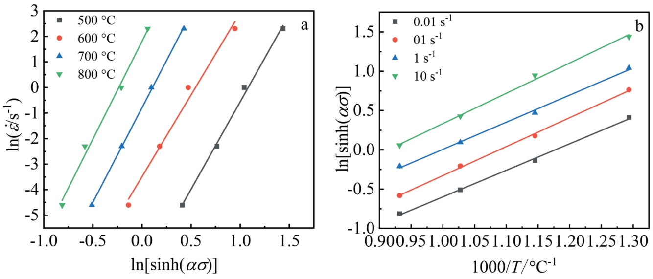
    • 电解铜的热变形行为及微观组织演变

      2025, 54(4):920-929. DOI: 10.12442/j.issn.1002-185X.20240168

      摘要 (162) HTML (149) PDF 4.78 M (559) 评论 (0) 收藏

      摘要:在变形量70%的条件下,通过Gleeble-3500热模拟试验机研究了电解铜在500~800 ℃和0.01~10 s-1范围内的热变形行为。分析电解铜在热变形过程中各变形参数下的真应力-真应变曲线,建立了应变为0.5时的本构方程。在Prasad提出的动态材料模型基础上建立了不同应变下的加工图。同时,采用电子背散射对压缩后的试样进行微观组织观察与分析。结果表明:电解铜在高温塑性变形过程中对变形温度和应变速率表现出较强的敏感性,随着温度的升高和应变速率的降低,流变应力逐渐减小。根据加工图确定了电解铜的加工条件为变形温度600~650 ℃,应变速率5~10 s-1。电解铜在高温塑性变形过程中发生了不连续动态再结晶,在低温高应变速率下,晶粒明显细化。

      • 0+1
      • 1+1
      • 2+1
      • 3+1
      • 4+1
      • 5+1
      • 6+1
      • 7+1
      • 8+1
    • 具有扩散层的层状Ti/TiNb复合材料断裂行为

      2025, 54(4):945-951. DOI: 10.12442/j.issn.1002-185X.20230783

      摘要 (96) HTML (224) PDF 4.60 M (580) 评论 (0) 收藏

      摘要:通过放电等离子烧结与热轧相结合的工艺制备了具有扩散层的层状Ti/TiNb复合材料,采用基于SEM的原位拉伸试验分析了不同状态复合材料的裂纹萌生与扩展行为,研究了Ti组元的厚度以及扩散层的组织状态对复合材料断裂行为的影响。结果表明,通过减小Ti组元的厚度,能够有效控制其内形成的贯穿裂纹的长度,进而延缓相邻TiNb层内剪切带的扩展;扩散层的组织状态对于复合材料的断裂行为有着显著影响,相比于具有“硬”扩散层的复合材料,具有“软”扩散层的复合材料在拉伸断裂前形成了更多的裂纹和剪切带,同时整体断裂后呈现出更加曲折的裂纹扩展路径。

      • 0+1
      • 1+1
      • 2+1
      • 3+1
      • 4+1
    • 高耐磨GNPs/AlSi10Mg复合材料制备及其耐磨机制研究

      2025, 54(4):952-963. DOI: 10.12442/j.issn.1002-185X.20230757

      摘要 (211) HTML (932) PDF 13.25 M (1212) 评论 (0) 收藏

      摘要:通过乙基纤维素(EC)对石墨烯纳米片(GNPs)表面改性,结合溶液超声分散和湿法球磨的方法,既实现GNPs和铝基体均匀混合,又抑制GNPs损伤,然后采用放电等离子快速烧结抑制界面反应,制备高耐磨的GNPs/AlSi10Mg复合材料。通过扫描电镜、透射电镜和摩擦试验机等设备对GNPs/AlSi10Mg复合材料的显微组织与耐磨性能进行表征分析,结果表明GNPs适量添加能有效提升复合材料的力学性能,GNPs添加量为0.5wt%时,复合材料的磨损率和摩擦系数最低,分别为7.8×10-4 mm3/(N·m)和0.417,磨损率较基体材料(10.9×10-4 mm3·N-1·m-1)降低了28.4%。GNPs/AlSi10Mg复合材料的磨损机制以磨粒磨损为主,伴随着轻微氧化磨损和粘着磨损。摩擦过程中复合材料试样与对偶接触时,在剪切力作用下GNPs露出表面形成薄膜,可作为润滑剂减少对偶与基体的接触点,防止过多的剥落和分层,起到保护基体的作用。

      • 0+1
      • 1+1
      • 2+1
      • 3+1
      • 4+1
      • 5+1
      • 6+1
      • 7+1
      • 8+1
      • 9+1
      • 10+1
      • 11+1
      • 12+1
      • 13+1
      • 14+1
      • 15+1
      • 16+1
      • 17+1
      • 18+1
      • 19+1
      • 20+1
      • 21+1
      • 22+1
      • 23+1
      • 24+1
      • 25+1
      • 26+1
      • 27+1
      • 28+1
      • 29+1
      • 30+1
      • 31+1
    • 放电等离子烧结制备La2O3/LaB6改性ZrC-SiC陶瓷及其抗烧蚀性能

      2025, 54(4):975-982. DOI: 10.12442/j.issn.1002-185X.20230768

      摘要 (135) HTML (149) PDF 8.03 M (741) 评论 (0) 收藏

      摘要:为了提高ZrC-SiC陶瓷的抗烧蚀性能,采用放电等离子烧结法在1600℃/50 MPa条件下制备了一系列不同含量La2O3和LaB6改性的ZrC-SiC复相陶瓷,在热流密度为2380 kW/m2的氧乙炔焰下考核了材料的抗烧蚀性能。结果表明:La2O3和LaB6的加入不仅提高了ZrC-SiC的烧结性能,致密度增加,还提升了其抗热震性能。随着添加量的加大,烧蚀后试样表面氧化层从破裂逐渐趋于完整。相比而言,La2O3改性后烧蚀表面形成的ZrO2-La2Zr2O7固溶层仍存在较多的孔洞和裂纹,而且与内部陶瓷结合差,防护效果有限。LaB6加入后,烧蚀过程中低熔点硼化物的挥发可将材料的烧蚀温度降低约300 ℃,试样烧蚀中心表面形成热稳定性好的La2Zr2O7-LaBO3-ZrO2外氧化层和粘结性佳的富镧Zr-O-La-B内氧化层,该双层结构的保护膜成为阻挡氧化气流进入材料内部的密实屏障,有效提高了材料的抗烧蚀性能,添加20vol% LaB6的ZrC-SiC综合抗烧蚀性能最佳。氧乙炔烧蚀60 s后,其质量烧蚀率和线性烧蚀率分别为7.5×10-4 g/s和2.1×10-3 mm/s。

      • 0+1
      • 1+1
      • 2+1
      • 3+1
      • 4+1
      • 5+1
      • 6+1
      • 7+1
    • 激光熔覆CoCrNi系中高熵合金的摩擦学和电化学性能研究

      2025, 54(4):983-992. DOI: 10.12442/j.issn.1002-185X.20230774

      摘要 (285) HTML (211) PDF 8.01 M (1226) 评论 (0) 收藏

      摘要:本工作采用激光熔覆技术在38CrMoAl表面制备中高熵合金涂层,研究了在CoCrNi系列合金中加入Al、Si、Fe、Nb等元素对合金涂层物相、组织和元素分布的影响,并对涂层的硬度、摩擦学和电化学性能进行分析表征。结果表明,CoCrNi合金是面心立方(fcc)晶体结构,Al、Fe的加入促使体心立方(bcc)相的形成;继续加入Nb、Si元素后七元合金涂层中形成了Laves/bcc共晶+富Nb的复合相,并且组织得到明显细化。CoCrNi系中高熵合金涂层综合性能均优于38CrMoAl基体。相较于CoCrNi和 AlCoCrFeNi合金涂层,AlSiCoCrFeNiNb涂层的硬度、耐磨性和耐蚀性能都有较大提升:表层硬度为713.3 HV0.1,是基体的3.24倍;磨损机制主要为轻微的磨粒磨损和黏着磨损,平均摩擦系数为0.52,磨损率为115.73×10-12 mm3/(N·m),比基体减少了64.4%;自腐蚀电位Ecorr=–0.3392 V,自腐蚀电流密度Icorr=0.472 μA·cm-2

      • 0+1
      • 1+1
      • 2+1
      • 3+1
      • 4+1
      • 5+1
      • 6+1
      • 7+1
      • 8+1
      • 9+1
      • 10+1
      • 11+1
      • 12+1
      • 13+1
      • 14+1
      • 15+1
      • 16+1
      • 17+1
      • 18+1
      • 19+1
      • 20+1
      • 21+1
    • 钛合金紧固件表面掺钛类金刚石薄膜的微观结构和磨损性能

      2025, 54(4):993-1001. DOI: 10.12442/j.issn.1002-185X.20230805

      摘要 (143) HTML (799) PDF 5.42 M (630) 评论 (0) 收藏

      摘要:本研究基于表面工程与复合多元结构设计理念,采用微波等离子体增强磁控溅射技术在钛合金螺纹紧固件表面制备了掺钛造金刚石(diamond-like carbon, DLC)薄膜,通过调控乙炔流量制备不同结构和性能的掺钛DLC复合薄膜。利用透射电子显微镜分析掺钛DLC薄膜微观形貌,通过XRD、拉曼光谱仪、台阶仪、纳米压痕仪、摩擦实验机等分析掺钛DLC复合薄膜的组织结构、残余应力、纳米硬度、膜基结合力和摩擦磨损特性。研究结果显示,掺钛DLC薄膜中生成了TiC晶相,合适乙炔流量能够有效降低薄膜的内应力,薄膜中sp3键的比例随着乙炔流量的增大逐渐降低。乙炔流量为0.025 L/min的掺钛DLC复合薄膜的硬度(H)和弹性模量(E)较高,H/E和塑性指数(H3/E2)最大,具有较高的韧性,可以抵抗压头的划擦,因此划痕中薄膜保持良好的附着,同时具有最优异的耐磨损性能,可有效提高钛合金紧固件的使用寿命。

      • 0+1
      • 1+1
      • 2+1
      • 3+1
      • 4+1
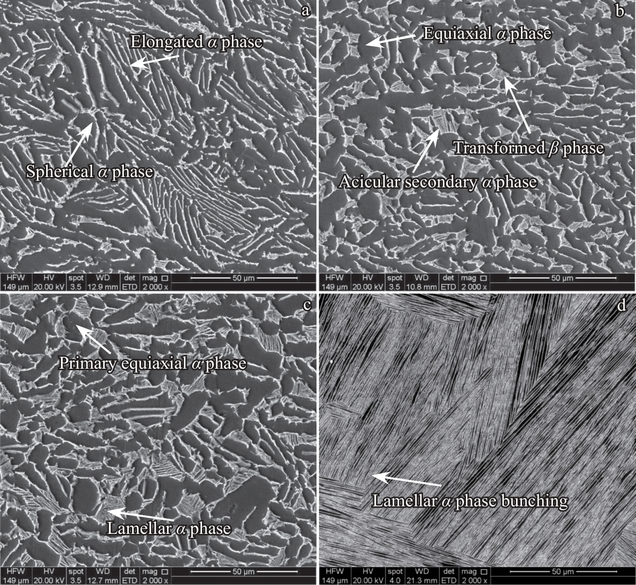
    • 退火温度对大口径Ti6321合金无缝管材组织和力学性能的影响

      2025, 54(4):1002-1007. DOI: 10.12442/j.issn.1002-185X.20230792

      摘要 (148) HTML (160) PDF 8.89 M (810) 评论 (0) 收藏

      摘要:采用锻坯斜轧穿孔+热轧工艺获得Φ450 mm×20 mm大口径Ti6321合金无缝管材,研究了不同退火温度对Ti6321合金管材组织演变和力学性能的影响。结果表明:轧制态管材组织主要是由α相和转变β相构成,940 ℃退火后得到等轴组织,970 ℃退火后得到双态组织,1020 ℃退火后得到魏氏组织;随着退火温度的升高,管材的室温屈服强度和抗拉强度呈逐渐降低的趋势,管材的塑性在相变点以下变化不大,在相变点以上急剧降低;而冲击韧性呈先升高后降低趋势。综合分析认为,所制备的大口径Ti6321合金无缝管材适宜的退火温度为970 ℃左右,此时管材具备最佳冲击性能,冲击功为62 J。此外,管材经970 ℃退火后屈服强度、抗拉强度和伸长率分别为786 MPa、878 MPa和16.25%。

      • 0+1
      • 1+1
      • 2+1
      • 3+1
      • 4+1
      • 5+1
      • 6+1
    • 气相爆轰合成中爆轰特性对TiO2颗粒尺寸的影响

      2025, 54(4):1008-1014. DOI: 10.12442/j.issn.1002-185X.20240058

      摘要 (163) HTML (170) PDF 3.46 M (625) 评论 (0) 收藏

      摘要:本工作研究了TiO2在瞬时高温高压的气相爆炸反应过程中的纳米颗粒生长特性。采用计算流体动力学模拟了气体爆炸在爆轰管内的火焰传播过程和温度-时间历程关系,并将其引入颗粒生长模型,通过试验对该模型进行修正。结果表明,在气相爆轰反应中,反应温度和时间是影响其颗粒生长的主要因素,提出了粒径修正系数k对经典的颗粒生长模型进行改进,改进后的数值模型可以较精确预测TiO2纳米颗粒的生长特性,这为TiO2纳米颗粒的可控合成提供了有效的理论支持。

      • 0+1
      • 1+1
      • 2+1
      • 3+1
      • 4+1
      • 5+1
      • 6+1
    • W骨架/Zr基非晶合金复合材料细观损伤模拟研究

      2025, 54(4):1026-1033. DOI: 10.12442/j.issn.1002-185X.20230772

      摘要 (167) HTML (150) PDF 3.33 M (563) 评论 (0) 收藏

      摘要:为研究W骨架/Zr基非晶合金复合材料的细观结构损伤,基于W骨架/Zr基非晶合金复合材料的扫描电子显微镜图像建立了复合材料的细观尺度有限元模型,并结合内聚力模型对复合材料的准静态压缩过程进行了数值模拟,研究了界面刚度、界面强度和断裂能等参数对复合材料力学性能的影响。通过与准静态压缩试验数据对比,确定了内聚力模型参数的取值。结果表明,W骨架/Zr基非晶合金复合材料在压缩过程中出现了3种破坏模式,分别是W颗粒的解理断裂、Zr基非晶合金内部的剪切带扩展断裂及两相间的界面开裂;内聚力模型参数对仿真曲线有很大影响,加大界面刚度会使仿真曲线弹性阶段的斜率升高,增加界面强度会使曲线的屈服点上升,提高断裂能会使曲线塑性阶段缩短。当界面刚度、界面强度、断裂能分别取10 000 GPa/μm3、500 MPa、0.055 J/m2时,仿真结果与试验结果吻合较好,仿真模型能够准确地描述W骨架/Zr基非晶合金复合材料的力学行为。

      • 0+1
      • 1+1
      • 2+1
      • 3+1
      • 4+1
      • 5+1
      • 6+1
      • 7+1
      • 8+1
    • >评述
    • 燃气轮机叶片用定向凝固高温合金研究进展

      2025, 54(4):1053-1071. DOI: 10.12442/j.issn.1002-185X.20230787

      摘要 (268) HTML (338) PDF 12.78 M (832) 评论 (0) 收藏

      摘要:定向凝固高温合金因具有较高的高温强度和抗蠕变性能、耐腐蚀和抗氧化性能,以及良好的组织稳定性和铸造性能,广泛应用于工业燃气轮机等先进动力推进系统的涡轮叶片等部件。燃气轮机用定向凝固高温合金通过调整不同固溶强化、沉淀强化和晶界强化元素的比例,由第1代发展到第4代定向凝固合金。其晶内主要由γ相、γ?相组成,在晶界处存在碳化物、硼化物等能够钉扎晶界的析出相。在这些强化相的共同影响下,镍基定向凝固高温合金具有较好的随温度而改变的拉伸性能和抗蠕变性能。本文结合定向凝固高温合金在燃气轮机的应用现状,从成分特征、组织结构特征入手,进一步分析了其性能特征,并对未来定向凝固高温合金的研究进行了展望。

      • 0+1
      • 1+1
      • 2+1
      • 3+1
      • 4+1
      • 5+1
      • 6+1
      • 7+1
      • 8+1
      • 9+1
      • 10+1
      • 11+1
      • 12+1
      • 13+1
      • 14+1
      • 15+1
    • 陶瓷型芯在热等静压技术中的应用前景与展望

      2025, 54(4):1072-1086. DOI: 10.12442/j.issn.1002-185X.20230767

      摘要 (271) HTML (288) PDF 8.35 M (885) 评论 (0) 收藏

      摘要:热等静压结合模具控形技术可实现复杂高性能零件近净成形,型芯是控制成形零件内部结构精度的关键。目前型芯主要采用金属材质,但金属型芯存在高温高压变形控形不准、酸腐蚀去除效率低环境不友好、异种元素扩散污染零件、成形粉末易嵌入导致表面质量差等问题,阻碍热等静压向复杂内腔结构零件成形发展。陶瓷型芯材料化学活性低、与金属元素不易互扩散、高温硬度与刚度高不易变形、碱性条件脱芯效率高,有望解决金属型芯引起的上述问题。本文依据铸造用陶瓷型芯领域的代表性文献和研究进展,重点分析了热等静压用陶瓷型芯力学性能和溶失性能间的协同关系。详细介绍和比对了氧化硅基、氧化铝基、氧化钙基、氧化镁基陶瓷用于热等静压型芯的力学性能、溶失性能、抗吸湿性等性能优化思路,以及其复杂高精度结构成形、烧结与后处理方法,并在此基础上展望了陶瓷型芯在热等静压近净成形工艺中的应用难点与发展方向。

      • 0+1
      • 1+1
      • 2+1
      • 3+1
      • 4+1
      • 5+1
      • 6+1
      • 7+1
      • 8+1
      • 9+1
    • 锆合金Cr基耐事故涂层设计及研究现状

      2025, 54(4):1087-1095. DOI: 10.12442/j.issn.1002-185X.20230764

      摘要 (201) HTML (198) PDF 5.75 M (828) 评论 (0) 收藏

      摘要:锆合金涂层能够在不改变现有燃料体系的前提下,提升锆合金包壳的耐事故能力,是目前提高核燃料组件耐事故能力的热门研究方向之一,Cr基涂层则是现阶段研究最广泛的涂层材料。本文系统综述了自福岛核事故以来国内外从Cr涂层到多种Cr基涂层的发展历程和设计思路,介绍了Cr基涂层的选择依据和高温氧化失效机制,从成分设计和结构设计两方面讨论了对于金属Cr涂层失效问题的解决思路和相关研究现状,并对锆合金Cr基涂层未来的发展前景提出展望。对未来新一代ATF涂层技术的研发和应用具有理论指导意义。

      • 0+1
      • 1+1
      • 2+1
      • 3+1
      • 4+1
      • 5+1
      • 6+1
      • 7+1
    • TiTi合金/ZrO2陶瓷钎焊连接的研究现状及展望

      2025, 54(4):1096-1111. DOI: 10.12442/j.issn.1002-185X.20240048

      摘要 (191) HTML (317) PDF 24.31 M (794) 评论 (0) 收藏

      摘要:Ti及Ti合金和ZrO2陶瓷都因具有诸多优良的特性被广泛应用于高精尖领域,在现代工业中占有越来越重要的地位,实现Ti及Ti合金/ZrO2陶瓷的可靠连接对于完成异种材料的性能互补及拓宽应用领域具有重要意义。然而,在异种材料的焊接过程中存在一些亟待解决的难题,其中主要是改善钎料在母材表面的润湿性和缓解界面应力的问题。本文着重分析了二者的连接难点,回顾了相关陶瓷和金属的钎焊研究进展,阐述了不同焊前预处理方法对接头性能的影响,最后对异种材料连接提出了展望。

      • 0+1
      • 1+1
      • 2+1
      • 3+1
      • 4+1
      • 5+1
      • 6+1
      • 7+1
      • 8+1
      • 9+1
      • 10+1
      • 11+1
      • 12+1
      • 13+1
      • 14+1
      • 15+1
      • 16+1
      • 17+1
      • 18+1
    • 纳米结构ZrCo合金的制备及储氢性能研究进展

      2025, 54(4):1112-1120. DOI: 10.12442/j.issn.1002-185X.20230780

      摘要 (266) HTML (253) PDF 5.79 M (724) 评论 (0) 收藏

      摘要:ZrCo合金具有氢同位素储量高、室温平台压低以及无放射性等优点,已被初步应用于核聚变实验堆。但是,ZrCo合金存在活化时间长、动力学性能较差和易发生歧化等问题,制约了其工程化进程。因此,改善ZrCo合金的储氢性能,实现动力学特性、循环稳定性和抗歧化性的同步提高,对揭示其储氢机理和推动其工程应用具有重要意义。本文总结了纳米结构ZrCo合金的研究进展,特别是纳米ZrCo合金颗粒可将活化时间缩短为10 s以下,有效提高吸氢动力学性能,且在500 ℃下抗歧化能力提升50%以上,显著提高了ZrCo合金的综合储氢性能。本文系统概述了纳米结构ZrCo合金的最新研究动态,重点阐述了纳米结构对储氢性能提升的机理,并对纳米ZrCo基储氢同位素合金未来研究和应用前景进行了展望。

      • 0+1
      • 1+1
      • 2+1
      • 3+1
      • 4+1
      • 5+1

当期目录

年第卷第

文章目录

刊期浏览

刊期

浏览排行

引用排行

下载排行