+高级检索
  • 2026年第55卷第4期文章目次
    全 选
    显示方式: |
    • >2026先进钛合金
    • TB18钛合金固溶时效工艺正交优化及韧性调控机制

      2026, 55(4):841-855. DOI: 10.12442/j.issn.1002-185X.20250284

      摘要 (82) HTML (237) PDF 5.16 M (341) 评论 (0) 收藏

      摘要:为探究固溶时效工艺参数对TB18钛合金微观组织与力学性能的影响规律,基于混合正交试验因素水平试验设计开展工艺优化研究。结果表明,结合极差分析确定工艺参数影响显著性顺序为:固溶冷却方式>固溶温度>时效时间>时效温度>固溶时间。综合强塑性匹配与工程应用需求,选定固溶时间1 h、固溶冷却方式空冷(AC)、时效温度525 ℃、时效时间4 h为基准参数,进一步研究790~870 ℃固溶温度区间对合金冲击韧性及微观断口特征的影响。结果显示,剪切唇和纤维区面积越大,放射区面积越小,合金韧性越优;随固溶温度升高,断口二次裂纹长度增加,韧窝数量增加,韧性增强。基于强塑韧性协同优化,确定TB18合金最优的热处理工艺为870 ℃/1 h, AC+525 ℃/4 h, AC。

      • 0+1
      • 1+1
      • 2+1
      • 3+1
      • 4+1
      • 5+1
      • 6+1
      • 7+1
      • 8+1
      • 9+1
      • 10+1
      • 11+1
      • 12+1
    • 激光点火Ti-Al-Mo-Zr-Sn-W合金燃烧行为与组织

      2026, 55(4):856-868. DOI: 10.12442/j.issn.1002-185X.20250204

      摘要 (49) HTML (143) PDF 3.39 M (249) 评论 (0) 收藏

      摘要:采用激光点火实验结合超高温红外测温以及SEM、XRD和TEM等分析方法,研究典型Ti-Al-Mo-Zr-Sn-W合金(TC25G)在高温高速气流环境下的燃烧行为,并与TC11钛合金的阻燃性能进行比较,进而分析燃烧产物组织特征、晶体结构及形成机理。结果表明:在气流温度为200~400 ℃,气流速度为0~100 m/s范围内,高温高速气流能够促进TC25G钛合金持续燃烧,燃烧路径朝气流方向推进;TC25G钛合金的燃烧主要依靠氧的扩散与熔体移动所导致的燃烧区域扩展。基于合金燃烧产物组织与成分特点可以将其划分为燃烧区、熔凝区、热影响区等不同区域,燃烧过程组织特征的形成与合金元素行为及其与氧的选择性结合密切相关。燃烧区Ti的主要氧化产物为TiO和TiO2,燃烧过程中形成的Mo、W元素的氧化混合物阻碍了熔体的移动,Al和Zr倾向于发生内氧化,Al2O3在ZrO2表面析出并形成了氧化层组织,构成了保护性屏障,抑制了O向内扩散。熔凝区与热影响区界面处的元素富集能够提高固相侧的熔点,阻碍固-液界面的迁移。

      • 0+1
      • 1+1
      • 2+1
      • 3+1
      • 4+1
      • 5+1
      • 6+1
      • 7+1
      • 8+1
      • 9+1
      • 10+1
      • 11+1
      • 12+1
      • 13+1
      • 14+1
      • 15+1
      • 16+1
    • 通道偏析对Ti45Nb合金丝材组织及力学性能的影响

      2026, 55(4):869-876. DOI: 10.12442/j.issn.1002-185X.20250443

      摘要 (46) HTML (135) PDF 2.60 M (242) 评论 (0) 收藏

      摘要:研究了通道偏析对Ti45Nb合金丝材宏观/微观化学成分、显微组织、硬度及拉伸变形行为的影响。结果表明,存在大量通道偏析的丝材,其宏观化学成分与无偏析丝材一致,三维X射线成像也未发现异常。退火后,2类丝材均呈现等轴单相组织,晶粒尺寸相近,表明通道偏析对宏观成分及晶粒尺寸无明显影响。金相组织显示通道偏析在丝材横截面呈现为斑点状组织;纵截面呈现为条带状结构。能谱分析显示通道偏析为富Ti偏析,其Ti含量较基体高出约4.42wt%。与无偏析丝材相比,存在大量通道偏析的丝材抗拉伸强度和屈服强度分别高了15.5%和12.3%,但延伸率和断面收缩率分别低了19.8%和18.9%,且存在通道偏析的丝材性能波动大。断口分析显示,存在通道偏析丝材断口截面面积大,位错在偏析区界面处严重塞积,诱发了微裂纹形核,促使裂纹源快速扩展,导致材料塑性及断面收缩率显著下降。

      • 0+1
      • 1+1
      • 2+1
      • 3+1
      • 4+1
      • 5+1
      • 6+1
      • 7+1
      • 8+1
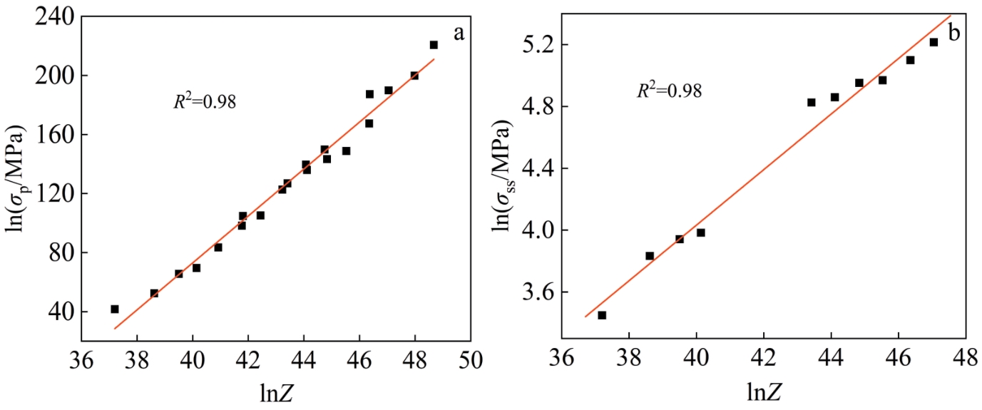
    • TC4钛合金高精度热塑性唯象本构模型研究

      2026, 55(4):941-949. DOI: 10.12442/j.issn.1002-185X.20240787

      摘要 (60) HTML (125) PDF 1.83 M (245) 评论 (0) 收藏

      摘要:为了准确预测TC4钛合金的热塑性成形效果,研究了TC4钛合金的高温流变行为,并构建了高精度的热塑性唯象本构模型。首先,在温度范围973~1123 K和应变率范围0.01~1 s-1的条件下进行了TC4钛合金高温拉伸试验。基于试验数据,建立了六阶多项式应变补偿的Arrhenius本构模型和修正的Johnson-Cook本构模型,并利用麻雀搜寻算法(sparrow search algorithm,SSA)对2种本构模型的参数进行了优化。最后,通过统计分析,评估了上述4种TC4钛合金热塑性唯象本构模型的预测能力。研究结果表明,Arrhenius本构模型在有限的试验数据情况下能够实现较高的预测精度,但其参数优化的空间有限。与之相比,修正的Johnson-Cook本构模型虽然初始预测精度较低,但具有更大的参数优化空间。基于SSA优化的Johnson-Cook修正本构模型的预测结果与试验结果吻合良好,能够作为TC4钛合金的高精度热成形数值仿真的基础。

      • 0+1
      • 1+1
      • 2+1
      • 3+1
      • 4+1
      • 5+1
      • 6+1
      • 7+1
      • 8+1
      • 9+1
      • 10+1
      • 11+1
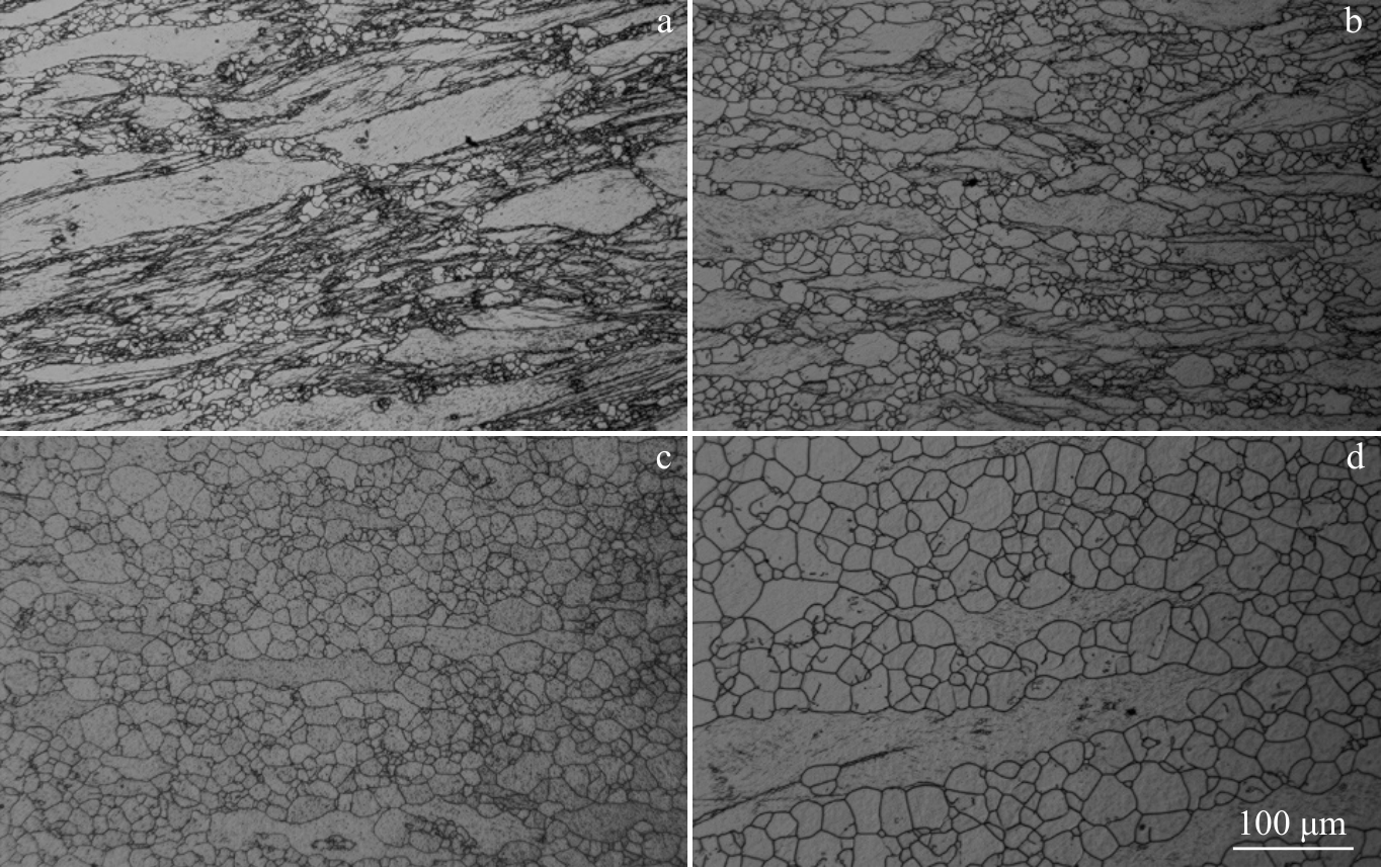
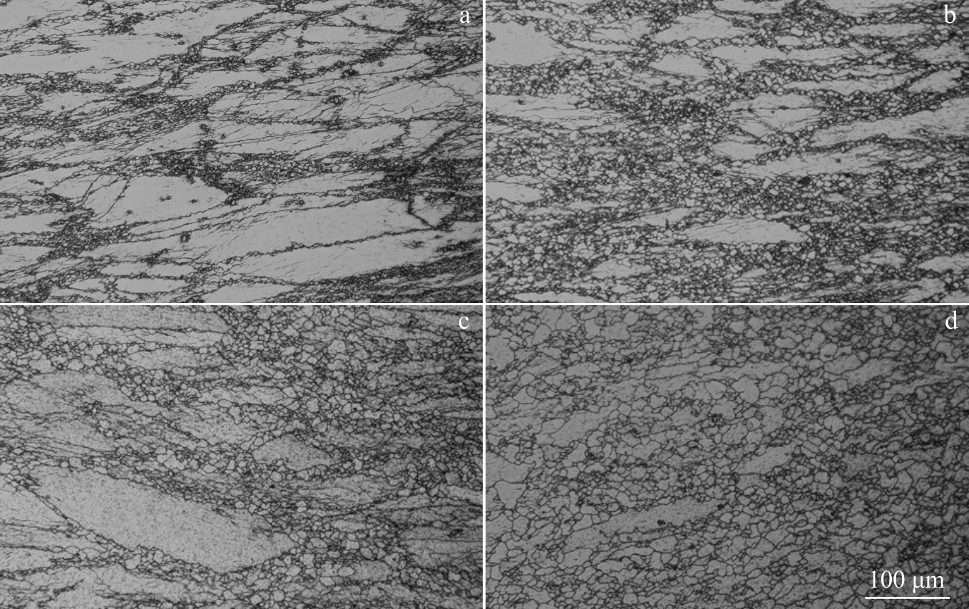
    • TC18钛合金锻造过程细晶亮带缺陷的形成机制

      2026, 55(4):950-958. DOI: 10.12442/j.issn.1002-185X.20240804

      摘要 (96) HTML (133) PDF 4.23 M (302) 评论 (0) 收藏

      摘要:针对TC18钛合金锻坯中的细晶亮带缺陷,采用OM、SEM和EBSD等多种表征方法对其宏微观组织形貌、成分和取向特征等进行了系统分析,并结合Gleeble热压缩研究了细晶亮带缺陷的形成机制。研究表明:TC18钛合金锻坯心部的亮带缺陷对应晶粒尺寸约在100 mm的单个β立方晶粒;锻造过程中由于变形升温导致锻坯心部和边部区域的温度、变形量等存在显著差异,是造成组织不均匀性的重要原因;大尺寸β立方晶粒是由于沿正交方向反复压缩变形,导致锻坯心部<100>织构不断强化,相近取向的<100>晶粒合并形成的;通过退火处理和对角拔长、倒八方等工艺,可以有效地减小和避免细晶亮带缺陷。

      • 0+1
      • 1+1
      • 2+1
      • 3+1
      • 4+1
      • 5+1
      • 6+1
      • 7+1
      • 8+1
      • 9+1
    • TC4合金热变形过程中多形态α相的动态再结晶行为

      2026, 55(4):959-970. DOI: 10.12442/j.issn.1002-185X.20250330

      摘要 (46) HTML (109) PDF 13.74 M (248) 评论 (0) 收藏

      摘要:以宽幅热轧开坯态TC4合金为研究对象,采用Gleeble热模拟试验系统,在变形温度1173 K、应变速率10、0.01 s?1条件下,系统研究了2种典型初始组织(全层片组织和等轴–层片双态组织)的热变形响应及其动态再结晶行为。同时,构建了相场-晶体塑性耦合模型,对不同初始组织条件下α/β两相的应力–应变分配及位错密度演化进行了多尺度模拟,探讨了初始组织构型对α相动态再结晶行为的影响。结果表明,在高应变速率(10 s?1)条件下变形60%,全层片组织中α相发生了显著的动态再结晶,获得了平均尺寸为0.58 μm的均匀细晶组织;而双态组织中,仅部分层片α相呈现局部再结晶特征,等轴α相则主要经历了动态回复过程。相比之下,双态组织需更大的变形量才能同时激活等轴α相与层片α相的动态再结晶。这种不连续再结晶行为归因于等轴α相与层片α相在协同变形过程中应力–应变分配的差异,从而影响了两者的位错积累与亚晶结构的形成,最终改变了动态再结晶的驱动力条件。

      • 0+1
      • 1+1
      • 2+1
      • 3+1
      • 4+1
      • 5+1
      • 6+1
      • 7+1
      • 8+1
      • 9+1
      • 10+1
    • 显微组织对TC4钛合金氢化物转变的影响

      2026, 55(4):971-979. DOI: 10.12442/j.issn.1002-185X.20250308

      摘要 (69) HTML (114) PDF 7.32 M (271) 评论 (0) 收藏

      摘要:采用电化学充氢结合多尺度表征技术,研究了片层组织与双态组织TC4合金中氢的扩散行为。结果表明,电化学充氢后,2种组织样品扩散表面均呈现氢浓度的梯度分布,且氢化层厚度相近。片层组织样品扩散层表面氢化物体积分数更大,氢化物变体优先在α/β界面形核并以孪晶对形式向α晶内生长。而双态组织由于等轴α晶粒尺寸较大,氢化物无法充满整个α晶粒,不同氢化物变体在α/β界面附近交替形核长大。TEM分析结果表明,2种组织样品中氢化物形核皆呈现层错调控的多级结构转变机制。

      • 0+1
      • 1+1
      • 2+1
      • 3+1
      • 4+1
      • 5+1
      • 6+1
      • 7+1
      • 8+1
      • 9+1
    • 热处理对含锰βγ-TiAl合金组织和力学性能的影响

      2026, 55(4):980-993. DOI: 10.12442/j.issn.1002-185X.20240784

      摘要 (67) HTML (93) PDF 18.55 M (254) 评论 (0) 收藏

      摘要:以一种低成本、易变形的Ti-44Al-3Mn-0.4Mo-0.4W-0.1B-0.1C合金(at%)为研究对象,利用真空感应熔炼及常规热轧工艺制备了直径为12 mm的棒材,采用EPMA、TEM、EBSD等检测手段,研究了1270、1220、1170 ℃高温处理对合金棒材的组织与力学性能的影响规律。结果表明,热处理后合金的显微组织均由γα2βo三相组成。在相同时效制度条件下,随着高温处理温度的降低,合金中α2/γ片层含量明显减少,且片层晶团尺寸和片层间距显著降低。拉伸性能测试表明,随着高温处理温度的下降,3种组织的室温和800 ℃抗拉强度均降低。室温下,3种热处理后的合金延伸率呈现先增加后降低的趋势,数值均处于0.5%~1.0%范围;800 ℃下,3种热处理后的合金延伸率存在明显差异,随着等轴γ相含量的增加,合金延伸率随之增加。对比1270 ℃高温处理,1220 ℃热处理试样的延伸率提高了280%,1170 ℃热处理后提高了480%。这是由于相较室温拉伸,在高温拉伸时,等轴γ相的变形能力大大增强,βo相内位错开动较多,并且γ/γα2/γ界面会阻碍孪晶和位错的运动。同时还对不同热处理组织演变行为与规律、组织与力学性能关系进行了深入讨论。

      • 0+1
      • 1+1
      • 2+1
      • 3+1
      • 4+1
      • 5+1
      • 6+1
      • 7+1
      • 8+1
      • 9+1
      • 10+1
      • 11+1
      • 12+1
      • 13+1
    • 电辅助成形工艺对TC4钛合金微观组织及拉伸性能的影响

      2026, 55(4):994-1002. DOI: 10.12442/j.issn.1002-185X.20240785

      摘要 (49) HTML (98) PDF 6.02 M (233) 评论 (0) 收藏

      摘要:通过对航空材料TC4钛合金在拉伸过程中通入不同频率的电流,以此来增加材料的流动应力并降低拉伸过程中的最大屈服强度。采用SEM观察通电后材料组织的演变及断口形貌。结合拉伸实验结果来分析电辅助成形工艺在拉伸过程中的影响。结果表明,随着脉冲电流密度的增加,α相的含量大大降低,β相含量大大增加,其晶粒尺寸开始增大,在冷却过程中存在少量的马氏体相变生成的细小的针状α′相;随着电流密度的进一步增加,初生α相完全消失,β相进一步的长大,转变生成的α′相尺寸有所增大。在拉伸过程中,施加电流的瞬间试样的温度急剧上升,随着拉伸过程的进行,温度持续上升,且上升的速度不断加快,在断裂的瞬间达到峰值;峰值温度随着电流密度和脉冲频率的增加而增加,随着电流密度的升高,TC4钛合金的流动应力逐渐下降,塑性有所提升。SEM及TEM结果表明,随着电流密度的增加,TC4钛合金板材拉伸断口中的韧窝显著加深,微观断口表面呈现出蜂窝状,韧窝周围出现撕裂棱,呈现出明显的韧性断裂的特征。与高温和常温拉伸对比,电辅助拉伸后材料内部的位错密度显著下降,位错较为平直且部分位错沿某一方向有序排列,这表明了脉冲电流对位错运动的促进作用。

      • 0+1
      • 1+1
      • 2+1
      • 3+1
      • 4+1
      • 5+1
      • 6+1
      • 7+1
      • 8+1
      • 9+1
      • 10+1
      • 11+1
      • 12+1
    • 包覆轧制TC4细晶板材组织性能演化规律

      2026, 55(4):1003-1012. DOI: 10.12442/j.issn.1002-185X.20250099

      摘要 (57) HTML (130) PDF 12.52 M (285) 评论 (0) 收藏

      摘要:研究了初始组织为α′马氏体的TC4合金板材在两相区降温包覆轧制及热处理过程中的组织/织构演化规律,分析了晶粒尺寸、位错密度及织构对合金强度及强度各向异性的影响。结果表明:合金β淬火后可获得多尺度、多变体细针状α′马氏体组织。两相区包覆轧制可显著细化晶粒,形成平均尺寸约0.89 μm的超细晶组织与< 0001 >//ND的B型织构。然而轧态组织呈现细小等轴再结晶晶粒与尺寸较大的变形晶粒组成的混晶组织。板材退火过程中发生静态再结晶(SRX),组织均匀性提高。同时,退火处理不改变板材的织构类型,且Basal型织构强度略有增强。强Basal型织构使得合金的柱面<a>滑移的施密特因子在TD和RD 2个方向趋于接近,导致横纵向力学性能差异降低。随着退火温度的升高,板材强度降低,其源于晶粒尺寸增加与位错密度降低的协同作用。研究表明,利用两相区包覆轧制/退火工艺可成功制备出横纵向强度差异小的细晶TC4合金板材,板材平均晶粒尺寸约2 μm。为航空航天高性能钛合金制备提供理论基础与技术支撑。

      • 0+1
      • 1+1
      • 2+1
      • 3+1
      • 4+1
      • 5+1
      • 6+1
      • 7+1
      • 8+1
      • 9+1
      • 10+1
      • 11+1
      • 12+1
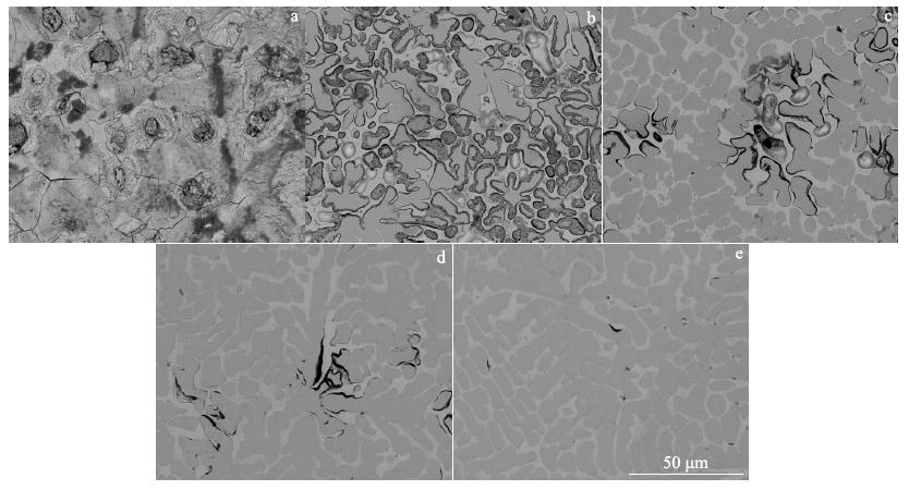
    • TB18超高强韧钛合金显微组织中白斑研究

      2026, 55(4):1013-1018. DOI: 10.12442/j.issn.1002-185X.20250181

      摘要 (52) HTML (118) PDF 5.26 M (256) 评论 (0) 收藏

      摘要:针对一种高Mo当量亚稳β超高强韧钛合金TB18,在两相区锻造、β区固溶时效后显微组织中的白斑进行了系统研究。通过力学性能测试、显微组织观察和进一步热处理试验,分析白斑的形成机制和消除白斑可采取的措施。结果表明,TB18钛合金中的白斑是没有任何α相析出的β基体,其硬度低、塑性高、冲击韧性高。白斑形成的原因与合金中β稳定元素的分布无关,主要是锻造工艺引起的。可以通过优化锻造工艺或增加固溶度、预时效、延长时效时间等热处理手段从宏观组织上弱化或消除白斑,但是如果从更精细的组织考虑,TB18钛合金中白斑无法完全消除,只能从尺寸上减小,这是由合金性质决定。本研究结果对TB18合金制备工艺改进和组织优化具有基础指导,对同类合金的显微组织和性能分析也有重要的借鉴意义。

      • 0+1
      • 1+1
      • 2+1
      • 3+1
      • 4+1
      • 5+1
    • 非连续增强钛基复合材料多尺度组织设计与强韧化机制研究进展

      2026, 55(4):1078-1089. DOI: 10.12442/j.issn.1002-185X.20250305

      摘要 (207) HTML (130) PDF 10.57 M (319) 评论 (0) 收藏

      摘要:非连续增强钛基复合材料(DRTMCs)具有轻质高强耐热等优点,在航空航天和3C消费电子等领域具有广阔的应用前景。受自然界材料多级多尺度构型启发,非连续增强钛基复合材料从单一增强相均匀分布,到增强相构型化设计,进而发展为多尺度增强相构型化与钛合金基体跨尺度分级结构的协同设计调控,其组织形式逐渐丰富进而演化为多尺度异质结构,可以充分发挥多种协同强化机制,强化效率不断提高;同时能够合理分配应力应变,并有效阻碍裂纹萌生扩展,保证了良好的塑性和抗损伤能力。本文梳理了非连续增强钛基复合材料中典型构型设计及其发展思路,介绍其强韧化机制,并结合当前研究对未来材料发展方向提出展望,推动高性能钛基复合材料在关键领域的应用。

      • 0+1
      • 1+1
      • 2+1
      • 3+1
      • 4+1
      • 5+1
      • 6+1
      • 7+1
      • 8+1
      • 9+1
      • 10+1
    • 钛合金中马氏体相变的变体选择和组织特征研究进展

      2026, 55(4):1090-1101. DOI: 10.12442/j.issn.1002-185X.20250135

      摘要 (85) HTML (150) PDF 10.76 M (275) 评论 (0) 收藏

      摘要:在钛合金实际生产和加工中,由于各种因素的存在,马氏体相变过程中往往会发生变体选择。变体择优取向行为使得组织中α′/α″晶体取向偏离了理论上的等概率分布,进而影响材料的各向异性和力学性能。研究表明,淬火βα′相变有弱变体选择特征,应力诱发βα″相变常常出现强变体选择效应且总是倾向于适应最大外应力的方向发生。与此同时,α′/α″马氏体微观组织中经常观察到多个变体聚集在一起形成三角形、V形、Z型、梯形和平行簇等特殊的特征形貌,这种自调节结构的出现是引起变体选择效应的重要原因之一。本文系统阐述了马氏体相变的特点和形成机制,揭示和归纳了变体选择的本质以及影响变体选择的因素;结合马氏体现象学理论、变体间界面统计等方法,解析和总结了伴随变体选择效应发生的马氏体自调节组织形成机制以及界面分布规律,最后指出了目前存在的问题和挑战以及今后的研究重点。

      • 0+1
      • 1+1
      • 2+1
      • 3+1
      • 4+1
      • 5+1
      • 6+1
      • 7+1
    • 增材制造Ti-6Al-4V合金微观组织等轴化调控研究进展

      2026, 55(4):1102-1114. DOI: 10.12442/j.issn.1002-185X.20250345

      摘要 (85) HTML (139) PDF 11.67 M (339) 评论 (0) 收藏

      摘要:Ti-6Al-4V合金因其优异的比强度、耐腐蚀性和生物相容性,在航空航天、生物医疗等领域广泛应用。然而,增材制造过程中快速凝固和复杂热循环常导致钛合金形成粗大的柱状β晶粒,带来力学性能的各向异性和疲劳性能下降。实现微观组织的等轴化调控是提升增材制造钛合金综合性能的关键。本文系统总结了通过微合金化、外场辅助和热处理等手段实现TC4合金微观组织等轴化研究进展。重点探讨了α稳定元素、β稳定元素、外场辅助技术以及热处理工艺对Ti-6Al-4V合金微观组织和力学性能影响机制,并展望了未来在精确调控微观组织、优化工艺参数和开发高性能钛合金方面的研究方向。本文旨在为增材制造钛合金的微观组织优化和性能提升提供理论指导和技术支持。

      • 0+1
      • 1+1
      • 2+1
      • 3+1
      • 4+1
      • 5+1
      • 6+1
      • 7+1
      • 8+1
    • 异质结构钛基复合材料综述

      2026, 55(4):1115-1128. DOI: 10.12442/j.issn.1002-185X.20250217

      摘要 (95) HTML (143) PDF 16.13 M (344) 评论 (0) 收藏

      摘要:钛基复合材料(titanium matrix composites, TMCs)因其高的比强度和比模量,而被广泛应用于航空航天等关键承载部件,但其室温强度-塑韧性倒置瓶颈问题限制了其广泛应用。近年来随着异质结构材料的异变诱导(HDI)强化和硬化效应理论的提出,为突破TMCs强韧性倒置难题带来希望。本综述在概述异质结构钛合金研究进展的基础上,综述了TMCs的复合化策略和研究现状,讨论了均质TMCs的失效机制,总结了近年来TMCs利用增强相的钉扎效应进行构型化设计的最新进展。以“硬包软”的网状结构和“软包硬”的球团结构为例,从异质结构TMCs的分类、设计、制备方法、强化机制等方面进行讨论分析,为开发高强高韧TMCs提供研究参考和依据。

      • 0+1
      • 1+1
      • 2+1
      • 3+1
      • 4+1
      • 5+1
      • 6+1
      • 7+1
      • 8+1
      • 9+1
    • >材料科学
    • FeCrxMnAlCu高熵合金在3.5wt% NaCl溶液中的耐腐蚀性能

      2026, 55(4):877-889. DOI: 10.12442/j.issn.1002-185X.20250060

      摘要 (63) HTML (51) PDF 8.17 M (244) 评论 (0) 收藏

      摘要:采用真空电弧熔炼制备FeCr?MnAlCu (x=0,0.5,1.0,1.5,2.0) 高熵合金,通过电化学动电位极化曲线和浸泡实验的方法研究了该高熵合金在室温下3.5wt% NaCl溶液中的腐蚀行为。微观组织结果表明,x=0的高熵合金具有体心立方相结构,而x=0.5~2.0时该高熵合金具有面心立方+体心立方双相混合结构。腐蚀结果表明,随着Cr含量的增加,高熵合金的耐腐蚀性能增加。其中,x=2.0时的高熵合金表现出最佳的耐腐蚀性能,具有最高的自腐蚀电位(Ecorr=-0.354 V vs. Ag/AgCl)、最小的自腐蚀电流密度(Icorr=1.991×10-6 A·cm-2)和最小的腐蚀速率(0.0292 mm/a)。在腐蚀后的高熵合金表面形成了氧化物和氢氧化物的复合钝化膜,且Cr2O3含量随着Cr含量的增加而增加,从而有效地提高了钝化膜的稳定性和保护性能。

      • 0+1
      • 1+1
      • 2+1
      • 3+1
      • 4+1
      • 5+1
      • 6+1
      • 7+1
      • 8+1
      • 9+1
      • 10+1
      • 11+1
      • 12+1
      • 13+1
      • 14+1
      • 15+1
    • SiC含量对两步发泡法制备的SiC/Al基复合泡沫的发泡稳定性、孔结构和压缩性能的影响

      2026, 55(4):890-898. DOI: 10.12442/j.issn.1002-185X.20250062

      摘要 (46) HTML (36) PDF 4.28 M (227) 评论 (0) 收藏

      摘要:采用两步发泡法制备了SiC/Al基复合泡沫。研究了SiC含量及其分布均匀性对泡沫铝的发泡稳定性、孔结构和力学性能的影响,对泡沫铝的宏观/微观特征进行了表征和分析。结果表明,适当增加SiC的含量并使SiC分布均匀,可以提高泡沫铝的发泡稳定性,优化孔径和孔壁厚度的大小以及孔的分布,增强泡沫铝的硬度和抗压缩强度。然而,SiC含量不足或过多都会导致SiC颗粒分布不均,不利于发泡稳定性和良好孔结构的形成。当SiC含量为6wt%时,泡沫铝的发泡稳定性和孔结构都达到了最佳状态,从而获得了最高的压缩强度和最佳能量吸收能力。

      • 0+1
      • 1+1
      • 2+1
      • 3+1
      • 4+1
      • 5+1
      • 6+1
      • 7+1
      • 8+1
      • 9+1
      • 10+1
      • 11+1
    • 晶体取向和晶界对γ-TiAl合金纳米压痕行为的影响

      2026, 55(4):899-913. DOI: 10.12442/j.issn.1002-185X.20250129

      摘要 (62) HTML (43) PDF 4.91 M (230) 评论 (0) 收藏

      摘要:为了阐述γ-TiAl的变形机理,采用纳米压痕实验和晶体塑性有限元模拟研究晶体取向和晶界对γ-TiAl合金机械性能的影响。建立了晶体塑性本构模型,得到了γ-TiAl合金单晶及晶界处的载荷-位移曲线、硬度和杨氏模量。模拟数据与实验数据的误差较小,证实了纳米压痕可以很好地验证晶体塑性本构参数。基于上述模型,讨论了各晶粒和晶界压痕周围的堆积形貌,分析了不同晶体取向下累积剪切应变的分布、滑移系的启动情况、晶界与位错滑移的相互作用。结果表明,由于压头的几何形状、材料滑移系统和累积剪切应变分布之间的耦合作用,γ-TiAl合金的力学响应和堆积行为表现出显著的各向异性。此外,晶界与位错滑移的相互作用显著改变了位错的分布,进而影响了材料的流动,对材料力学响应和塑性变形起着至关重要的作用。晶界吸收了部分位错,改变了压痕下塑性变形的分布特征,导致其硬度降低,材料堆积形貌发生改变,堆积减少。

      • 0+1
      • 1+1
      • 2+1
      • 3+1
      • 4+1
      • 5+1
      • 6+1
      • 7+1
      • 8+1
      • 9+1
      • 10+1
      • 11+1
      • 12+1
      • 13+1
      • 14+1
      • 15+1
      • 16+1
    • C-ECAP冷轧和时效热处理制备微纳高强高导电性Cu0.9Cr0.1Zr合金

      2026, 55(4):914-925. DOI: 10.12442/j.issn.1002-185X.20250223

      摘要 (65) HTML (44) PDF 5.76 M (218) 评论 (0) 收藏

      摘要:Cu0.9Cr0.1Zr合金通过A路径的连续等通道转角挤压(C-ECAP)变形,随后进行液氮低温轧制(CR),并进行450 ℃的时效处理。利用电子背散射衍射仪、能量色散光谱仪、X射线衍射仪、扫描电子显微镜和透射电子显微镜对合金的微观结构、力学性能和导电性能进行了检测,分析了变形过程中织构演变机制及其对性能的影响。结果表明,在C-ECAP过程中,CuCrZr合金的微观结构中形成了定向剪切带,且微观结构的择优取向与轧制方向一致。变形后,随着变形量的增加,合金中析出相(主要是Cr)的含量增加,并伴随着微纳结构纤维状组织的出现。经过3次C-ECAP挤压、75%冷轧变形以及在450 ℃下时效2 h后,合金的抗拉伸强度、硬度和电导率分别达到538 MPa、168 HV和80%IACS。低温轧制、时效热处理以及再结晶织构的形成均有利于提高合金的电导率。

      • 0+1
      • 1+1
      • 2+1
      • 3+1
      • 4+1
      • 5+1
      • 6+1
      • 7+1
      • 8+1
      • 9+1
      • 10+1
      • 11+1
      • 12+1
    • 新型耐热合金SP2215的热变形行为

      2026, 55(4):1019-1036. DOI: 10.12442/j.issn.1002-185X.20240768

      摘要 (41) HTML (32) PDF 7.87 M (206) 评论 (0) 收藏

      摘要:针对火力发电超超临界锅炉过热器/再热器管道用新型耐热合金SP2215,利用Gleeble 3500热模拟试验机对合金在1100~1250 ℃、0.01~10 s–1、变形量为50%,变形条件下进行了一系列热压缩试验,研究了不同变形温度和变形速率对合金流变曲线、变形组织等的影响,并通过对流变曲线进行摩擦与温度双修正,建立了SP2215合金的热变形Arrhenius本构模型、Avrami动态再结晶模型与Yada动态再结晶平均晶粒尺寸模型,同时基于不同的流变失稳准则分别构建了合金的Prasad热加工图、Murty热加工图和Malas热加工图。结果表明,随着变形温度的升高,SP2215合金的加工硬化程度有所减小,更容易发生动态再结晶;随着应变速率的增加,合金的流变应力更高,加工硬化率更大,当变形速率为1 s–1时合金的再结晶程度最低,当变形条件选择不佳时合金极易出现混晶现象,在实验条件下合金的最佳热变形窗口为1200~1250 ℃、5~10 s–1

      • 0+1
      • 1+1
      • 2+1
      • 3+1
      • 4+1
      • 5+1
      • 6+1
      • 7+1
      • 8+1
      • 9+1
      • 10+1
      • 11+1
      • 12+1
      • 13+1
      • 14+1
      • 15+1
      • 16+1
      • 17+1
      • 18+1
      • 19+1
      • 20+1
      • 21+1
      • 22+1
      • 23+1
      • 24+1
      • 25+1
      • 26+1
      • 27+1
      • 28+1
      • 29+1
    • 不同催化剂负载量柴油机颗粒捕集器的性能研究

      2026, 55(4):1037-1044. DOI: 10.12442/j.issn.1002-185X.20240778

      摘要 (36) HTML (27) PDF 2.94 M (198) 评论 (0) 收藏

      摘要:柴油机颗粒捕集器(diesel particulate filter,DPF)是减少柴油机颗粒排放的高效技术手段,其性能与催化剂负载量密切相关。基于重型柴油机台架试验系统研究催化剂负载量对催化型柴油机颗粒捕集器(catalyzed diesel particulate filter,CDPF)压降、气态物及颗粒物减排性能的影响并结合CDPF再生探究其对NO的氧化特性的影响。结果表明:CDPF排气背压随催化剂负载量的增大呈线性增大趋势,当催化剂负载量从0 g/ft3分别增至5、10、20 g/ft3(1 ft3=0.0283 m3)时,平均排气背压从2.94 kPa依次增大至3.44、3.96和4.51 kPa。催化剂负载量越高,CDPF对CO和总碳氢化合物(total hydrocarbon,THC)的减排效果越好。当催化剂负载量从0 g/ft3分别增至5、10、20 g/ft3时,CO排放浓度从78.94×10-6依次降至71.39×10-6、68.12×10-6和63.30×10–6,THC排放浓度则从57.34×10–6依次降至48.31×10–6、46.93×10–6和44.51×10–6。催化剂负载量会显著影响NO氧化特性,但对NOx排放浓度的影响较小。CDPF可以实现95%以上的颗粒物(particulate matter,PM)和颗粒物数量(particulate number,PN)减排率,增大催化剂负载量,CDPF颗粒减排效果有所提高,核态颗粒减排效果提升更为显著。研究结果对设计高性能CDPF具有重要参考价值。

      • 0+1
      • 1+1
      • 2+1
      • 3+1
      • 4+1
      • 5+1
      • 6+1
      • 7+1
      • 8+1
      • 9+1
    • 挤压态镍基粉末高温合金FGH4113A热变形行为及组织演变规律

      2026, 55(4):1045-1057. DOI: 10.12442/j.issn.1002-185X.20240790

      摘要 (27) HTML (37) PDF 18.98 M (224) 评论 (0) 收藏

      摘要:为探明挤压态新型镍基粉末高温合金FGH4113A热加工性能和调控变形组织,利用Gleeble热模拟试验机、金相显微镜、扫描电子显微镜、背散射电子衍射仪等研究了合金在温度1050~1150 ℃和应变速率0.001~0.1 s-1范围内热变形行为和显微组织特征。结果表明:挤压态合金热变形前保温,1150 ℃时晶粒尺寸明显粗化。变形温度和应变速率对合金的变形流变应力和再结晶组织明显影响。推荐挤压态合金在γ+γ′双相区热变形,温度和应变速率区间为:1080~1100 ℃和0.001~0.01 s-1。此区间内变形后,合金再结晶充分,晶粒内残余变形位错密度低,取向差接近,尺寸分布均匀,平均尺寸控制在5 μm以内。可通过局部平均取向差、晶粒扩展取向差和反极图等多个维度分析再结晶晶粒和变形原始晶粒特征。

      • 0+1
      • 1+1
      • 2+1
      • 3+1
      • 4+1
      • 5+1
      • 6+1
      • 7+1
      • 8+1
      • 9+1
      • 10+1
      • 11+1
      • 12+1
      • 13+1
      • 14+1
    • 高磁光性能CexY3-xFe5O12多晶体的制备及磁学性能

      2026, 55(4):1058-1067. DOI: 10.12442/j.issn.1002-185X.20240113

      摘要 (50) HTML (52) PDF 3.48 M (211) 评论 (0) 收藏

      摘要:采用优化的溶胶-凝胶法制备了Ce3+掺杂的石榴石型CexY3-xFe5O12(x=0,0.1,0.2,0.3;Ce:YIG)多晶体,通过预烧处理和900~1400 ℃宽温度范围烧结获得无衍生杂质和高磁光性能的晶体。首先用热重分析确定了该晶体的合成温度为890 ℃。XRD结果表明该晶体的晶格常数在1.237 241~1.241 210 nm之间变化,当x>0.2时出现杂质相CeO2。SEM分析表明,Ce:YIG的晶粒尺寸随着烧结温度和Ce3+ 含量的增加而增加,其尺寸分布范围为0.257~6.52 μm,该粒度值是目前获得的YIG晶体粒度的最大值。所有Ce:YIG样品在室温下呈现亚铁磁性,饱和磁化强度(Ms)在23.47~28.10 (A·m2)·kg–1范围内变化。经过1200~1300 ℃烧结的Ce0.1Y2.9Fe5O12晶体的磁导率高达3.68~3.90。根据法拉第旋转角与磁导率的关系可知,该温度范围烧结的多晶体有可能获得最佳的法拉第旋转性能。

      • 0+1
      • 1+1
      • 2+1
      • 3+1
      • 4+1
      • 5+1
      • 6+1
      • 7+1
      • 8+1
    • Zr-xSn-0.35Fe-0.15Cr合金在模拟失水事故下的高温蒸汽氧化行为

      2026, 55(4):1068-1077. DOI: 10.12442/j.issn.1002-185X.20240792

      摘要 (46) HTML (46) PDF 7.44 M (221) 评论 (0) 收藏

      摘要:锆合金包壳在失水事故中会经历高温蒸汽氧化,因吸氧使锆合金包壳脆化而发生破裂,影响核反应堆的安全运行。通过配备蒸汽发生器的同步热分析仪研究了Zr-xSn-0.35Fe-0.15Cr(x=0.5、0.75、1.0、1.2和1.5,wt%)5种锆合金在800~1200 ℃的高温蒸汽氧化行为,采用金相显微镜对高温蒸汽氧化后的样品横截面进行观察,使用电子探针显微分析仪进行O含量测试。结果表明:不同温度下,锆合金的抗高温蒸汽氧化性能和氧化动力学与Sn含量呈现一定规律,主要与锆合金的 α-Zr?β-Zr和m-ZrO2?t-ZrO2相转变行为作用机制有关。随着氧化温度的升高,合金氧化样品横截面呈现ZrO2α-Zr(O)双层结构,中间伴随着β-Zr+α-Zr(O)混合层结构的出现与消失,这是O对α?β相转变的影响造成的。从Sn含量增加影响α-Zr? β-Zr相变和抑制了O从α-Zr→β-Zr中扩散的角度,探讨了Sn含量对锆合金不同温度下高温蒸汽氧化行为的影响机制。

      • 0+1
      • 1+1
      • 2+1
      • 3+1
      • 4+1
      • 5+1
      • 6+1
      • 7+1
    • >评述
    • Ta-Nb-Hf-Zr-Ti高熵合金超导材料研究进展

      2026, 55(4):926-940. DOI: 10.12442/j.issn.1002-185X.20250130

      摘要 (64) HTML (54) PDF 4.48 M (246) 评论 (0) 收藏

      摘要:高熵合金作为一类由多个主元素统计排列在简单晶格上构成的新型材料,因其出众的机械性能和独特的高熵特性,已成为材料科学和凝聚态物理领域的研究热点。自2014年第一个高熵超导体被发现以来,探索其在超导领域的性能与优势逐渐成为科研前沿。Ta-Nb-Hf-Zr-Ti体系高熵超导体在极端应用环境中展示了优秀的力学性能、卓越的抗辐射性能以及接近NbTi二元合金的超导性能,有望在高场超导磁体、超导电机和下一代核聚变反应堆等技术中应用。本文综述了Ta-Nb-Hf-Zr-Ti体系在超导体上的研究进展,旨在为该领域的发展提供参考。

      • 0+1
      • 1+1
      • 2+1
      • 3+1
      • 4+1
      • 5+1
      • 6+1
      • 7+1
      • 8+1
      • 9+1
      • 10+1
      • 11+1

当期目录

年第卷第

文章目录

刊期浏览

刊期

浏览排行

引用排行

下载排行