+Advanced Search
  • Issue 6,2026 Table of Contents
    Select All
    Display Type: |
    • >Special Issue:High Temperature Alloy
    • Effect of Dendrite Refinement on Microstructure and Stress Rupture Properties of Third-Generation Nickel-Based Single-Crystal Superalloys

      2026, 55(6):1393-1399. DOI: 10.12442/j.issn.1002-185X.20250275

      Abstract (3) HTML (4) PDF 3.19 M (2) Comment (0) Favorites

      Abstract:A third-generation single-crystal superalloy WZ30 was used to prepare single-crystal samples with varying dendrite spacings under different processing techniques. The microstructure and stress rupture properties were studied and compared. The results show that, by improving the thermal-insulation effect between heating zone and cooling zone of the directional solidification furnace, the average primary dendrite spacing of the as-cast sample is reduced from 415 μm to 251 μm, leading to a noticeable refinement of dendrite and eutectic structure. At the same time, dendrite refinement can simultaneously decrease the volume ratio of casting porosity from 2.29% to 0.21%. Additionally, the γ′ phase in both the dendritic and inter-dendritic regions undergoes refinement, with a more uniform size distribution and a more regular shape. After the subsequent solid solution and aging treatments, the smaller γ′ precipitates with higher cubic degree are obtained in samples after dendrite refinement, whose service life at 980 °C/ 280 MPa is improved by 13.8%.

      • 0+1
      • 1+1
      • 2+1
      • 3+1
      • 4+1
      • 5+1
      • 6+1
      • 7+1
      • 8+1
    • Effect of Solid Solution Treatment on Mechanical Proper-ties of Aero-Engine Turbine Cases

      2026, 55(6):1419-1428. DOI: 10.12442/j.issn.1002-185X.20250248

      Abstract (1) HTML (6) PDF 3.24 M (1) Comment (0) Favorites

      Abstract:Waspaloy alloy is widely used in aerospace applications, particularly in gas turbines operating under extreme service conditions. The effects of solid solution duration and temperature on the microstructure and mechanical properties of a Waspaloy low-pressure turbine (LPT) case in in-service aero-engines were investigated via on-site metallographic replication techniques and laboratory verification tests. The results show that excessive solid solution treatment (1010 °C/11 h) has no adverse impact on the microstructure or grain size of the LPT cases. The alloy exhibits low sensitivity to solid solution duration. As the solid solution duration is prolonged from 4 h to 20 h, the grain size remains unchanged, and the grain morphology remains essentially consistent. Only a gradual decrease in the number of twins in the microstructure and a gradual increase in proportion of fine strengthening phases are observed. In contrast, the alloy is highly sensitive to solid solution temperature. When the solid solution temperature increases from 1010 °C to 1040 and 1070 °C, the grain size increases from Grade 7.5 to Grade 6.5 and to grade 3.0, respectively. Simultaneously, the primary strengthening phases within austenite grains are fully replaced by secondary ones. Additionally, M23C6 carbides at γ phase grain boundaries transition from isolated island-like morphologies (at low temperature) to elongated strip-like morphologies (at high temperature). Simultaneously, both the quantity and size of the intragranular MC carbides significantly increase. The microhardness and mechanical properties of the alloy are predominantly governed by the scale of strengthening phases and grain size. With the prolongation of solid solution duration, the microhardness, tensile strength, and yield strength progressively increase. However, as the solid solution temperature rises, these properties increase first and then decrease.

      • 0+1
      • 1+1
      • 2+1
      • 3+1
      • 4+1
      • 5+1
      • 6+1
      • 7+1
      • 8+1
      • 9+1
    • Study on Flow Stress Constitutive Relationship of GH738 Superalloy Based on Machine Learning

      2026, 55(6):1437-1450. DOI: 10.12442/j.issn.1002-185X.20250193

      Abstract (0) HTML (5) PDF 1.69 M (3) Comment (0) Favorites

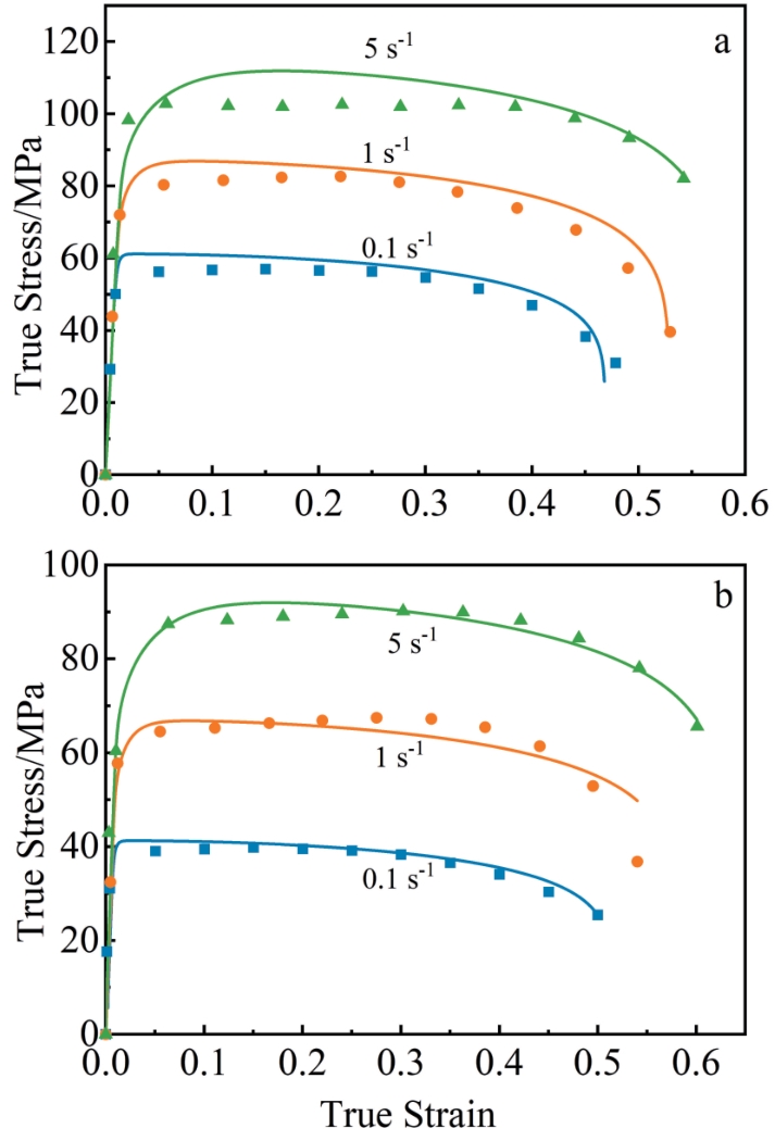
      Abstract:Hot compression experiments were conducted on GH738 superalloy using Gleeble 3500 thermal simulation machine at deformation temperature of 980–1100 °C and strain rate of 0.001–0.1 s-1 to study the flow stress behavior of the alloy. Three machine learning algorithms, namely random forest (RF), support vector machine (SVM), and genetic algorithm-back propagation (GA-BP) neural networks, were employed to establish constitutive relationship models for the flow stress behavior of GH738 superalloy. Subsequently, these models were compared and analyzed in terms of their predictive accuracy. The results indicate that the flow stress of GH738 superalloy decreases with the increase in deformation temperature and the decrease in strain rate. The correlation coefficients for the RF, SVM, and GA-BP constitutive relationship models are determined as 0.921, 0.998, and 0.999, while the average absolute relative errors as 14.587%, 2.112%, and 0.901%, respectively. The results demonstrate that SVM and GA-BP constitutive relationship models have better prediction accuracy than RF model in predicting the flow stress behavior of GH738 superalloy. It can provide a theoretical basis for the calculation of deformation resistance and forging tonnage under different deformation conditions, and it can also provide reliable flow stress data for numerical simulation of forging process.

      • 0+1
      • 1+1
      • 2+1
      • 3+1
      • 4+1
      • 5+1
      • 6+1
      • 7+1
      • 8+1
      • 9+1
      • 10+1
      • 11+1
      • 12+1
      • 13+1
      • 14+1
      • 15+1
    • Microstructure and Composition Uniformity of Triple-Melted Φ508 mm Ingot of GH4151 Superalloy

      2026, 55(6):1498-1510. DOI: 10.12442/j.issn.1002-185X.20240844

      Abstract (0) HTML (5) PDF 4.66 M (4) Comment (0) Favorites

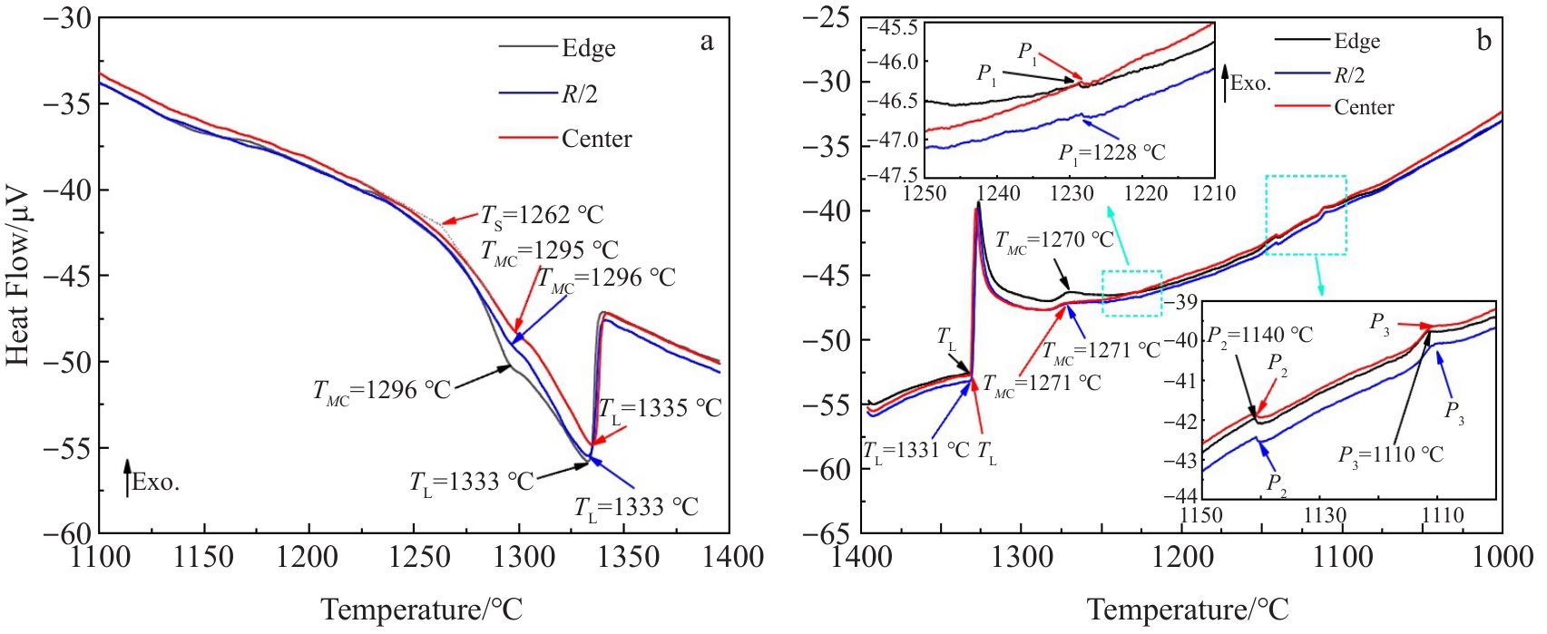
      Abstract:GH4151 is a new type of wrought superalloy used for aero-engine turbine discs. This superalloy has high-content strengthening elements, complex solidification behavior, and high cracking tendency, making it difficult to produce ingots with large size. In this study, the 2-ton GH4151 superalloy ingot with a diameter of 508 mm was prepared by the triple melting process. The solidification microstructure of the ingot was analyzed, and the composition uniformity of the ingot was evaluated. Industrial experiment show that a crack free ingot can be obtained, and the secondary dendrite arm spacings from the ingot edge to the center are 80 and 150 μm, respectively. The composition at the top and bottom of the ingot shows a good uniformity in transverse sections. The range of elements Co, Cr, W, and Mo is within 0.05wt%, and the range of the element Nb is lower than 0.07wt%. However, the variation for Al and Ti are relatively large, due to the melting loss in the axial direction. After homogenization, the segregation coefficients of the alloying elements can be controlled between 0.8 and 1.2. Superalloy bars with a diameter of 300 mm were prepared through free forging. The microstructure, properties, and flaw detection of the bars can meet the technical requirements, verifying that the prepared ingot has satisfactory metallurgical quality.

      • 0+1
      • 1+1
      • 2+1
      • 3+1
      • 4+1
      • 5+1
      • 6+1
      • 7+1
      • 8+1
      • 9+1
      • 10+1
      • 11+1
      • 12+1
      • 13+1
      • 14+1
      • 15+1
      • 16+1
      • 17+1
      • 18+1
      • 19+1
      • 20+1
      • 21+1
      • 22+1
      • 23+1
      • 24+1
      • 25+1
      • 26+1
      • 27+1
      • 28+1
      • 29+1
      • 30+1
      • 31+1
      • 32+1
      • 33+1
      • 34+1
      • 35+1
      • 36+1
      • 37+1
      • 38+1
    • Influence of Variable Temperature Aging on the Microstructure of Nickel-Based Superalloys

      2026, 55(6):1527-1533. DOI: 10.12442/j.issn.1002-185X.20240847

      Abstract (0) HTML (2) PDF 4.26 M (0) Comment (0) Favorites

      Abstract:Nickel-based alloys undergo complex temperature variations during actual service. Thermal fluctuations may alter elemental diffusion pathways and rates, thereby affecting microstructural homogeneity. Current long-term aging studies predominantly focus on isothermal conditions, while microstructural evolution and performance degradation under non-isothermal aging remain inadequately explored. This study aims to investigate the differences in γ′ phase evolution between isothermal and non-isothermal aging in nickel-based alloys, elucidate the influence of variable temperature sequences on microstructural characteristics, and establish quantitative relationships among microstructure, aging time, and temperature, including equivalent time calculations. The results reveal that the growth kinetics of γ′ phase size in DZ411 alloy under both non-isothermal and isothermal aging follows an identical time-temperature function: the cube of phase diameter exhibits a linear dependence on aging time and temperature, with Feret ratio (FR) fluctuating within comparable ranges. Furthermore, variable temperature sequences systematically govern γ′ phase dimensions. Microstructural observations demonstrate that sequential aging from 900 ℃ to 980 ℃ produces larger γ′ phases than the reverse sequence (980 ℃-900 ℃). Quantitative analysis confirms that the average equivalent diameter (D) for the 900 ℃-980 ℃ sequence is 719 nm, which is larger than that for the 980 ℃-900 ℃ sequence (665 nm). Additionally, variable temperature sequences regulate γ′ phase morphology: rounded rectangular particles dominate in the 900 ℃-980 ℃ sequence, while near-spherical shapes prevail in the 980 ℃-900 ℃ sequence, supported by distinct FR values (1.411 vs. 1.379).

      • 0+1
      • 1+1
      • 2+1
      • 3+1
      • 4+1
      • 5+1
      • 6+1
      • 7+1
      • 8+1
      • 9+1
      • 10+1
    • Temperature Dependence of Tensile Deformation Mechanism of GH4975 Superalloy for Turbine Disk

      2026, 55(6):1557-1566. DOI: 10.12442/j.issn.1002-185X.20250040

      Abstract (1) HTML (2) PDF 3.67 M (1) Comment (0) Favorites

      Abstract:Tensile properties, deformation mechanism, and fracture behavior of the GH4975 superalloy were investigated using optical microscope, scanning electron microscope, electron backscatter diffractometer, transmission electron microscope, and other advanced characterization techniques. The results show that the deformation mechanism of the alloy transitions from strong coupling dislocation shear at low temperatures to stacking fault and microtwin formation at intermediate temperatures. At temperatures higher than 850 °C, the dislocation bypass mechanism is activated and gradually dominates the dislocation movement with the increase in temperature. Carbide cracking dominates the failure of the alloy at low temperatures. As the temperature increases, the grain boundary strength decreases. Therefore, grain boundary cracks become the primary crack sources. At temperatures above 800 °C, the reduction in grain boundary strength and the activation of the dislocation bypass mechanism are the primary reasons for the rapid decline in alloy strength.

      • 0+1
      • 1+1
      • 2+1
      • 3+1
      • 4+1
      • 5+1
      • 6+1
      • 7+1
      • 8+1
      • 9+1
      • 10+1
    • Effect of Hole Geometric Structure on the Oxidation Behavior of DD6 Single-Crystal Superalloy

      2026, 55(6):1573-1582. DOI: 10.12442/j.issn.1002-185X.20250363

      Abstract (0) HTML (0) PDF 3.32 M (0) Comment (0) Favorites

      Abstract:The isothermal oxidation behavior of DD6 single-crystal superalloy with different hole geometric structure at 1050 ℃ was studied using field emission scanning electron microscope, energy dispersive spectroscope, X-ray diffractometer, and ABAQUS finite element method. The results show that at two angles of 45° and 90°, the average oxidation rate varies with the film-hole spacing, both being 0.75 mm>0.95 mm>0.55 mm>0.39 mm. The effect of film-hole spacing on the oxidation mass gain of single-crystal superalloys is more significant than that of hole angle. At the same film-hole spacing, the degree of oxidation at 45° is relatively more severe than that at 90°. Finite element analysis shows that the growth of the oxide layer on the inner wall of the hole is mainly affected by the temperature field, while the growth of the oxide layer on the surface of the hole is mainly affected by the detachment stress. As the film-hole spacing increases, the stress cancellation area gradually decreases, and the detachment stress continues to increase, reaching its peak at 0.75 mm. At this time, the oxide film detachment is most severe, and after the peak point, it shows a downward trend.

      • 0+1
      • 1+1
      • 2+1
      • 3+1
      • 4+1
      • 5+1
      • 6+1
      • 7+1
      • 8+1
      • 9+1
      • 10+1
      • 11+1
      • 12+1
      • 13+1
      • 14+1
      • 15+1
      • 16+1
    • Effect of TiC Content on Microstructure and Mechanical Properties of Mo-based Composites

      2026, 55(6):1597-1604. DOI: 10.12442/j.issn.1002-185X.20240848

      Abstract (0) HTML (1) PDF 2.67 M (2) Comment (0) Favorites

      Abstract:The influence of titanium carbide (TiC) content on the microstructure and mechanical properties of molybdenum (Mo)-based composites was investigated, aiming to provide a scientific basis for the development of high-performance and heat-resistant molybdenum materials for aerospace engines. TiC/Mo composites containing 10wt%, 20wt%, and 30wt% TiC were prepared using spark plasma sintering (SPS) technique. The results indicate that the strengthening mechanisms of TiC/Mo composites are primarily attributed to intragranular particle strengthening and grain boundary strengthening. At elevated temperatures, TiC diffuses into the Mo matrix, forming a transition zone of measurable width at the interface of the two phases. XRD analysis confirms that this transition zone comprises (Ti, Mo)C. The crystal lattices of the TiC and Mo phases exhibit strong bonding, which is further corroborated by atomic-scale observations. Tensile and hardness tests reveal that TiC/Mo composites with 10wt% and 20wt% TiC demonstrate superior mechanical properties. The fracture behavior of these composites is primarily governed by the propagation of intergranular microcracks, which is influenced by the competition between intergranular and intragranular crack development. This study provides critical insights into the coupling effects of intergranular and intragranular TiC particles on the mechanical performance of TiC/Mo composites.

      • 0+1
      • 1+1
      • 2+1
      • 3+1
      • 4+1
      • 5+1
      • 6+1
      • 7+1
      • 8+1
      • 9+1
      • 10+1
    • >Special Issue: aluminium alloy
    • Constitutive Model and Application of 2060 Aluminum-Lithium Alloy in Hot Stamping Process

      2026, 55(6):1400-1408. DOI: 10.12442/j.issn.1002-185X.20250245

      Abstract (1) HTML (3) PDF 3.29 M (2) Comment (0) Favorites

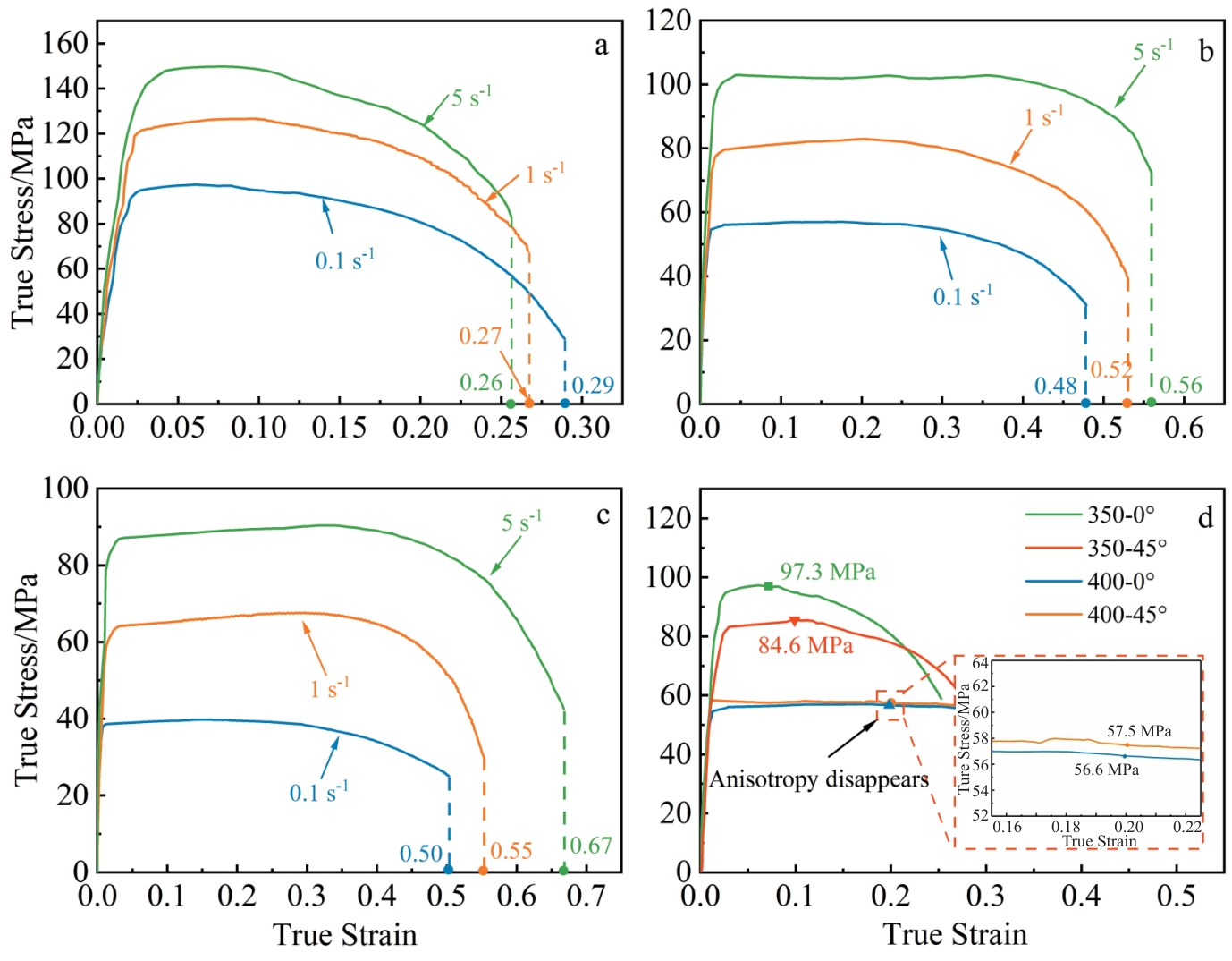
      Abstract:2060 alloy, as the third generation aluminum-lithium (Al-Li) alloy, has lighter mass than traditional aluminum alloys and superior mechanical properties compared with previous generations of Al-Li alloy. The hot deformation behavior of 2060 Al-Li alloy sheets were investigated by hot tensile tests and model analysis. The fracture morphology was observed by scanning electron microscope. Then, the constitutive model coupled with the macroscopic mechanical behavior and the microstructure evolution was established. Finally, the established constitutive model was embedded in the finite element simulation software to analyze the deformation process of 2060 Al-Li alloy. The results show that the peak stress decreases with the increase in temperature and the decrease in strain rate. The deformation temperature has a significant impact on the anisotropy of the 2060 Al-Li alloy. It can be considered that the anisotropy can be eliminated at 400 °C or higher temperatures. It is found that the fracture process of 2060 Al-Li alloy conforms to typical ductile fracture laws. The presence of ridge improves the sheet deformation at elevated temperature. The constitutive model can predict the change of the true stress-true strain curves and the microstructure evolution accurately. The simulation results have good agreement with the experimental tests under hot stamping conditions.

      • 0+1
      • 1+1
      • 2+1
      • 3+1
      • 4+1
      • 5+1
      • 6+1
      • 7+1
      • 8+1
      • 9+1
      • 10+1
    • Effect of Laser Shock Peening on Creep Aging Behavior and Springback of 2195 Al-Li Alloy

      2026, 55(6):1429-1436. DOI: 10.12442/j.issn.1002-185X.20250294

      Abstract (0) HTML (1) PDF 1.86 M (0) Comment (0) Favorites

      Abstract:Hardness testing, microstructural characterization, and creep aging forming experiments were conducted to investigate the impact of laser shock peening (LSP) treatment on the creep aging behavior of 2195 Al-Li alloy and to evaluate its effect on the springback of single-curved components formed through creep aging. The results indicate that, compared to the creep-aged alloy without LSP treatment, the hardness of the creep-aged alloy with LSP treatment is increased by approximately 22%. Grain size is notably reduced from the surface to the middle layer of the plate, with the greatest decrement in surface layer (49 μm) and the least in the middle layer (4 μm). The T1 precipitate phase in the creep-aged alloy with LSP treatment exhibits a denser distribution, greater quantity, and finer grain size, compared with that without LSP treatment. Furthermore, the springback ratio of creep-aged sheets subjected to LSP treatment is significantly lower than that of untreated sheets, decreasing by about 37.6%. The enhancement in hardness is attributed to fine grain strengthening and substantial precipitation strengthening induced by LSP. The reduction in springback is ascribed to the increased creep deformation resulting from the combined effect of the compressive stress on the concave surface of the plate during bending and the residual compressive stress generated by LSP treatment.

      • 0+1
      • 1+1
      • 2+1
      • 3+1
      • 4+1
      • 5+1
      • 6+1
      • 7+1
      • 8+1
      • 9+1
      • 10+1
      • 11+1
      • 12+1
    • Multi-scale Analysis of Residual Stress in Thermomechanical Treatment Process of 7050 Aluminum Alloy Ring

      2026, 55(6):1465-1472. DOI: 10.12442/j.issn.1002-185X.20250042

      Abstract (1) HTML (2) PDF 2.13 M (0) Comment (0) Favorites

      Abstract:In the process of preparing and processing aluminum alloy rings, micro residual stress is generated, while macro residual stress is also generated. The release and redistribution of macro residual stress cause the deformation of the workpiece during processing and service, which will affect its dimensional accuracy. The superposition of macro residual stress and external force reduces the strength and fatigue limit of the workpiece. Under the combined action of micro-residual stress and external force, it is easy to cause stress concentration in the micro-area, so that the workpiece produces micro-cracks under far less than the yield stress, and ultimately fractures. The most important process affecting the residual stress in aluminum alloy forgings is the quenching process after solution treatment. In this paper, the macro residual stress of 7050 aluminum alloy ring during solution-cold bulging process was detected by blind hole method, and the macro finite element simulation of 7050 aluminum alloy ring during solution-cold bulging process was carried out by ABAQUS software. The macro residual stress evolution law of 7050 aluminum alloy ring during solution-cold bulging process was analyzed. It is concluded that the introduction of appropriate cold bulging process after solution quenching can greatly reduce the macro residual stress of 7050 aluminum alloy. The cross-scale analysis of residual stress is realized by the combined application of multi-scale simulation methods: Based on the crystal plastic finite element simulation method, the micro-area of interest is determined according to the macro-finite element simulation results, and the strain history of the micro-area is extracted. The strain history is applied to the micro-polycrystal model at the corresponding position by ABAQUS software to study the distribution law of micro-residual stress and its relationship with the microstructure.

      • 0+1
      • 1+1
      • 2+1
      • 3+1
      • 4+1
      • 5+1
      • 6+1
      • 7+1
      • 8+1
      • 9+1
      • 10+1
      • 11+1
      • 12+1
      • 13+1
    • DOI:PreparationandLong-TermCorrosionResistanceofNovelAl2O3/BTESPT/rGOCompositeCoatings

      2026, 55(6):1480-1488. DOI: 10.12442/j.issn.1002-185X.20240839

      Abstract (1) HTML (1) PDF 2.75 M (0) Comment (0) Favorites

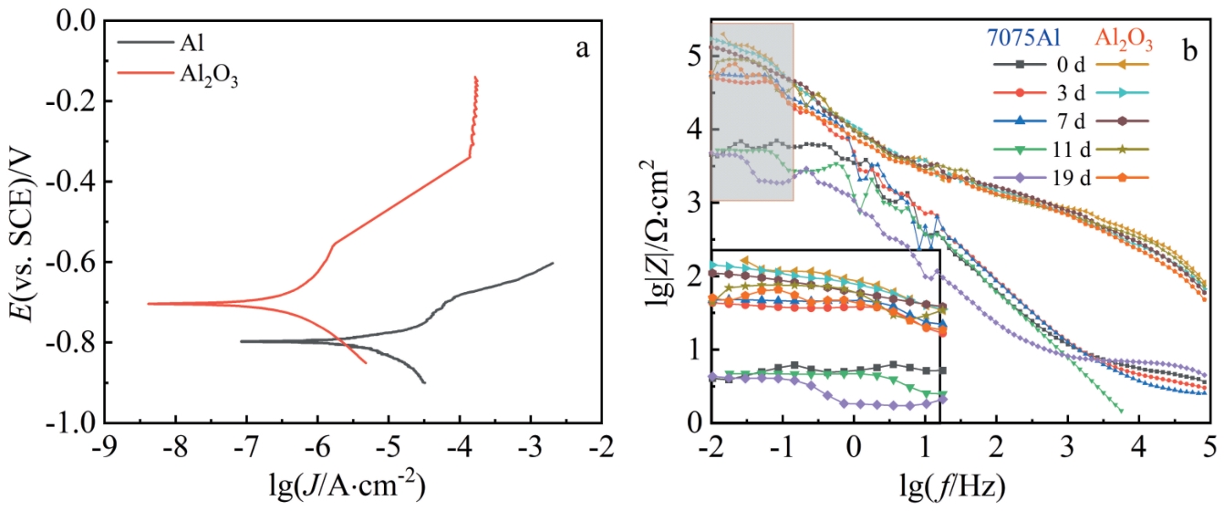
      Abstract:To improve the long-term corrosion resistance of 7075Al aluminum alloy, an alumina (Al2O3) coating was prepared first by cathodic liquid plasma electrolysis technology to achieve full coverage of the aluminum alloy substrate, and then a bis[3-(triethoxysilyl)propyl]tetrasulfide (BTESPT) silane coating and reduced graphene oxide (rGO) coating (BTESPT/rGO composite coating) was further prepared on the surface of the Al2O3 coating via dip coating and pulsed electrodeposition technology to fill the micro-cracks and micro-holes in the Al2O3 coating, further improving the long-term corrosion resistance of 7075Al alloy. The phase composition, surface morphology, electrochemical properties, impedance value and macroscopic surface morphology of the deposited coatings were analyzed. The results indicate that the impedance value of 7075Al coated with a single Al2O3 coating is still 4.6 Ω·cm2 after immersion in seawater for 25 d, which is significantly higher than 3.2 Ω·cm2 of 7075Al alloy. However, several etch pits are formed on the Al2O3 coating because the oxygen and chloride ions in seawater enter the interior of 7075Al alloy through the micro-cracks and micro-pores in the Al2O3 coating. In contrast, the uniform and dense Al2O3/BTESPT/rGO composite coating, prepared by the pulsed electrodeposition technique at 0.8 V deposition voltage, fills the micro-cracks and micro-pores generated in the process of Al2O3 coating deposition. The 7075Al alloy coated with the composite coating exhibit the most positive corrosion potential and the lowest corrosion current density, indicating the lowest corrosion tendency and corrosion rate. Throughout the period of immersion in seawater for 105 d, the impedance value of 7075Al coated with Al2O3/BTESPT/rGO composite coating varies within the range between 5.44 Ω·cm2 and 5.71 Ω·cm2. Furthermore, the Al2O3/BTESPT/rGO composite coating exhibits only slight color change on its surface, demonstrating excellent long-term corrosion resistance in seawater.

      • 0+1
      • 1+1
      • 2+1
      • 3+1
      • 4+1
      • 5+1
      • 6+1
      • 7+1
      • 8+1
      • 9+1
      • 10+1
    • Effect of Cold Rolling Deformation on Grain Morphology and Damage Resistance of Al-Cu-Li Alloy

      2026, 55(6):1518-1526. DOI: 10.12442/j.issn.1002-185X.20240846

      Abstract (0) HTML (0) PDF 3.07 M (2) Comment (0) Favorites

      Abstract:Metallographic microscope, electron backscatter diffractometer, transmission electron microscope, scanning electron microscope, X-ray diffractometer, and room-temperature tensile, tearing, and fatigue crack extension experiments were used to investigate the effect of the four final cold-rolling reductions (13%、23%、46%、68%) after intermediate annealing on the grain morphology and damage resistance of the Al-3.9Cu-0.74Li-0.68Mg alloy sheets. The results indicate that with increase in cold-rolling reduction after intermediate annealing, complete recrystallization occurs in the sheets after solid solution treatment, leading to a significant reduction in the average grain size and aspect ratio. The grains tend to become more equiaxed. The primary precipitates in the aged alloy are T1 phase, and the size, number density, and volume fraction of T1 phase show little variation among the four reduction levels. Quantitative calculations of the contributions of different strengthening mechanisms to the yield strength reveal that the strengthening of the alloys with the four reduction levels is mainly attributed to the precipitation strengthening of T1 phase, contributing 335.79?366.54 MPa to the yield strength. With the increase in cold-rolling reduction, the fatigue crack growth rate of the sheets increases, resulting in deteriorated fatigue performance, while the fracture toughness shows an upward trend. Fine grains are beneficial for improving fracture toughness but detrimental to fatigue performance.

      • 0+1
      • 1+1
      • 2+1
      • 3+1
      • 4+1
      • 5+1
      • 6+1
      • 7+1
      • 8+1
      • 9+1
      • 10+1
      • 11+1
      • 12+1
    • Failure Behavior of Layered Aluminum Matrix Composites Fabricated by SLM-Assisted Pressure Infiltration

      2026, 55(6):1567-1572. DOI: 10.12442/j.issn.1002-185X.20250046

      Abstract (0) HTML (0) PDF 1.88 M (2) Comment (0) Favorites

      Abstract:Inspired by the nacreous structure of shells, layered HEAP/Al-Al composites with varying framework thicknesses (0.3, 0.4, and 0.5 mm) were fabricated using selective laser melting (SLM) combined with pressure infiltration. The results indicate that the layered composites exhibit an intact internal structure, and a well-bonded interface between the reinforcement phase (HEAP/Al) and the aluminum matrix, without the formation of interfacial reaction products. With increasing framework thickness, the flexural strength of the composites significantly improves, while the compressive strength decreases first and then increases. Additionally, the compressibility is notably enhanced. Among them, the composite with a 0.5 mm framework shows the best overall performance, with a flexural strength of 228 MPa, a compressive strength of 385 MPa, and a compressibility of 20.8%. Three-point bending tests reveal that the layered HEAP/Al-Al composites exhibit a mixed ductile-brittle fracture mode, primarily characterized by the debonding of high-entropy alloy particles and tearing of the aluminum matrix, with the main crack propagating perpendicular to the aluminum framework. An increase in framework thickness leads to longer crack deflection paths, while mechanisms such as multi-crack propagation and microcrack diffusion effectively suppress the propagation of the main crack, thereby enhancing the overall strength and toughness of the composite. Finite element simulation results are consistent with experimental observations, confirming the inhibitory effect of the framework structure on main crack propagation. This study provides theoretical support for the structural design and mechanical performance optimization of heterogeneous composite materials.

      • 0+1
      • 1+1
      • 2+1
      • 3+1
      • 4+1
      • 5+1
      • 6+1
      • 7+1
      • 8+1
    • >Materials Science
    • Enhanced Wear Resistance of ULDLC Duplex Stainless Steel Coating via Laser Remelting

      2026, 55(6):1385-1392. DOI: 10.12442/j.issn.1002-185X.20250266

      Abstract (2) HTML (6) PDF 3.11 M (3) Comment (0) Favorites

      Abstract:Underwater local dry laser cladding (ULDLC) is a key technique for in-situ repair of nuclear power equipment. In this study, an underwater laser remelting technique was proposed to further enhance the wear resistance of duplex stainless steel (DSS) coatings prepared by ULDLC. The effects of laser remelting heat input on the microstructure and wear resistance of DSS coating prepared by ULDLC were investigated. Results indicate that the microstructure of DSS coatings consists of Widmanst?tten austenite (WA), intergranular austenite (IGA), grain boundary austenite, secondary austenite (γ2), and ferrite. With the increase in laser remelting heat input, the content of IGA and WA gradually decreases, while the ferrite content increases. After laser remelting, γ2 is eliminated and the grain morphology of ferrite is transformed from flaky to equiaxed. Under optimal laser remelting parameters (a laser power of 3 kW, a laser spot diameter of 6 mm, and a laser scanning speed of 10 mm/s), the microhardness of remelted zone is 318.7 HV, which is increased by 25.7 HV, the friction coefficient decreases by 32%, and the wear volume is reduced by 55%. The significantly improved wear resistance is attributed to the synergistic effects of surface oxide-layer formation and ferrite grain refinement.

      • 0+1
      • 1+1
      • 2+1
      • 3+1
      • 4+1
      • 5+1
      • 6+1
      • 7+1
      • 8+1
      • 9+1
      • 10+1
      • 11+1
      • 12+1
      • 13+1
    • Effect of Heat Treatment Temperature on Microstructure and Corrosion Resistance of TA1/304 Composite Plates

      2026, 55(6):1409-1418. DOI: 10.12442/j.issn.1002-185X.20250133

      Abstract (0) HTML (1) PDF 3.21 M (1) Comment (0) Favorites

      Abstract:The corrosion resistance and corrosion mechanism of TA1/304 composite plates after heat treatment at different temperatures were studied by simulating electrochemical experiments in artificial seawater (3.5wt% NaCl solution). The interfacial diffusion and microstructure evolution were studied. The results show that the diffusion range of interfacial elements and the thickness of the diffusion layer change with the heating temperatures. Because of its special structure and composition, the TA1/304 composite plate shows excellent corrosion resistance in Cl--containing corrosive media, and its corrosion resistance is significantly better than that of ordinary steel plates. Meanwhile, it is found that the heat treatment process of the composite plate has a significant impact on its corrosion resistance. After annealing at 600 °C, the corrosion resistance of the composite plate is improved, and corrosion properties of rolled surface is much greater than that of the cross-section. This research achievement provides important theoretical basis and technical support for the further application of TA1/304 composite plates in fields with strict corrosion resistance requirements, such as chemical engineering and marine engineering.

      • 0+1
      • 1+1
      • 2+1
      • 3+1
      • 4+1
      • 5+1
      • 6+1
      • 7+1
      • 8+1
      • 9+1
      • 10+1
      • 11+1
      • 12+1
    • Low-Temperature Densification Mechanism and Mechanical Properties of W-Fe-C Composites

      2026, 55(6):1473-1479. DOI: 10.12442/j.issn.1002-185X.20240827

      Abstract (0) HTML (1) PDF 2.46 M (2) Comment (0) Favorites

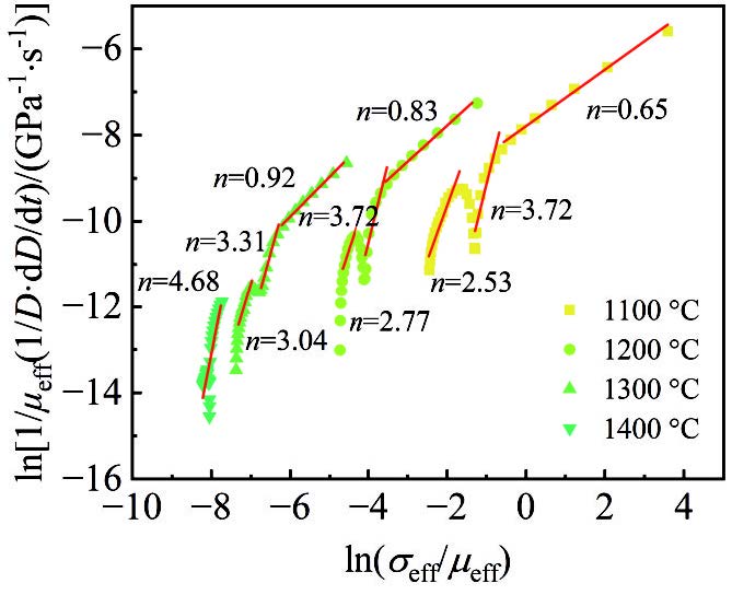
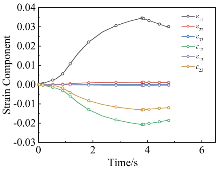
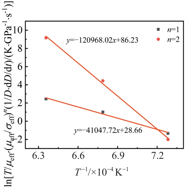
      Abstract:The W-Fe-C composites were prepared using spark plasma sintering at various sintering temperatures, and their sintering behavior, phases, microstructure, and mechanical properties were characterized. The densification mechanism was also analyzed. The results show that as the temperature increases, the reinforcement phase in the composite transitions from Fe6W6C to Fe3W3C, and finally to Fe2W2C. After sintering at 1400 ℃, the sample achieves a relative density of 99.2%, with an ultimate compressive strength of 2455.15 MPa and a deformation rate of 25.42%. During the holding stage, the W-Fe-C composite exhibits a unique creep recovery stage, where the densification rate is nearly zero. When the effective stress exponent (n) is approximately 1 and 2, the estimated activation energies are 341.27 and 1005.73 kJ/mol, respectively, which are higher than those of pure tungsten. However, because the in-situ reaction promotes diffusion, the relative density of the W-Fe-C composites exceeds that of pure tungsten. This study provides a new approach for the low-temperature fabrication of tungsten-based composites.

      • 0+1
      • 1+1
      • 2+1
      • 3+1
      • 4+1
      • 5+1
      • 6+1
      • 7+1
      • 8+1
      • 9+1
      • 10+1
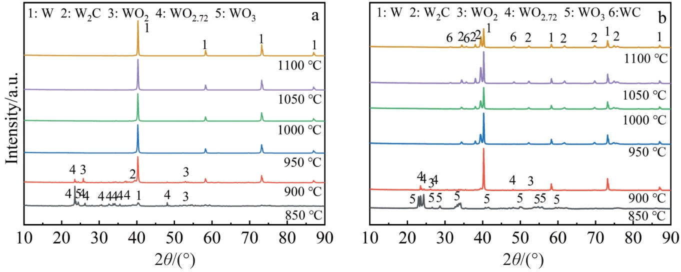
    • Preparation of Nano-tungsten Powder by Dynamic Carbothermal Reduction Method

      2026, 55(6):1489-1497. DOI: 10.12442/j.issn.1002-185X.20240843

      Abstract (0) HTML (0) PDF 3.57 M (1) Comment (0) Favorites

      Abstract:High-quality nano-tungsten powder is the prerequisite for the preparation of high-performance nanocrystalline tungsten alloys and cemented carbides. The tungsten powder prepared by hydrogen reduction produces WO2(OH)2, which leads to the growth of tungsten powder grains. The carbothermal reduction method can effectively avoid this problem. This study focused on the influence of carbothermal reduction temperature, atmosphere, time and dynamic/static process on the phase structure and particle size of the product. The results show that the purity of the product in vacuum atmosphere is higher than that in argon atmosphere. With the increase of reduction temperature, the product changes from high-valence tungsten oxide to low-valence tungsten oxide and finally to pure tungsten. When the holding time is 1 h, the average particle size of tungsten powder increases from 67 nm to 118 nm with the increase in reduction temperature from 1000 ℃ to 1100 ℃. When the reduction temperature is 1000 ℃, the average particle size of tungsten powder increases from 67 nm to 93 nm with the prolongation of holding time from 1 h to 3 h. Nano-tungsten powder with an average particle size of 67 nm can be prepared under the vacuum dynamic carbothermal reduction at 1000 ℃ for 1 h.

      • 0+1
      • 1+1
      • 2+1
      • 3+1
      • 4+1
      • 5+1
      • 6+1
      • 7+1
      • 8+1
      • 9+1
      • 10+1
      • 11+1
      • 12+1
      • 13+1
    • Influence of Shot Peening on the Elemental Diffusion and Properties of Wide-Gap Brazed Joints

      2026, 55(6):1511-1517. DOI: 10.12442/j.issn.1002-185X.20240845

      Abstract (0) HTML (1) PDF 2.51 M (1) Comment (0) Favorites

      Abstract:Based on the surface shot peening treatment of Hastelloy X, this study investigated the impact of shot peening on the interfacial element diffusion and properties of wide-gap brazing joints. The microstructure and mechanical properties of wide-gap brazing joints obtained from Hastelloy X surfaces without shot peening and those treated with shot peening using ball sizes of 0.180, 0.300, and 0.500 mm were compared. SEM and EDS were used to analyze the diffusion layer structure and element distribution characteristics. The results indicate that the grain refinement effect from shot peening strengthening treatment promotes the diffusion of the melting-reducing element Si in Hastelloy X. When the shot size is 0.300 mm, the diffusion coefficient of Si in the brazing joint structure is the highest of 1.83×10-8 mm2·s-1; at this time, the diffusion layer is the thickest of 224.97 μm in thickness; the interface shear strength of the wide-gap brazing joint is the greatest of 543.38 MPa, which shows a 19.39% increase compared to that of the non-shot-peened sample. Additionally, theoretical calculations were conducted to determine the impact of different grain sizes under three shot peening processes on the diffusion coefficient of Si element. Theoretical calculations are combined with experimental data to elucidate the diffusion mechanism of Si in the microstructure of wide-gap brazing joints.

      • 0+1
      • 1+1
      • 2+1
      • 3+1
      • 4+1
      • 5+1
      • 6+1
      • 7+1
    • Influence Mechanism of Gradient Microstructure on the Properties of Ti2AlNb-Based Alloy

      2026, 55(6):1534-1542. DOI: 10.12442/j.issn.1002-185X.20250004

      Abstract (0) HTML (0) PDF 3.05 M (1) Comment (0) Favorites

      Abstract:Ti2AlNb-based alloy samples with gradient microstructures were obtained by gradient extrusion at 980 °C. The gradient microstructures of Ti2AlNb-based alloy samples were characterized by XRD, SEM and TEM, and their properties were studied by nanoindentation and nano-scratch tests. The influence of gradient microstructures on the properties of Ti2AlNb-based alloy was investigated. The results show that the microstructure in the core of the gradient extruded Ti2AlNb-based alloy specimen is mainly composed of the coarser B2 phase and the near-equiaxed α2 phase distributed at the grain boundaries, and the dislocation density is low, which is mainly distributed in the B2 phase and the B2/α2 phase boundaries. The microstructure in the edge is composed of smaller B2 phases, a large number of rod/slat-like O phases and a small number of equiaxed α2/O (rim O) phases, and the dislocation density is high, which is mainly distributed at the interface between the slat/equiaxed O phase and the B2 phase, and in the O phase and α2 phase. The core of the gradient extruded specimen has the lower hardness and better plasticity. The edge has higher hardness under various effects such as O-phase strengthening, fine-grained strengthening and dislocation strengthening, and the wear resistance are significantly improved. The gradient microstructure can confer the good comprehensive service performance of the Ti2AlNb-based alloy.

      • 0+1
      • 1+1
      • 2+1
      • 3+1
      • 4+1
      • 5+1
      • 6+1
      • 7+1
      • 8+1
      • 9+1
      • 10+1
      • 11+1
      • 12+1
      • 13+1
      • 14+1
    • Microstructure and Properties of Low-Temperature Hot-Melted ZrTiNi Energetic Structural Materials

      2026, 55(6):1543-1549. DOI: 10.12442/j.issn.1002-185X.20250014

      Abstract (1) HTML (0) PDF 2.40 M (1) Comment (0) Favorites

      Abstract:ZrTiNi system exhibits unique low-temperature hot-melting characteristics and high chemical reactivity potential, offering promising applications in energetic warhead casings. This research presents a preliminary exploration of the low-temperature liquid phase region of ZrTiNi based on ternary phase diagram calculations. ZrTiNi alloy bulk samples with varying Zr contents (70wt%, 80wt%, and 90wt%) were prepared using a vacuum sintering process, and the microstructure, phase composition, quasi-static mechanical properties, and impact-induced reaction characteristics were studied. Results show that according to the phase diagram calculations, the ZrTiNi system has a wide liquid phase region at 900, 950, and 1000 ℃, demonstrating significant low-temperature hot-melting characteristics. Relative density and metallographic analysis results show that the Zr70Ti15Ni15 and Zr80Ti10Ni10 alloy samples sintered at 950 ℃ achieved near-full densification, while the Zr90Ti5Ni5 alloy sample has a relative density of only 81.7%, with numerous pore defects remaining in the cross-section. This indicates that as the Zr content increases, the overall melting point of the alloy rises. XRD and SEM analysis results show that the ZrTiNi alloys consist mainly of Zr(Ti) solid solution as the primary phase and Ni-Zr(Ti) intermetallic compounds. Additionally, increasing Zr content promotes the formation of Zr-rich solid solution phases, which inhibits the formation of intermetallic compounds to some extent. Quasi-static compression tests reveal that both the densified Zr70Ti15Ni15 and Zr80Ti10Ni10 alloy samples have compressive strengths exceeding 1200 MPa, providing a solid foundation for blast loading resistance and armor-piercing penetration. In ballistic gun tests, the Zr80Ti10Ni10 alloy projectile successfully penetrated the front steel plate at a velocity of 1029 m/s and sustained the ignition of jet fuel, demonstrating excellent impact-induced ignition properties.

      • 0+1
      • 1+1
      • 2+1
      • 3+1
      • 4+1
      • 5+1
      • 6+1
      • 7+1
      • 8+1
      • 9+1
    • Room Temperature Mechanical Properties of Mo14Re Alloys Obtained by SPS Sintering

      2026, 55(6):1550-1556. DOI: 10.12442/j.issn.1002-185X.20250023

      Abstract (1) HTML (0) PDF 2.36 M (0) Comment (0) Favorites

      Abstract:Mo14Re powders were prepared by high-energy ball milling (HEBM) and spray drying-hydrogen reduction (SPHR), separately. Then, the Mo14Re alloys were obtained by spark plasma sintering (SPS). The phase structure, microstructure, element distribution, and grain size were analyzed using X-ray diffraction (XRD), scanning electron microscopy (SEM), and electron backscatter diffraction (EBSD). The deformation mechanisms of Mo14Re alloy under room temperature tension and compression were discussed. The XRD results indicate that the (101)-spacing of the Mo14Re-SPHR is smaller than that of the Mo14Re-HEBM. The EDS results show that the segregation of Re is observed at the grain boundary of the Mo14Re-HEBM, while uniform elements distribution in the Mo14Re-SPHR alloy. The room temperature compression results show that the compressive yield strength of the Mo14Re-SPHR is 679.11 MPa, higher than that of the Mo14Re-HEBM (602.71 MPa). EBSD results show that when the compression deformation is larger than 5.0%, the proportion of grains with {123}<111> as the main slip system in Mo14Re-SPHR increases, while the proportion of grains with {110}<111>and {112}<111> as the main slip systems decreases. The change trend of the three slip systems in Mo14Re-HEBM is opposite to that in Mo14Re-SPHR, resulting in a strain hardening rate of Mo14Re-HEBM higher than that of Mo14Re-SPHR. Room temperature tensile results show that Mo14Re-SPHR exhibits better plasticity and toughness.

      • 0+1
      • 1+1
      • 2+1
      • 3+1
      • 4+1
      • 5+1
      • 6+1
      • 7+1
      • 8+1
      • 9+1
      • 10+1
    • Effect of Heat Treatment on Microstructure and Mechanical Properties of Rolled GWZ932 Alloy

      2026, 55(6):1583-1596. DOI: 10.12442/j.issn.1002-185X.20240836

      Abstract (1) HTML (1) PDF 4.58 M (2) Comment (0) Favorites

      Abstract:The effects of solid solution and aging treatments on the microstructural evolution and hardness of the GWZ932 alloy in the rolled state were investigated by means of optical microscope, X-ray diffractometer, Vickers hardness tester, scanning electron microscope, transmission electron microscope, and high-angle annular dark-field scanning transmission electron microscope. The results show that the alloy microstructure in the rolled state mainly consists of α-Mg, massive 18R-LPSO phase, lamellar 14H-LPSO phase, rare-earth-rich phase and Zn-Zr phase. The lamellar 14H-LPSO is almost completely dissolved into the matrix by solid solution treatment at 500 ℃ for 2 h; the elongated acicular 14H-LPSO is precipitated from the α-Mg matrix after 4 h of solid solution, and its volume fraction gradually increases with the extension of time; the volume fraction of acicular 14H-LPSO reaches 16% after 6 h of solid solution; the acicular 14H-LPSO phase dissolves and re-precipitates the lamellar 14H-LPSO (about 14.9 μm in length and 8.2 μm in width), and a small amount of undissolved acicular 14H-LPSO phase grows to form rod-like 14H-LPSO (23.4 μm in length and 1.98 μm in width). Increasing the solid solution temperature to 520 ℃, the solute atom diffusion rate is accelerated, thus the complete dissolution and re-precipitation time of lamellar 14H-LPSO is advanced to 1 and 2 h, respectively, and the size of the re-precipitated lamellar 14H-LPSO phase (12.6 μm in length, 5.1 μm in width) is smaller than that of the re-precipitated one after solid solution at 500 ℃ for 8 h. Precipitation and transformation do not occur during solid solution treatment at 520 ℃, indicating that the precipitation and dissolution of the acicular 14H-LPSO phase and its content are affected by the solid solution temperature and time. The age-hardening curves reach peak hardness under conditions of 520 ℃, 4 h+225 ℃, 64 h. On this basis, the age-hardening behaviour of the alloy after solution treatment at 520 ℃ for 4 h was investigated and the results show that the alloy reaches peak hardness after age treatment at 225 ℃ for 64 h. The room-temperature tensile strength (UTS), yield strength (YS) and elongation (EL) of the alloy under peak aging conditions are 396.3 MPa, 274 MPa, and 12.7% increase by 23.8%, 7.4%, and 69.3%, compared to those of the rolled state, respectively. The excellent strength and plasticity of the alloys arise from the precipitation of a columnar β'' phase (about 28.9 nm in length and 8.9 nm in width with an average area fraction of about 11.7%) and a basal 18R-LPSO/γ'' phase in the α-Mg matrix.

      • 0+1
      • 1+1
      • 2+1
      • 3+1
      • 4+1
      • 5+1
      • 6+1
      • 7+1
      • 8+1
      • 9+1
      • 10+1
      • 11+1
      • 12+1
      • 13+1
      • 14+1
      • 15+1
      • 16+1
      • 17+1
    • Effect of Cu and Its Coated Diamond Particles on the Microstructure and Properties of Ni-based Composite Coatings

      2026, 55(6):1605-1611. DOI: 10.12442/j.issn.1002-185X.20250047

      Abstract (0) HTML (1) PDF 1.70 M (1) Comment (0) Favorites

      Abstract:Ni-based composite coatings with directly added Cu and Cu-coated diamond were prepared by induction heating technology. The effects of Cu addition on the microstructure, phase evolution, microhardness and wear properties of Ni-based composite coatings were investigated. The results show that the direct addition of Cu and the introduction of Cu in the form of Cu-coated diamond in the diamond-nickel-based composite coatings inhibit the generation of carbides in the nickel alloy matrix, and in the form of Cu-coated diamond, almost no carbides are observed in the nickel alloy matrix. The average microhardness of the coating with Cu-coated diamond is decreased by 76.7 HV compared to that of the direct addition of Cu; moreover, the coating shows more excellent wear resistance in the 15?45 min wear stage of the abrasive wear test.

      • 0+1
      • 1+1
      • 2+1
      • 3+1
      • 4+1
      • 5+1
      • 6+1
      • 7+1
      • 8+1
      • 9+1
    • >Reviews
    • Design, Properties, and Multi-field Application Progress of Porous Structures of NiTi Shape-Memory Alloy Prepared by Selective Laser Melting

      2026, 55(6):1451-1464. DOI: 10.12442/j.issn.1002-185X.20250309

      Abstract (0) HTML (1) PDF 3.44 M (2) Comment (0) Favorites

      Abstract:NiTi shape-memory alloys are extensively used across various fields due to their distinctive shape-memory effect and superelasticity. Additive manufacturing technique enables the precise fabrication of high-performance complex structures of NiTi shape-memory alloys, facilitating innovative structural designs. This paper reviewed the applications of NiTi porous structures prepared by selective laser melting (SLM) in the fields of biomedical and mechanical engineering. It summarized the characteristics of various novel porous structures of SLM-NiTi across various applications, explored innovative design methodologies for these structures, and discussed their corresponding advantageous properties, which include compressive performance, superelasticity, shape-memory effect, energy absorption capability, and biocompatibility. These design methodologies and structures can provide references for the design and application of high-performance NiTi structures prepared by additive manufacturing.

      • 0+1
      • 1+1
      • 2+1
      • 3+1
      • 4+1
      • 5+1
      • 6+1
      • 7+1
      • 8+1
      • 9+1
      • 10+1
      • 11+1
      • 12+1
      • 13+1
      • 14+1
      • 15+1
      • 16+1
      • 17+1
      • 18+1
      • 19+1
      • 20+1
      • 21+1
      • 22+1
      • 23+1
      • 24+1
      • 25+1
    • Morphology Regulation Path and Development Trend in Preparation Techniques of High-Purity Molybdenum Powder

      2026, 55(6):1612-1624. DOI: 10.12442/j.issn.1002-185X.20250103

      Abstract (0) HTML (1) PDF 2.50 M (3) Comment (0) Favorites

      Abstract:High-purity molybdenum powder, owing to its excellent high-temperature mechanical properties, electrical and thermal conductivity, and corrosion resistance, has been widely applied in aerospace, electronic devices, nuclear energy, and powder metallurgy. This paper systematically reviewed the preparation methods of high-purity molybdenum powder, including hydrogen reduction, carbothermal reduction, spray pyrolysis, and low-temperature molten salt-assisted reduction. The effects of different preparation techniques on the purity, particle size distribution, morphological evolution, and sintering performance of molybdenum powder were analyzed. Among existing methods, hydrogen reduction is extensively applied, and research suggests that tuning reduction conditions can significantly influence impurity removal and morphological consistency. Additionally, emerging techniques, such as spray pyrolysis and low-temperature molten salt-assisted reduction, exhibit promising potential in particle size control, spheroidization, and nanostructuring, thereby enhancing powder flowability and sintering densification. Future research should further optimize precursor selection and process parameters to enhance the purity, particle size uniformity, and morphological control of molybdenum powder, meeting the growing demand for high-performance molybdenum materials in advanced manufacturing.

      • 0+1
      • 1+1
      • 2+1
      • 3+1
      • 4+1
      • 5+1
      • 6+1
      • 7+1
      • 8+1
      • 9+1

Current Issue


,Vol., Issue

Table of Contents

Search by Issue

Issue

Most Read

Most Cited

Most Downloaded